70 085 товаров в наличии и на заказ

Электронные компоненты и расходные материалы

$
Настройка отображения валюты
Полный каталог
Скидка на Конденсаторы
-20%

РПС45 РС4.520.755-35 2 перекл. 27VDC Реле, ЯЛ0.452.081ТУ (арт. TP-1544)

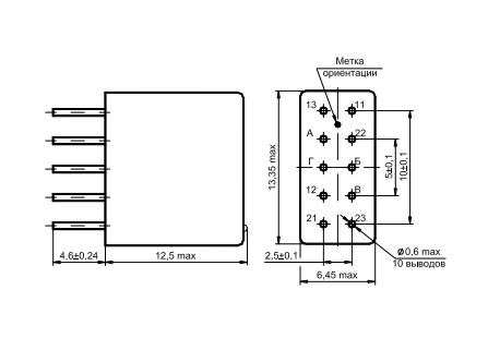
Реле РПС45 РС4.520.755-35 электромагнитное слаботочное низкочастотное, поляризованное, двустабильное, двухпозиционное, с двумя переключающими контактами. Предназначены для коммутации электрических цепей постоянного и переменного тока частотой до 10000 Гц. Реле РПС45 используются для работы в составе электрических (электронных) схем управления коммутацией в оборудовании общего и специального назначения. Расшифровка условного обозначения РПС45 РС4.520.755-35: РПС - реле поляризованное слаботочное низкочастотное; 45 - порядковый номер разработки; РС4.520.755-35 - исполнение (паспорт) реле в зависимости от электрических параметров, конструктивных особенностей и климатического исполнения.

Подробнее
Заметили
ошибку ?
Сообщите нам

Общая информация

Наименование РПС45 РС4.520.755-35 2 перекл. 27VDC Реле, ЯЛ0.452.081ТУ
Торговая марка АООТ Северная Заря, СПб
Страна изготовления РОССИЯ
Вид приемки i "5"- ВП, ПЗ
Масса изделия, гр 3,54
Транслитерация RPS45 RS4.520.755-35 2 switches 27VDC Relay, YAL0.452.081TU
Наличие паспорта - этикетки нет
Состояние упаковки самоупаковка

Основные характеристики

Функциональная группа Электромагнитное поляризованное
Исполнение РС4.520.755-35
Габаритные размеры L*W*H 13,5х6,6х17 mm
Длина корпуса 13,5 mm
Ширина корпуса 6,6 mm
Высота корпуса 12,5 mm
Фактическая маркировка РПС45 РС4.520.755-35

Технические характеристики

Номинальное напряжение 27 V
Сопротивление обмоток 640 - 960 Ω
Напряжение срабатывания 9 - 15 V
Сопротивление контактов не более 15 mΩ

Условия эксплуатации

Интервал рабочих температур от -60 до +125°C
Климатическое исполнениеi УХЛ
Ресурс 10 000 циклов
Минимальный срок сохраняемости, лет 20
Загрузка...
Принимаем заказы на товары,
не вошедшие в каталог

Пришлите маркировку необходимого вам товара.
Мы предоставим Вам наилучшие условия по поставке!

Оформить заявку

Похожие товары

Артикул (ID): BV-9299
РПС34А-ОС РС4.520.243 4 перекл. 27VDC Реле. ЯЛ0.452.079 ТУ
  • 1002 1 шт.
Артикул (ID): ZS-6890
РПС32Б 222 (200*г) Реле.
  • 922.32 1 шт.
  • 922.32 от 10 шт.
Артикул (ID): ZS-6889
РПС32Б 207 Реле.
  • 1844.64 1 шт.
  • 1844.64 от 10 шт.
Артикул (ID): KK-15065
РПА 16.080||5|1990|Радиореле|
  • 2040 1 шт.
Артикул (ID): KK-14753
РПС 32 А.224||5|1988|Старт|з/уп,краш.корпус
  • 510 1 шт.
Артикул (ID): KK-14757
РПС 32 А.224||5|1995|Старт|з/уп
  • 646 1 шт.
Артикул (ID): KK-14756
РПС 32 А.224||5|1991|Старт|з/уп
  • 612 1 шт.
Артикул (ID): KK-14755
РПС 32 А.224||5|1990|Старт|з/уп
  • 612 1 шт.
Артикул (ID): KK-14754
РПС 32 А.224||5|1989|Старт|з/уп
  • 544 1 шт.
Артикул (ID): KK-14752
РПС 32 А.224||5|1988|Старт|з/уп
  • 510 1 шт.
Артикул (ID): TF-1915
РПС45 РС4.520.755-10 2 перекл. 27VDC Реле, ЯЛ0.452.081ТУ
  • 1035 1 шт.
Артикул (ID): TF-558
РПС32Б РС4.520.220 2 перекл. 10VDC Реле, ЯЛ0.452.080 ТУ
  • 2925 1 шт.
Артикул (ID): TF-561
РПС32Б РС4.520.224 2 перекл. 27VDC Реле, ЯЛ0.452.080 ТУ.
  • 1062 1 шт.
Артикул (ID): TF-560
РПС32А-ОС РС4.520.224 2 перекл. 27VDC Реле. ЯЛ0.452.080 ТУ
  • 1062 1 шт.
Артикул (ID): TF-559
РПС32Б-ОС РС4.520.224 2 перекл. 27VDC Реле, ЯЛ0.452.080 ТУ
  • 1062 1 шт.

Недавно просмотренные товары

Принимаем к оплате
IP Electron в соцсетях