69 602 товаров в наличии и на заказ

Электронные компоненты и расходные материалы

$
Настройка отображения валюты
Полный каталог
Скидка на Резисторы переменные (Потенциометры)
-20%

РПС32Б РС4.520.224 2 перекл. 27VDC Реле, ЯЛ0.452.080 ТУ. (арт. TF-561)

ЗАО «Завод Красная Заря», СПб; " 1" - ОТК; ; ; ; ;

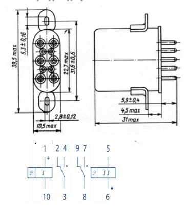
Реле РПС32Б РС4.520.224-01 электромагнитное слаботочное низкочастотное, поляризованное, двустабильное, двухпозиционное, управляемое постоянным током, с двумя переключающими контактами. Предназначены для коммутации электрических цепей постоянного и переменного тока частотой до 10000 Гц. Расшифровка условного обозначения РПС32Б РС4.520.224-01: РПС - реле поляризованное слаботочное низкочастотное; 32 - порядковый номер разработки;  Б - с угольниками; ОС-вид приемки; РС4.520.224-01 - исполнение (паспорт) реле в зависимости от рабочего напряжения, конструктивных особенностей реле по способу крепления. Реле РПС32 используются для работы в составе электрических (электронных) схем управления коммутацией в оборудовании общего и специального назначения. Вся дополнительная информация находится во вложении на товар, см. pdf – файл

Подробнее
Заметили
ошибку ?
Сообщите нам

Общая информация

Наименование РПС32Б РС4.520.224 2 перекл. 27VDC Реле, ЯЛ0.452.080 ТУ.
Торговая марка ЗАО «Завод Красная Заря», СПб
Страна изготовления СССР
Вид приемки i "1"- ОТК
Масса изделия, гр 18,76
Транслитерация RPS32B RS4.520.224 2 switches. 27VDC Relay, YAL0.452.080TU
Наличие паспорта - этикетки нет
Состояние упаковки самоупаковка

Основные характеристики

Функциональная группа Электромагнитное поляризованное
Функциональный тип реле поляризованные
Исполнение РС4.520.224
Габаритные размеры L*W*H 39,5х10,5х31 mm
Материал корпуса металл
Покрытие корпуса краска
Длина корпуса 22,7 mm
Ширина корпуса 10,5 mm
Высота корпуса 24 mm
Фактическая маркировка РПС32Б РС4.520.224
Рабочее положение любое

Технические характеристики

Номинальное напряжение 27 V
Сопротивление обмоток 425 - 575 Ω
Напряжение срабатывания 8 - 16 V
Сопротивление контактов не более 1 Ω

Условия эксплуатации

Интервал рабочих температур от -60 до +100°С
Климатическое исполнениеi УХЛ
Относительная влажность 98% при температуре +35°С
Атмосферное давление от 133,3х10ˉ¹¹до 306,6 kPa
Минимальный срок сохраняемости, лет 20

Оставить отзыв

Оценка:
              
Преимущества *
Недостатки *
Комментарий *
Ваше Имя *
Эл. почта *
Введите текст с картинки:
* Поля для обязательного заполнения
Отзыв будет опубликован после проверки модератором
Принимаем заказы на товары,
не вошедшие в каталог

Пришлите маркировку необходимого вам товара.
Мы предоставим Вам наилучшие условия по поставке!

Оформить заявку

Похожие товары

Артикул (ID): KK-15065
РПА 16.080||5|1990|Радиореле|
  • 2040 1 шт.
Артикул (ID): KK-14753
РПС 32 А.224||5|1988|Старт|з/уп,краш.корпус
  • 510 1 шт.
Артикул (ID): KK-14757
РПС 32 А.224||5|1995|Старт|з/уп
  • 646 1 шт.
Артикул (ID): KK-14756
РПС 32 А.224||5|1991|Старт|з/уп
  • 612 1 шт.
Артикул (ID): KK-14755
РПС 32 А.224||5|1990|Старт|з/уп
  • 612 1 шт.
Артикул (ID): KK-14754
РПС 32 А.224||5|1989|Старт|з/уп
  • 544 1 шт.
Артикул (ID): KK-14752
РПС 32 А.224||5|1988|Старт|з/уп
  • 510 1 шт.
Артикул (ID): TF-1915
РПС45 РС4.520.755-10 2 перекл. 27VDC Реле, ЯЛ0.452.081ТУ
  • 1035 1 шт.
Артикул (ID): TF-558
РПС32Б РС4.520.220 2 перекл. 6VDC Реле, ЯЛ0.452.080ТУ
  • 2925 1 шт.
Артикул (ID): TF-560
РПС32А-ОС РС4.520.224 2 перекл. 27VDC Реле. ЯЛ0.452.080ТУ
  • 1062 1 шт.
Артикул (ID): TF-559
РПС32Б-ОС РС4.520.224-01 2 перекл. 27VDC Реле, ЯЛ0.452.080 ТУ
  • 1062 1 шт.
Артикул (ID): TF-557
РПС32Б РС4.520.223 2 перекл. 20VDC Реле, ЯЛ0.452.080ТУ
  • 1062 1 шт.
Артикул (ID): TF-405
РПС47 РС4.520.764-02 4 перекл. 27VDC Реле, ЯЛ0.452.093ТУ
  • 5310 1 шт.
Артикул (ID): TF-404
РПС45 РС4.520.755-04 2 перекл. 15VDC Реле, ЯЛ0.452.081 ТУ
Артикул (ID): TF-389
РПС45-1 РС4.520.755-16 2 перекл. 27VDC Реле, 2001г, ЯЛ0.452.081ТУ
  • 1431 1 шт.

Недавно просмотренные товары

Принимаем к оплате
IP Electron в соцсетях