74 579 товаров в наличии и на заказ

Электронные компоненты и расходные материалы

$
Настройка отображения валюты
Полный каталог
Скидка на Конденсаторы
-20%

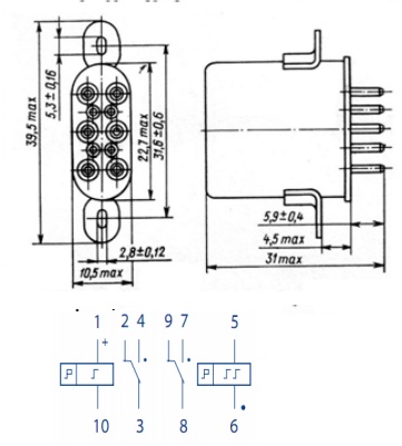
РПС32Б РС4.520.220 2 перекл. 10VDC Реле, ЯЛ0.452.080 ТУ (арт. TF-558)

ОАО НПП «Старт», В.Новгород; " 5" - ВП, ПЗ; -; 10 выводов; в плату; бистабильные реле, импульсные реле…; РПС49, РПС50, РПС51, РПС53, РПС54, РПС56.

Реле РПС32Б РС4.520.220 электромагнитное слаботочное низкочастотное, поляризованное, двустабильное, двухпозиционное, управляемое постоянным током, с двумя переключающими контактами. Предназначены для коммутации электрических цепей постоянного и переменного тока частотой до 10000 Гц. Расшифровка условного обозначения РПС32Б РС4.520.220: РПС - реле поляризованное слаботочное низкочастотное; 32 - порядковый номер разработки;  Б - с угольниками; РС4.520.220 - исполнение (паспорт) реле в зависимости от рабочего напряжения, конструктивных особенностей реле по способу крепления. Реле РПС32 используются для работы в составе электрических (электронных) схем управления коммутацией в оборудовании общего и специального назначения. Вся дополнительная информация находится во вложении на товар, см. pdf – файл

Подробнее
Заметили
ошибку ?
Сообщите нам

Общая информация

Наименование РПС32Б РС4.520.220 2 перекл. 10VDC Реле, ЯЛ0.452.080 ТУ
Торговая марка ОАО НПП «Старт», В.Новгород
Страна изготовления РОССИЯ
Нормы и требования ЯЛ0.452.080 ТУ, ГОСТ 15150-69
Дата изготовленияi 2000-2009
Вид приемки i "5"- ВП, ПЗ
Масса изделия, гр 18,22
Транслитерация RPS32B RS4.520.220 2 switch. 6VDC Relay, YAL0.452.080TU
Наличие паспорта - этикетки нет
Состояние упаковки самоупаковка

Основные характеристики

Функциональная группа Реле электромагнитное
Функциональный тип реле поляризованные
Серия реле РПС32
Исполнение РС4.520.220
Поляризация поляризованное
Число и вид контактов 2 перекл.
Количество групп контактов две контактные группы
Тип реле (конструктивное исполнение) закрытое
Род тока постоянный
Варианты крепления реле с угольниками
Герметичность герметичный
Количество выводов 10 выводов
Материал выводов латунь
Покрытие выводов (Ag) серебро
Габаритные размеры L*W*H 39,5х10,5х31 mm
Материал корпуса металл
Покрытие корпуса без покрытия
Цвет корпуса серый
Длина корпуса 22,7 mm
Ширина корпуса 10,5 mm
Высота корпуса 24 mm
Метод монтажа электрический пайка
Фактическая маркировка РПС32Б РС4.520.220
Рабочее положение любое
Другие наименования бистабильные реле, импульсные реле…
Аналогичные серии РПС49, РПС50, РПС51, РПС53, РПС54, РПС56.

Технические характеристики

Номинальное напряжение 10 V
Номинальное напряжение контактов 10 V
Номинальное напряжение катушки 10 VDC
Сопротивление обмоток 63,75 - 86,25 Ω
Напряжение срабатывания 2 - 5 V
Вид нагрузки активная
Частота коммутации 10000 Hz
Сопротивление изоляции 200 MΩ
Сопротивление контактов не более 1 Ω
Электрическая прочность изоляции 500 V
Синусоидальная вибрация: :
- амплитуда ускорения 196 m/c²
- диапазон частот 50-1500 Hz
Электрическая прочность изоляции между токоведущими цепями 500 V
Механический удар многократное действие: длительность действия 10000 ms
Механический удар многократное действие: пиковое ударное ускорение 343 m/c²
Механический удар однократное действие: длительность действия 9 ms
Механический удар однократное действие: пиковое ударное ускорение 1470 m/c²

Условия эксплуатации

Интервал рабочих температур от -60 до +100°С
Климатическое исполнениеi УХЛ
Относительная влажность 98% при температуре +35°С
Минимальный срок сохраняемости, лет 20 лет
Загрузка...
Принимаем заказы на товары,
не вошедшие в каталог

Пришлите маркировку необходимого вам товара.
Мы предоставим Вам наилучшие условия по поставке!

Оформить заявку

Похожие товары

Артикул (ID): BV-9299
РПС34А-ОС РС4.520.243 4 перекл. 27VDC Реле. ЯЛ0.452.079 ТУ
  • 1002 1 шт.
Артикул (ID): ZS-6890
РПС32Б 222 (200*г) Реле.
  • 922.32 1 шт.
  • 922.32 от 10 шт.
Артикул (ID): ZS-6889
РПС32Б 207 Реле.
  • 1844.64 1 шт.
  • 1844.64 от 10 шт.
Артикул (ID): KK-15065
РПА 16.080||5|1990|Радиореле|
  • 2040 1 шт.
Артикул (ID): KK-14753
РПС 32 А.224||5|1988|Старт|з/уп,краш.корпус
  • 510 1 шт.
Артикул (ID): KK-14757
РПС 32 А.224||5|1995|Старт|з/уп
  • 646 1 шт.
Артикул (ID): KK-14756
РПС 32 А.224||5|1991|Старт|з/уп
  • 612 1 шт.
Артикул (ID): KK-14755
РПС 32 А.224||5|1990|Старт|з/уп
  • 612 1 шт.
Артикул (ID): KK-14754
РПС 32 А.224||5|1989|Старт|з/уп
  • 544 1 шт.
Артикул (ID): KK-14752
РПС 32 А.224||5|1988|Старт|з/уп
  • 510 1 шт.
Артикул (ID): TF-1915
РПС45 РС4.520.755-10 2 перекл. 27VDC Реле, ЯЛ0.452.081 ТУ
  • 1035 1 шт.
Артикул (ID): TF-561
РПС32Б РС4.520.224 2 перекл. 27VDC Реле, ЯЛ0.452.080 ТУ.
  • 1062 1 шт.
Артикул (ID): TF-560
РПС32А-ОС РС4.520.224 2 перекл. 27VDC Реле. ЯЛ0.452.080 ТУ
  • 1062 1 шт.
Артикул (ID): TF-559
РПС32Б-ОС РС4.520.224 2 перекл. 27VDC Реле, ЯЛ0.452.080 ТУ
  • 1062 1 шт.
Артикул (ID): TF-557
РПС32Б РС4.520.223 2 перекл. 20VDC Реле, ЯЛ0.452.080 ТУ
  • 1062 1 шт.

Недавно просмотренные товары

Принимаем к оплате
IP Electron в соцсетях