66 963 товаров в наличии и на заказ

Электронные компоненты и расходные материалы

$
Настройка отображения валюты
Полный каталог
Скидка на Устройства защиты
-20%

АЗСГК-2 2A(Ампер) 27V(Вольт) Автоматический выключатель. (арт. ZX-2724)

No name Russia; 27 V; 50 Hz

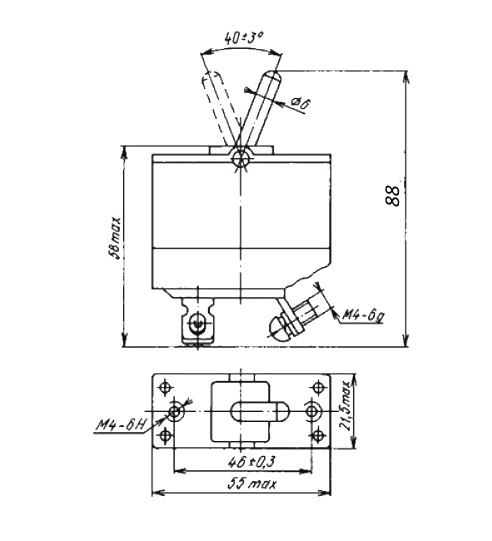
АЗСГК-2 27V 2А - Автомат защиты сети однополюсный, герметичный, мгновенного действия без свободного расцепления управляющей и контактной систем. Предназначен для автоматического отключения потребителей электроэнергии при перегрузках и коротких замыканиях в цепях постоянного тока при напряжении до 27В в закрытых стационарных и передвижных установках. Структура условного обозначения: АЗС - автомат защиты сети; Г - наличие герметичного корпуса; К - модификация автомата защиты сети: с индексом «К» устанавливаются в кабинах с красным освещением, без индекса «К» - для работы в кабинах с обычным освещением; 2 - номинальный ток 2, А. АЗСГК позволяет удерживать защищаемую цепь во включенном состоянии независимо от перегрева биметаллической пластины. Такой режим иногда используется для обеспечения включенного состояния некоторых ответственных потребителей (органов управления самолетом). АЗС можно устанавливать только в цепях, безопасных в пожарном отношении. Вся дополнительная информация находится в pdf - файле.

Подробнее
Заметили
ошибку ?
Сообщите нам

Общая информация

Наименование АЗСГК-2 2A(Ампер) 27V(Вольт) Автоматический выключатель.
Торговая марка No name Russia
Страна изготовления РОССИЯ
Дата изготовленияi дата не указана
Нормы и требования 8Ю0.361.001ТУ
Вид приемки i "1"- ОТК
Масса изделия, гр 103
Наличие паспорта - этикетки нет
Транслитерация AZSGK-2 2A(Ampere) 27V(Volt) Automatic switch.
Вид упаковки полиэт. пакет (1шт)
Состояние упаковки самоупаковка

Основные параметры

Функциональная группа Устройства защиты
Функциональный тип автоматические выключатели
Серия автоматических выключателей АЗСГК
Число полюсов однополюсный
Количество положений 2
Наличие фиксации есть
Режим работы длительный
Наличие перезапуска ручной
Наличие индикации (цвет) нет
Вид толкателя рычаг 20 mm
Материал ручки(кнопки)-толкателя металл
Материал корпуса карболит
Габаритные размеры L*W*H 55х20х88 mm
Длина корпуса 55 mm
Ширина корпуса 20 mm
Высота корпуса 50 mm
Метод монтажа механический фронтальный винтами
Метод монтажа электрический провод
Цвет корпуса коричневый
Материал выводов латунь
Вид выводов винтовые
Количество выводов 2
Расстояние между выводами 25 mm
Установочные размеры 46 mm расстояние между монтажными отверстиями
Рабочее положение любое
Фактическая маркировка АЗСГК-2 27В

Технические характеристики

Номинальный ток 2 A
Номинальное напряжение 27 V
Тип расцепителя без свободного расцепителя
Номинальная частота 50 Hz
Род тока однофазный постоянный
Время срабатывания 30min (3A); 0,3s (12A)
Кратность тока перегрузки 1,5 In

Условия эксплуатации

Степень защиты IPi IP30, IP00
Минимальная наработка 2000 час.
Ресурс 10000 циклов
Климатическое исполнениеi УХЛ3
Интервал рабочих температур от -60 до +60°С
Относительная влажность 90% при температуре 40°С
Минимальный срок сохраняемости, лет 8
Загрузка...
Принимаем заказы на товары,
не вошедшие в каталог

Пришлите маркировку необходимого вам товара.
Мы предоставим Вам наилучшие условия по поставке!

Оформить заявку

Похожие товары

Артикул (ID): ZK-279
A-0709R 15a Автоматический выключатель
  • 31.17 1 шт.
  • 31.17 от 10 шт.
  • 31.17 от 100 шт.
Артикул (ID): KK-17085
АЗК1М-2-2С|карб.||2022||"пятиугольник"
  • 5100 1 шт.
Артикул (ID): ZM-1140
A-0709P 10A(Ампер) 250VAC/32VDC(Вольт) Автоматический выключатель.
  • 30.89 1 шт.
  • 30.89 от 10 шт.
Артикул (ID): KL-6775
АЗС-5 5А 28В Автоматический выключатель ТУ 16-526.015-73
Артикул (ID): KL-6235
Уценка АЗС-20 20A(Ампер) 27V(Вольт) Автоматический выключатель, ТУ 16-526.015-73
  • 932 1 шт.
Артикул (ID): ZX-2654
АЗК1М-2-2С 2A(Ампер) 27VDC(Вольт) 115VAC(Вольт) Автоматический выключатель.
  • 11858.4 1 шт.
Артикул (ID): ZP-7175
ВА47-29 1Р 63A(Ампер) 230VAC(Вольт) 4,5кА х-ка С Автоматический выключатель
  • 153 1 шт.
  • 153 от 10 шт.
Артикул (ID): ZP-7281
ВА47-29 1Р 40A(Ампер) 230VAC(Вольт) 4,5кА х-ка С Автоматический выключатель
  • 171.41 1 шт.
  • 171.41 от 10 шт.
Артикул (ID): ZP-7213
ВА47-29 1Р 3A(Ампер) 230VAC(Вольт) 4,5кА х-ка С Автоматический выключатель
  • 204.47 1 шт.
Артикул (ID): ZP-5602
ADB3-63 3P 63A(Ампер) 230VAC(Вольт) 6kA х-ка C Автоматический выключатель
  • 504.84 1 шт.
  • 504.84 от 10 шт.
Артикул (ID): ZP-5601
ADB3-63 3P 50A(Ампер) 230VAC(Вольт) 6kA х-ка C Автоматический выключатель
  • 504.84 1 шт.
  • 504.84 от 10 шт.
Артикул (ID): ZP-5600
ADB3-63 3P 40A(Ампер) 230VAC(Вольт) 6kA х-ка C Автоматический выключатель
  • 458.7 1 шт.
  • 458.7 от 10 шт.
Артикул (ID): ZP-5599
ADB3-63 3P 32A(Ампер) 230VAC(Вольт) 6kA х-ка C Автоматический выключатель
  • 458.7 1 шт.
Артикул (ID): ZP-5597
ADB3-63 3P 20A(Ампер) 230VAC(Вольт) 6kA х-ка C Автоматический выключатель
  • 458.7 1 шт.
Артикул (ID): ZP-5595
ADB3-63 3P 16A(Ампер) 230VAC(Вольт) 6kA х-ка C Автоматический выключатель
  • 458.7 1 шт.
  • 458.7 от 10 шт.

Недавно просмотренные товары

Принимаем к оплате
IP Electron в соцсетях