67 583 товаров в наличии и на заказ

Электронные компоненты и расходные материалы

$
Настройка отображения валюты
Полный каталог
Скидка на Конденсаторы
-20%

ТОТ157 Трансформатор согласующий, ОЮ0.472.010ТУ. (арт. BV-3619)

" 5" - ВП, ПЗ; трансформатор согласующий; АО Изумруд, Ставрополь

ТОТ157 Трансформатор согласующий выходной низкой частоты. Расшифровка ТОТ157: ТОТ - сокращённое обозначение типа: Т - трансформатор, О - оконечный (выходной), Т - транзисторный; 157 - порядковый номер разработки; М - исполнение трансформатора, залитого в форму (без буквы - обычное исполнение). Предназначен для работы в устройствах низкочастотных трактов, выполненных на полупроводниковых и электровакуумных приборах в аппаратуре с печатным монтажом. Используется в усилителях звуковой частоты радиоэлектронной аппаратуры промышленного, бытового и специального назначения. Вся дополнительная информация находится во вложении на товар, см. pdf-файл.

Подробнее
Заметили
ошибку ?
Сообщите нам

Общая информация

Наименование ТОТ157 Трансформатор согласующий, ОЮ0.472.010ТУ.
Торговая марка АО Изумруд, Ставрополь
Страна изготовления СССР
Нормы и требования ОЮ0.472.010ТУ
Вид приемки i "5"- ВП, ПЗ
Масса изделия, гр 249,6
Дата изготовленияi 1976-1991
Наличие паспорта - этикетки нет
Транслитерация TOT157 Matching Transformer, OYu0.472.010TU
Вид упаковки картонная коробка (6 шт)
Состояние упаковки заводская

Основные параметры

Функциональная группа трансформаторы
Функциональный тип трансформатор согласующий
Серия трансформатора ТОТ
Тип магнитопровода броневой магнитопровод
Типоразмер магнитопровода (сердечника) ША10Х10
Наличие радиатора без радиатора
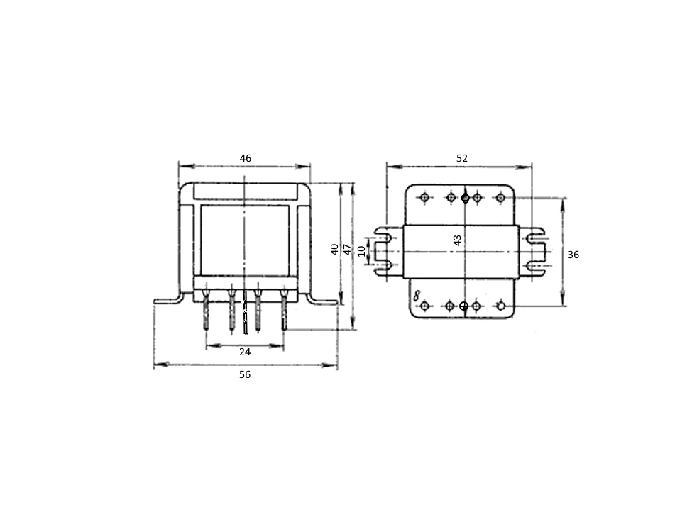
Установочные размеры 52 mm расстояние между монтажными отверстиями
Диаметр установочного отверстия 1,5 mm
Метод монтажа механический на плату
Метод монтажа электрический пайка
Тип крепления пайка
Габаритные размеры L*W*H 56x43х47 mm
Длина корпуса 46 mm
Ширина корпуса 43 mm
Высота корпуса 40 mm
Материал корпуса металл
Покрытие корпуса корпус окрашен
Цвет корпуса зеленый
Фактическая маркировка ТОТ157
Рабочее положение вертикальное
Другие наименования преобразователь, статическое электромагнитное устройство…

Технические параметры

Рабочая частота 800-1000 Hz
Номинальная мощность 0,25 V*A
Напряжение сети 500 V
Количество обмоток две
Напряжение первичной обмотки 19х2 V
Индуктивность 0.045Гн (первич.обмотки); 0,0034 Гн (рассеяния)
КПД 85%
Синусоидальная вибрация: :
- амплитуда ускорения 10 g
- диапазон частот 300-10000 Hz
Сопротивление изоляции 1 MΩ
Механический удар многократное действие: пиковое ударное ускорение 150 g
Механический удар многократное действие: длительность действия 1 - 5 ms
Механический удар однократное действие: пиковое ударное ускорение 500 g
Механический удар однократное действие: длительность действия 0,2 - 1 ms

Условия эксплуатации

Интервал рабочих температур от -60 до +125°C
Климатическое исполнениеi УХЛ
Минимальная наработка 10 000 час.
Относительная влажность 98% при температуре +40°С
Атмосферное давление до 667 Pa
Макс. срок хранения 20 лет
Загрузка...
Принимаем заказы на товары,
не вошедшие в каталог

Пришлите маркировку необходимого вам товара.
Мы предоставим Вам наилучшие условия по поставке!

Оформить заявку

Похожие товары

Артикул (ID): SN-7740
ТОТ35 Трансформатор согласующий, ОЮ0.472.010ТУ
Артикул (ID): SN-5625
ТОТ34 Трансформатор согласующий, ОЮ0.472.010ТУ
Артикул (ID): TN-4038
Т0,5-28 Трансформатор согласующий, ОЮ0.472.021ТУ
  • 194 1 шт.
  • 158 от 5 шт.
  • 131 от 100 шт.
Артикул (ID): SN-5637
ТОТ35 Трансформатор согласующий, ОЮ0.472.010ТУ.
Артикул (ID): TP-4344
ТПП55-40-400 Трансформатор питания, ОЮ0.471.000ТУ
  • 405 1 шт.
Артикул (ID): ZT-875
ТМ10-49 Трансформатор согласующий, ОЮ0.472.021ТУ
  • 228.39 1 шт.
Артикул (ID): KK-15499
ТПР16-3В||5|2013|Стрела|
  • 255 1 шт.
Артикул (ID): BV-3618
ТОТ157 Трансформатор согласующий, ОЮ0.472.010ТУ
  • 265 1 шт.
Артикул (ID): ZQ-3545
ОСМ1-0,4У3 Трансформатор силовой, ТУ16-717.137-83
  • 6100.01 1 шт.
Артикул (ID): KK-16496
ТЛ 6|||2026|Мстатор|W з/уп
  • 2890 1 шт.
Артикул (ID): KK-16497
ТР 117-220-400В||5|2012|Айнур|
  • 4760 1 шт.
Артикул (ID): KK-16498
ТР 117-220-400В||5|2014|Айнур|
  • 4760 1 шт.
Артикул (ID): CC-11873
Трансформатор VT-1051B
  • 15.05 1 шт.
Артикул (ID): CC-11875
Трансформатор BALF-SPI-01D3
  • 21.83 1 шт.
Артикул (ID): BV-9302
ТИМ199В Трансформатор импульсный, ОЮ0.472.045ТУ
  • 149.5 1 шт.

Недавно просмотренные товары

Принимаем к оплате
IP Electron в соцсетях