59 039 товаров в наличии и на заказ

Электронные компоненты и расходные материалы

$
Настройка отображения валюты
Полный каталог
Скидка на  Переключатели галетные
-20%

К155ЛЕ6 DIP14 Микросхема, бК0.348.006-45ТУ.(арт. SN-9227)

Микросхема К155ЛЕ6 - Интегральная микросхема серии ТТЛ.  Представляют собой магистральный усилитель - 4 двухвходовых логических элемента ИЛИ-НЕ. Содержат 68 интегральных элементов. Корпус типа 201.14-2. Расшивровка: К155ЛЕ6 К - буква, указывает на микросхему категории качества «ОТК», где К - для использования в аппаратуре народнохозяйственного назначения; 1 - цифра, указывает группу микросхемы по конструктивно-технологическому признаку, где 1 - полупроводниковая микросхема; 55 - цифры, определяют порядковый номер разработки в серии. В совокупности второй и третий элемент обозначает номер конкретной серии; ЛЕ - буквы, обозначают функциональное назначение микросхемы, где ЛЕ логические элементы «ИЛИ-НЕ»; 6 - цифра определяет порядковый номер разработки микросхемы в конкретной серии (среди микросхем одного вида). Вся дополнительная информация находится во вложении на товар, см. pdf - файл.

Подробнее
Заметили
ошибку ?
Сообщите нам

Общая информация

Наименование К155ЛЕ6 DIP14 Микросхема, бК0.348.006-45ТУ.
Торговая марка завод «Азон», Баку
Страна происхождения СССР
ТУ бК0.348.006-45ТУ.
Вид приемки i "1"- ОТК
Масса изделия, гр 0,95
Дата выпуска 1990
Наличие паспорта - этикетки нет
Транслитерация K155LE6 DIP14 Microcircuit, bK0.348.006-45TU.
Состояние упаковки самоупаковка

Основные параметры

Функциональная группа Стандартная логика
Функциональный тип усилитель
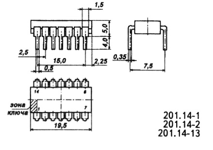
Типоразмер корпуса DIP14
Типоразмер корпуса отечественный 201.14-2
Материал корпуса пластмасса
Материал выводов, контактов латунь
Покрытие выводов или контактов лужение
Метод монтажа на плату
Рабочее положение любое
Фактическая маркировка К155ЛЕ6
Цвет изделия черный
Габаритные размеры L*W*H 19,5х7,5х9 mm
Высота корпуса 4 mm
Длина выводов 4 mm

Технические характеристики

Напряжение питания 5 V
Входной ток низкого уровня не более -1,6 mA; высокого уровня не более 0,04 mA
Ток потребления при высоком уровне не более 21 mA, при низком уровне не более 57 mA
Выходное напряжение низкого уровня не более 0,4 V; высокого уровня не менее 2,4 V

Условия эксплуатации

Интервал рабочих температур от -10 до +70°C
Климатическое исполнениеi УХЛ

Оставить отзыв

Оценка:
              
Преимущества *
Недостатки *
Комментарий *
Ваше Имя *
Эл. почта *
Введите текст с картинки:
* Поля для обязательного заполнения
Отзыв будет опубликован после проверки модератором
Принимаем заказы на товары,
не вошедшие в каталог

Пришлите маркировку необходимого вам товара.
Мы предоставим Вам наилучшие условия по поставке!

Оформить заявку

Похожие товары

Артикул (ID): TB-9963
КМ155ЛА4 DIP14 Микросхема, бК0.348.244-ТУ1
  • 75 1 шт.
  • 75 OZON.
Артикул (ID): KK-03037
КМ 155 ЛП8|||1990|Азон|
  • 7.2 1 шт.
  • 7.2 OZON.
Артикул (ID): KK-03036
КМ 155 ЛП8|||1989|Азон|
  • 4.5 1 шт.
  • 4.5 OZON.
Артикул (ID): KK-03031
КМ 155 КП7|||1988|Транзистор|з/уп
  • 3.6 1 шт.
  • 3.6 OZON.
Артикул (ID): KK-03027
К 155 АГ3|||1990|Интеграл|
  • 14.4 1 шт.
  • 14.4 OZON.
Артикул (ID): KT-4240
1554ЛП5ТБМ Микросхема, АЕЯР.431200.182-09ТУ
  • 2400 1 шт.
Артикул (ID): KT-4237
1554ЛА3ТБМ Микросхема, АЕЯР.431200.182-07ТУ
  • 2400 1 шт.
Артикул (ID): KT-4075
К155ИЕ7 DIP16 Микросхема, бК0.348.006-10ТУ.
  • 95 1 шт.
Артикул (ID): KT-4091
К155ИЕ8 DIP16 Микросхема, бК0.348.006-11ТУ.
  • 105 1 шт.
Артикул (ID): KT-4084
К155ЛА1 DIP14 Микросхема, бК0.348.006-01ТУ.
  • 95 1 шт.
  • 85 от 5 шт.
Артикул (ID): KT-4031
К155ЛР3 DIP14 Микросхема, бК0.348.006-01ТУ
  • 95 1 шт.
  • 85 от 5 шт.
Артикул (ID): KT-4000
К155ЛА2 DIP14 Микросхема, бК0.348.006-01ТУ
  • 115 1 шт.
Артикул (ID): ZA-7032
К155ИД1 Микросхема (201*г)
  • 505.44 1 шт.
  • 421.2 от 10 шт.
  • 421.2 от 100 шт.
  • 505.44 OZON.
Артикул (ID): KP-9584
К155ИЕ2 DIP14 Микросхема, бК0.348.006-04ТУ.
  • 105 1 шт.
Артикул (ID): KP-9581
К155ЛЕ5 DIP14 Микросхема
  • 45 1 шт.

Недавно просмотренные товары

Принимаем к оплате
IP Electron в соцсетях