67 294 товаров в наличии и на заказ

Электронные компоненты и расходные материалы

$
Настройка отображения валюты
Полный каталог
Скидка на Конденсаторы
-20%

T83A90X (B88069X8300) 10kA(Килоампер) 900V(Вольт) Разрядник трехэлектродный (арт. ZX-1354)

RUICHI; газовый; выводной

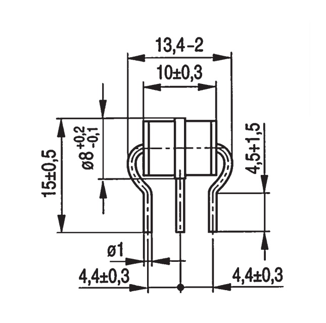
T83A90X (B88069X8300) 10kA/10A 900V Разрядник на статическое напряжение пробоя 900В и током анода в импульсе не более 10кА. Структура условного обозначения: T83C - тип разрядника; 10kA - импульсный ток разряда; 10A - ток разряда для переменного напряжения 50 Гц (1c); 900V - напряжение пробоя. Газовый разрядник выполнен из трех электродов в корпусе, наполненном инертным газом при регулируемом давлении. Корпус представляет собой керамическую трубку, концы которой закрыты металлическими колпачками, которые также служат электродами. Их основное применение заключается в защите телекоммуникационных линий, но возможны и другие применения. Вся дополнительная информация находится во вложении на товар, см. pdf - файл.

Подробнее
Заметили
ошибку ?
Сообщите нам

Общая информация

Наименование T83A90X (B88069X8300) 10kA(Килоампер) 900V(Вольт) Разрядник трехэлектродный
Торговая марка RUICHI
Дата изготовленияi дата не указана
Страна изготовления КИТАЙ
Нормы и требования IEC 61643-311
Масса изделия, гр 2,1
Наличие паспорта - этикетки нет
Вид упаковки картонная коробка (20шт)
Состояние упаковки заводская

Основные параметры

Функциональная группа Устройства защиты
Функциональный тип Разрядники
Серия разрядников T83
Тип разрядника газовый
Конструктивное исполнение разрядника выводной
Метод монтажа механический в плату
Метод монтажа электрический пайка
Количество выводов 3
Тип вывода радиальный
Материал выводов латунь
Покрытие выводов никель (Ni)
Цвет корпуса белый
Материал корпуса керамика
Размеры корпуса L*W*H 8х10 mm
Покрытие корпуса без покрытия
Габаритные размеры L*W*H 13,4х8х15 mm

Технические характеристики

Импульсный ток разряда 10 kA
Напряжение пробоя 900 V
Сопротивление изоляции, min 10 GΩ
Межэлектродная емкость max 1,5 pF
Ток разряда для переменного напряжения 10 A

Условия эксплуатации

Интервал рабочих температур от -40 до +90°С
Ресурс 10 импульсов (min)

Оставить отзыв

Оценка:
              
Преимущества *
Недостатки *
Комментарий *
Ваше Имя *
Эл. почта *
Введите текст с картинки:
* Поля для обязательного заполнения
Отзыв будет опубликован после проверки модератором
Принимаем заказы на товары,
не вошедшие в каталог

Пришлите маркировку необходимого вам товара.
Мы предоставим Вам наилучшие условия по поставке!

Оформить заявку

Недавно просмотренные товары

Принимаем к оплате
IP Electron в соцсетях