67 113 товаров в наличии и на заказ

Электронные компоненты и расходные материалы

$
Настройка отображения валюты
Полный каталог
Скидка на Устройства защиты
-20%

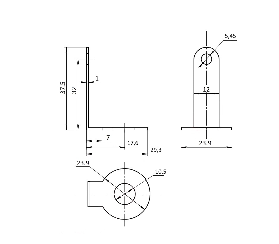
Токоотвод М8 сталь (арт. ZM-9470)

Токоотвод М8 сталь - Токоотвод выполняет функцию одного из силовых контактов, для подвода и отвода тока в полупроводниковых приборах (силовых диодах и тиристорах). Устанавливают токоотвод между радиатором и тиристором (диодом). Вся дополнительная информация находится во вложении на товар, см. pdf - файл.

Подробнее
Заметили
ошибку ?
Сообщите нам

Общая информация

Наименование Токоотвод М8 сталь
Функциональная группа Установочные изделия
Функциональный тип Токоотводы
Тип токоотвода М8
Диаметр основного отверстия Ø 10,5 mm
Диаметр отверстия под провод Ø 5,45 mm
Наружный диаметр Ø 23,9 mm
Материал токоотвода сталь
Покрытие токоотвода никель
Цвет токоотвода серый
Форма токоотвода прямой
Способ присоединения проводов под болт М5
Вид охладителя (радиатора) О131, О231
Габаритные размеры L*W*H 29,3х23,9х37,5 mm
Метод монтажа механический винтовой или пайка

Оставить отзыв

Оценка:
              
Преимущества *
Недостатки *
Комментарий *
Ваше Имя *
Эл. почта *
Введите текст с картинки:
* Поля для обязательного заполнения
Отзыв будет опубликован после проверки модератором
Принимаем заказы на товары,
не вошедшие в каталог

Пришлите маркировку необходимого вам товара.
Мы предоставим Вам наилучшие условия по поставке!

Оформить заявку

Похожие товары

Артикул (ID): ZM-8509
Токоотвод М24 алюминий
Артикул (ID): ZM-8447
Токоотвод М20 алюминий, RUICHI.
  • 53.07 1 шт.
  • 53.07 от 10 шт.
  • 53.07 от 100 шт.
Артикул (ID): ZP-2004
Токоотвод М20 сталь, RUICHI.
  • 59.37 1 шт.
  • 59.37 от 10 шт.
  • 59.37 от 100 шт.
Артикул (ID): KP-1164
Токоотвод М8 сталь, RUICHI
Артикул (ID): KP-1161
Токоотвод М20 алюминий, RUICHI
  • 70 1 шт.
  • 64 от 10 шт.
Артикул (ID): KP-1160
Токоотвод М6 сталь, RUICHI
Артикул (ID): KP-1158
Токоотвод М10 сталь, RUICHI
  • 9 1 шт.
  • 9 от 10 шт.
Артикул (ID): KP-1157
Токоотвод М20 сталь, RUICHI
  • 56 1 шт.
  • 52 от 10 шт.
Артикул (ID): TO-2735
Токоотвод М24 алюминий, RUICHI
Артикул (ID): ZM-9908
Токоотвод М10 сталь, RUICHI..
  • 11.42 1 шт.
  • 11.42 от 10 шт.
  • 11.42 от 100 шт.
Артикул (ID): SN-7958
Уценка Токоотвод М20 алюминий
  • 38 1 шт.
  • 36 от 10 шт.
Артикул (ID): SN-7955
Токоотвод М16 медь
  • 34 1 шт.
Артикул (ID): SN-7954
Уценка Токоотвод М20 медь
  • 54 1 шт.
  • 49 от 10 шт.
Артикул (ID): SN-7953
Токоотвод М10 медь
  • 49 1 шт.
  • 45 от 5 шт.
Артикул (ID): SN-7952
Токоотвод М20 медь.
  • 52 1 шт.

Недавно просмотренные товары

Принимаем к оплате
IP Electron в соцсетях