74 014 товаров в наличии и на заказ

Электронные компоненты и расходные материалы

$
Настройка отображения валюты
Полный каталог
Скидка на Конденсаторы
-20%

ПС2-6 6 пар, 2 ряда, 12 контактов, шаг 12mm, 5A(Ампер) 1000V(Вольт) Плата соединительная, карболит ГОСТ 28821-90. (арт. BV-6361)

No name USSR; " 1" - ОТК; под винт М3; клеммная колодка, клеммная плата; 4ПМ..., 4ПС…, ПС...

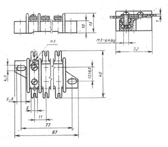
ПC2-6 12 контактов - Плата соединительная, карболит. ПС - обозначение типа: ПС - плата соединительная; 2 - цифра, определяющая на типоразмер платы; 6 - число, указывающая на количество пар контактов. Предназначена для соединения электрических цепей постоянного, переменного и импульсного тока при внутреннем объёмном монтаже радиоэлектронной аппаратуры. Соединительные платы используются как промежуточные переходные элементы для электрического соединения узлов и блоков аппаратуры общепромышленного и специального назначения. Вся дополнительная информация находится во вложении на товар, см. pdf – файл.

Подробнее
Заметили
ошибку ?
Сообщите нам

Общая информация

Наименование ПС2-6 6 пар, 2 ряда, 12 контактов, шаг 12mm, 5A(Ампер) 1000V(Вольт) Плата соединительная, карболит ГОСТ 28821-90.
Торговая марка No name USSR
Страна изготовления СССР
Нормы и требования ГОСТ 28821-90, ОСТ 107.680225.001-86
Вид приемки i "1"- ОТК
Масса изделия, гр 60,09
Дата изготовленияi 1976-1991
Наличие паспорта - этикетки нет
Транслитерация PS2-6 6 pairs, 2 rows, 12 contacts, pitch 12mm, 5A(Ampere) 1000V(Volt) Connecting board, carbonite GOST 28821-90.
Состояние упаковки самоупаковка

Основные параметры

Функциональная группа Установочные изделия
Функциональный тип платы монтажные, соединительные
Серия плат ПС2
Способ подключения проводов под винт М3
Вид контактов лепесток
Количество контактов 12
Материал контактов латунь
Покрытие контактов лужение
Количество пар контактов 6
Количество рядов контактов 2
Шаг контактов в ряду 11 mm
Шаг между рядами контактов 12 mm
Метод монтажа механический на панель
Метод монтажа электрический пайка
Диаметр установочного отверстия 4,5 mm
Установочные размеры 77 mm расстояние между монтажными отверстиями
Материал изолятора карболит (фенопласт)
Габаритные размеры L*W*H 87х40х15 mm
Длина корпуса 87 mm
Ширина корпуса 30 mm
Цвет платы коричневый
Тип платы односторонняя
Основание жесткое
Наличие прокладки для платы нет
Фактическая маркировка ПС2-6
Рабочее положение любое
Аналогичные серии 4ПМ..., 4ПС…, ПС...
Другие наименования клеммная колодка, клеммная плата

Технические характеристики

Рабочее напряжение, max 1000 V
Рабочий ток, max 5 A

Условия эксплуатации

Интервал рабочих температур от -60 до +100°С
Климатическое исполнениеi УХЛ
Загрузка...
Принимаем заказы на товары,
не вошедшие в каталог

Пришлите маркировку необходимого вам товара.
Мы предоставим Вам наилучшие условия по поставке!

Оформить заявку

Похожие товары

Артикул (ID): TD-3995
3ПС21-10 10 пар, 2 ряда, 20 контактов, шаг 13mm, 20A(Ампер) 600V(Вольт) Плата соединительная, карболит ГОСТ 28821-90.
  • 1575 1 шт.
Артикул (ID): ZT-3836
3ПС19-10 10 контактов, шаг 9,5mm, 10A(Ампер) 600V(Вольт) Плата соединительная, карболит ГОСТ 28821-90
  • 47.43 1 шт.
Артикул (ID): KK-12041
3ПС5-10|||1991||копия этикетки
  • 40.8 1 шт.
Артикул (ID): ZQ-8527
ПС3-6 1 ряд, 6 контактов, шаг 3,5 mm, 5 А (Ампер), 600 V (Вольт) Плата соединительная, карболит
  • 80.37 1 шт.
Артикул (ID): KK-13646
3ПМ25-5|карб.||1991|Термопласт|з/уп
  • 76.5 1 шт.
Артикул (ID): CC-09479
Интерфейсная плата 7820000404 RS HNY-DIDO-DSUB- ADPT RU
  • 760.84 1 шт.
Артикул (ID): CC-09492
Интерфейсная плата 7820000709 RS 16DO- FBM242 HP RU
  • 1689.07 1 шт.
Артикул (ID): CC-09538
Интерфейсная плата 7828544446 RS 8AI PWR RU
  • 2282.53 1 шт.
Артикул (ID): CC-09745
Монтажная плата 2502540000 WPD 130 1X50/1X50 BL
  • 131.88 1 шт.
Артикул (ID): CC-09818
Печатная плата 1171090000 SAMPLE LP CH20M6
  • 362.31 1 шт.
Артикул (ID): CC-09840
Печатная плата 7508002111 2PR23798A
  • 362.31 1 шт.
Артикул (ID): CC-07415
Разъём 3ПС19-6
  • 33.72 1 шт.
Артикул (ID): CC-07416
Разъём 3ПМ22-5
  • 64.23 1 шт.
Артикул (ID): CC-11394
Разъём 3ПС18-12
  • 84.67 1 шт.
Артикул (ID): CC-11395
Разъём 3ПМ25-5
  • 126.11 1 шт.

Недавно просмотренные товары

Принимаем к оплате
IP Electron в соцсетях