74 103 товаров в наличии и на заказ

Электронные компоненты и расходные материалы

$
Настройка отображения валюты
Полный каталог
Скидка на Конденсаторы
-20%

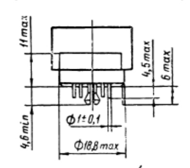
ПЛ9-3П Панель ламповая (арт. BV-4817)

Панель ламповая ПЛ9-3П - керамическая для установки 9 - штырьковых пальчиковых ламп. Вся дополнительная информация находится во вложении на товар, см. pdf - файл.

Подробнее
Заметили
ошибку ?
Сообщите нам

Общая информация

Наименование ПЛ9-3П Панель ламповая
Торговая марка АО «НПП Кузбассрадио»
Страна происхождения СССР
Дата выпуска дата не указана
Масса изделия, гр 4,06
Состояние упаковки самоупаковка
Наличие паспорта - этикетки нет
Транслитерация PL9-3P Lamp Panel

Основные параметры

Типономинал / Типоконструкция 9 контактный
Материал корпуса пластик
Фактическая маркировка отсутствует
Метод монтажа печатный
Рабочее положение любое
Цвет изделия черный
Габаритные размеры L*W*H 18,6х22х10,8 mm
Загрузка...
Принимаем заказы на товары,
не вошедшие в каталог

Пришлите маркировку необходимого вам товара.
Мы предоставим Вам наилучшие условия по поставке!

Оформить заявку

Недавно просмотренные товары

Принимаем к оплате
IP Electron в соцсетях