68 198 товаров в наличии и на заказ

Электронные компоненты и расходные материалы

$
Настройка отображения валюты
Полный каталог
Скидка на Резисторы переменные (Потенциометры)
-20%

МИТ-16В Трансформатор импульсный малогабаритный, АГ0 472.302 ТУ (арт. TN-4821)

" 1" - ОТК; трансформатор импульсный; ОАО «Георгиевский трансформаторный завод»

МИТ-16В Трансформатор импульсный малогабаритный во всеклиматическом исполнении для печатного монтажа с длительностью импульса не более 4 мкс и частотой повторения импульса до 10000 Гц. Расшифровка МИТ-16В: М - малогабаритный, И - импульсный, Т - трансформатор; 16 - порядковый номер разработки; В - обозначение всеклиматического исполнения «В». Предназначен для работы в радиотехнической аппаратуре, в аппаратуре автоматики и связи, в электроприводах для управления тиристорами, а также в устройствах вторичного электропитания. Вся дополнительная информация находится во вложении на товар, см. pdf - файл.

Подробнее
Заметили
ошибку ?
Сообщите нам

Общая информация

Наименование МИТ-16В Трансформатор импульсный малогабаритный, АГ0 472.302 ТУ
Торговая марка ОАО «Георгиевский трансформаторный завод»
Страна изготовления СССР
Нормы и требования АГ0 472.302ТУ
Вид приемки i "1"- ОТК
Масса изделия, гр 14
Дата изготовленияi 1976-1991
Наличие паспорта - этикетки нет
Транслитерация MIT-2V Pulse transformer, AG0 472.302TU
Состояние упаковки самоупаковка

Основные параметры

Функциональная группа трансформаторы
Функциональный тип трансформатор импульсный
Серия трансформатора МИТ
Тип магнитопровода ленточный магнитопровод
Наличие радиатора без радиатора
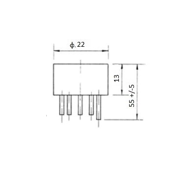
Установочные размеры 13,4 mm расстояние между монтажными отверстиями
Диаметр установочного отверстия 0,9 mm
Метод монтажа механический в плату
Метод монтажа электрический пайка
Тип крепления пайка
Габаритные размеры L*W*H 22х16х52 mm
Диаметр корпуса 22 mm
Длина корпуса 22 mm
Ширина корпуса 22 mm
Высота корпуса 16 mm
Длина выводов 36 mm
Материал корпуса аминопласт
Покрытие корпуса без покрытия
Цвет корпуса черный
Фактическая маркировка МИТ-16В
Рабочее положение любое
Другие наименования преобразователь, статическое электромагнитное устройство…

Технические параметры

Рабочая частота 50 Hz
Сопротивление изоляции 5000 MΩ

Условия эксплуатации

Интервал рабочих температур от -60 до +85°C
Климатическое исполнениеi В - всеклиматическое исполнение
Минимальная наработка 100 000 час.
Относительная влажность 98% при температуре +35°С
Макс. срок хранения 25 лет
Загрузка...
Принимаем заказы на товары,
не вошедшие в каталог

Пришлите маркировку необходимого вам товара.
Мы предоставим Вам наилучшие условия по поставке!

Оформить заявку

Похожие товары

Артикул (ID): TN-4823
МИТ-7В Трансформатор импульсный малогабаритный, АГ0 472.302ТУ.
  • 43 1 шт.
Артикул (ID): TN-1269
МИТ-2В Трансформатор импульсный малогабаритный, ИЮ0.472.004ТУ
Артикул (ID): TP-4344
ТПП55-40-400 Трансформатор питания, ОЮ0.471.000ТУ
  • 405 1 шт.
Артикул (ID): ZO-7537
ОСМ1-0.063 380/5-12 Трансформатор силовой, ТУ16-717.137-83
Артикул (ID): KK-15499
ТПР16-3В||5|2013|Стрела|
  • 255 1 шт.
Артикул (ID): BV-3618
ТОТ157 Трансформатор согласующий, ОЮ0.472.010ТУ
  • 265 1 шт.
Артикул (ID): BV-3619
ТОТ157 Трансформатор согласующий, ОЮ0.472.010ТУ.
  • 265 1 шт.
Артикул (ID): ZQ-3545
ОСМ1-0,4У3 Трансформатор силовой, ТУ16-717.137-83
  • 6100.01 1 шт.
Артикул (ID): KK-16496
ТЛ 6|||2026|Мстатор|W з/уп
  • 2890 1 шт.
Артикул (ID): KK-16497
ТР 117-220-400В||5|2012|Айнур|
  • 4760 1 шт.
Артикул (ID): KK-16498
ТР 117-220-400В||5|2014|Айнур|
  • 4760 1 шт.
Артикул (ID): CC-11873
Трансформатор VT-1051B
  • 15.03 1 шт.
Артикул (ID): CC-11875
Трансформатор BALF-SPI-01D3
  • 21.8 1 шт.
Артикул (ID): BV-9302
ТИМ199В Трансформатор импульсный, ОЮ0.472.045ТУ
  • 149.5 1 шт.

Недавно просмотренные товары

Принимаем к оплате
IP Electron в соцсетях