66 949 товаров в наличии и на заказ

Электронные компоненты и расходные материалы

$
Настройка отображения валюты
Полный каталог
Скидка на Устройства защиты
-20%

142ЕН5А Микросхема, бК0.347.098ТУ3 (арт. BV-4915)

Микросхемы 142ЕН5А представляют собой мощные стабилизаторы напряжения с фиксированными выходными напряжениями положительной полярности +5 В и током нагрузки до 3 А. Имеют встроенную защиту от короткого замыкания, защиту от перегрузок по току и от перегрева кристалла. Предназначены для работы в источниках вторичного электропитания радиоэлектронной аппаратуры специального назначения. Расшифровка условного обозначения 142ЕН5А: 1 - полупроводниковая микросхема; 42 - цифры, определяют номер разработки конкретного типа исполнения. В совокупности второй и третий элементы обозначают номер серии; ЕН - стабилизаторы напряжения непрерывные; 5 - цифра определяет условный номер разработки микросхемы в данной серии по определённому функциональному признаку; А - буква указывает на различие микросхем одного типа по электрическим параметрам, исполнению или по температурному диапазону. Вся дополнительная информация находится во вложении на товар, см. pdf – файл

Подробнее
Заметили
ошибку ?
Сообщите нам

Общая информация

Наименование 142ЕН5А Микросхема, бК0.347.098ТУ3
Торговая марка ЗАО Группа-Кремний, Брянск
Страна происхождения СССР
ТУ бК0.347.098ТУ3
Вид приемки i "5"- ВП, ПЗ
Масса изделия, гр 1,95
Дата выпуска 1991
Наличие паспорта - этикетки нет
Транслитерация 142EN5A Microchip, BK0.347.098TU3
Состояние упаковки самоупаковка

Основные параметры

Функциональная группа Интегральная
Функциональный тип трансформатор напряжения
Типоразмер корпуса отечественный 4116.4-3
Вид приемки i "5"- ВП, ПЗ
Фактическая маркировка 12B46
Рабочее положение любое
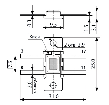
Габаритные размеры L*W*H 25х31х3 mm
Длина корпуса 9,5 mm
Ширина корпуса 9,5 mm
Высота корпуса 3 mm
Количество выводов или контактов 4
Длина выводов 10 mm
Материал выводов, контактов латунь
Покрытие выводов или контактов Au (золото)
Цвет изделия розовый,желтый

Технические характеристики

Входное напряжение 15 V
Выходное напряжение -5±0,1 V
Выходной ток 3 A
Выходной ток, max 3 A
Входное напряжение, max 15 V

Условия эксплуатации

Минимальная наработка 100 000 час.
Интервал рабочих температур от -60 до +125°C

Оставить отзыв

Оценка:
              
Преимущества *
Недостатки *
Комментарий *
Ваше Имя *
Эл. почта *
Введите текст с картинки:
* Поля для обязательного заполнения
Отзыв будет опубликован после проверки модератором
Принимаем заказы на товары,
не вошедшие в каталог

Пришлите маркировку необходимого вам товара.
Мы предоставим Вам наилучшие условия по поставке!

Оформить заявку

Похожие товары

Артикул (ID): SN-7044
142ЕН6А Микросхема,бК0.347.098ТУ5
  • 1700 1 шт.
  • 1573 от 5 шт.
  • 1487 от 10 шт.
Артикул (ID): SN-7048
142ЕН6А Микросхема:
  • 1540 1 шт.
Артикул (ID): SN-9882
142ЕН8В Микросхема
Артикул (ID): TN-67
142ЕН3 Микросхема, 1989г
  • 1700 1 шт.
Артикул (ID): ZP-7561
TS5A3359DCUR Микросхема
  • 57.65 1 шт.
  • 57.65 от 10 шт.
  • 57.65 от 100 шт.
Артикул (ID): ZK-2490
TPS63031DSKR Микросхема
  • 76.22 1 шт.
  • 76.22 от 10 шт.
  • 76.22 от 100 шт.
Артикул (ID): ZP-9822
L78M15ABDT-TR Микросхема
  • 14.12 1 шт.
  • 14.12 от 10 шт.
  • 14.12 от 100 шт.
Артикул (ID): ZK-5213
L7812CV (JSMSEMI) Микросхема
  • 13.11 1 шт.
  • 13.11 от 10 шт.
  • 13.11 от 100 шт.
Артикул (ID): ZL-6427
LM1117IMPX-3.3/NOPB Микросхема
  • 17.82 1 шт.
  • 17.82 от 10 шт.
  • 17.82 от 100 шт.
Артикул (ID): ZP-7518
CD4052BPWR Микросхема
  • 13.98 1 шт.
  • 13.98 от 10 шт.
  • 13.98 от 100 шт.
Артикул (ID): ZK-609
78L05 SOT-23 Микросхема
  • 1.62 1 шт.
  • 1.62 от 10 шт.
  • 1.62 от 100 шт.
Артикул (ID): ZK-9283
LMZ31710RVQR Микросхема
  • 750.53 1 шт.
  • 750.53 от 10 шт.
  • 750.53 от 100 шт.
Артикул (ID): ZP-9021
L78M05ABDT-TR Микросхема
  • 12.47 1 шт.
  • 12.47 от 10 шт.
  • 12.47 от 100 шт.
Артикул (ID): ZP-7427
LMV431AIM5/NOPB Микросхема
  • 25.94 1 шт.
  • 25.94 от 10 шт.
  • 25.94 от 100 шт.

Недавно просмотренные товары

Принимаем к оплате
IP Electron в соцсетях