67 076 товаров в наличии и на заказ

Электронные компоненты и расходные материалы

$
Настройка отображения валюты
Полный каталог
Скидка на Устройства защиты
-20%

РЭК80 ИДЯУ.647611.002-00 27VDC 2 перекл. Реле нейтральное, ИДЯУ.647611.001 ТУ. (арт. TP-1531)

ОАО НПП «Старт», В.Новгород; " 5" - ВП, ПЗ; одна обмотка; закрытое; 8 выводов; в плату; неполяризованное реле, нейтральное электромагнитное реле…; РЭК80, ...

Реле РЭК80 ИДЯУ.647611.002-00 слаботочное, электромагнитное, неполяризованное, герметичное, одностабильное, с двумя переключающими контактами. Предназначено для коммутации электрических цепей постоянного и переменного токов частотой до 10000 Гц. Сопротивление изоляции между токоведущими цепями, в нормальных климатических условиях - не менее 200 МОм. Электрическая прочность изоляции между токоведущими цепями и корпусом - 200 В. Время срабатывания - 2 мс, отпускания - 1,5 мс. Рабочее напряжение - 27 В. Расшифровка условного обозначения: РЭК80 ИДЯУ.647611.002-00 РЭК - реле электромагнитное слаботочное низкочастотное; 80 - порядковый номер разработки; В - климатическое исполнение: В - всеклиматическое (тропическое), УХЛ - не указывается; ИДЯУ.647611.002-00 - исполнение (паспорт) реле в зависимости от электрических параметров, режимов коммутации и конструктивных особенностей. Вся дополнительная информация находится во вложении на товар, см. pdf - файл.

Подробнее
Заметили
ошибку ?
Сообщите нам

Общая информация

Наименование РЭК80 ИДЯУ.647611.002-00 27VDC 2 перекл. Реле нейтральное, ИДЯУ.647611.001 ТУ.
Торговая марка ОАО НПП «Старт», В.Новгород
Страна изготовления РОССИЯ
Нормы и требования ИДЯУ.647611.002-20 ТУ; ГОСТ 16121-86
Дата изготовленияi 2020
Вид приемки i "5"- ВП, ПЗ
Масса изделия, гр 2,07
Транслитерация REK80 IDYA.647611.002-00 27VDC 2 switches. Neutral relay, IDYA.647611.001 TU.
Наличие паспорта - этикетки нет
Состояние упаковки самоупаковка

Основные характеристики

Функциональная группа реле электромагнитное
Функциональный тип Реле нейтральное
Серия реле РЭК80
Исполнение ИДЯУ.647611.002-00
Поляризация неполяризованное
Число и вид контактов 2 перекл.
Количество групп контактов две контактные группы
Тип реле (конструктивное исполнение) закрытое
Количество обмоток одна обмотка
Род тока постоянный
Варианты крепления реле без угольников
Герметичность герметичное
Количество выводов 8 выводов
Материал выводов латунь
Покрытие выводов лужение
Длина выводов 9,5 mm
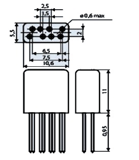
Габаритные размеры L*W*H 10,6х5,5х20,5 mm
Материал корпуса металл
Покрытие корпуса без покрытия
Цвет корпуса серый
Длина корпуса 10,6 mm
Ширина корпуса 5,5 mm
Высота корпуса 11 mm
Метод монтажа механический в плату
Метод монтажа электрический пайка
Фактическая маркировка РЭК80
Рабочее положение любое
Другие наименования неполяризованное реле, нейтральное электромагнитное реле…
Аналогичные серии РЭК80, ...

Технические характеристики

Номинальное напряжение 27 VDC
Номинальное напряжение контактов 27 V
Номинальное напряжение катушки 27 VDC
Сопротивление обмоток 1530 - 1955 Ω
Напряжение срабатывания 14,2 V
Напряжение отпускания 2,21 V
Время срабатывания 2 ms
Время отпускания 1,5 ms
Вид нагрузки активная
Сопротивление изоляции 200 MΩ
Сопротивление контактов не более 0,5 Ω
Электрическая прочность изоляции 200 V
Синусоидальная вибрация: :
- амплитуда ускорения 20 m/c²
- диапазон частот 50-4000 Hz
Электрическая прочность изоляции между токоведущими цепями 200 V
Электрическая прочность изоляции между токоведущими цепями и обмоткой 200 V
Механический удар многократное действие: пиковое ударное ускорение 750 m/c²
Механический удар однократное действие: пиковое ударное ускорение 1500 m/c²

Условия эксплуатации

Интервал рабочих температур от -60 до +125°C
Климатическое исполнениеi УХЛ
Относительная влажность 98% при температуре +35°С
Минимальный срок сохраняемости, лет 20 лет

Оставить отзыв

Оценка:
              
Преимущества *
Недостатки *
Комментарий *
Ваше Имя *
Эл. почта *
Введите текст с картинки:
* Поля для обязательного заполнения
Отзыв будет опубликован после проверки модератором
Принимаем заказы на товары,
не вошедшие в каталог

Пришлите маркировку необходимого вам товара.
Мы предоставим Вам наилучшие условия по поставке!

Оформить заявку

Похожие товары

Артикул (ID): KK-17362
РЭС 49 02.01||5|1989|Ереван|
  • 238 1 шт.
Артикул (ID): KK-17361
РЭС 49 00.01||5|1990|Радиореле|з/уп
  • 108.8 1 шт.
Артикул (ID): SN-4054
РЭК80 ИДЯУ.647611.002-01 15VDC 2 перекл. Реле нейтральное, ИДЯУ.647611.001 ТУ, 2011
Артикул (ID): ZA-3522
РЭС9 РС4.529.029-0701 (РС4.524.209) 2 перекл. 27VDC Реле.
  • 263.52 1 шт.
  • 263.52 от 10 шт.
Артикул (ID): ZA-3731
13F-2 (SCL) 240VAC 10/15A Реле
  • 116.28 1 шт.
  • 116.28 от 10 шт.
  • 116.28 от 100 шт.
Артикул (ID): ZA-3730
13F-2 (SCL) 24VDC 10/15A Реле
  • 121.65 1 шт.
  • 121.65 от 10 шт.
  • 121.65 от 100 шт.
Артикул (ID): ZP-6377
RH32F/005-Z 10A Реле
  • 56.28 1 шт.
  • 56.28 от 10 шт.
  • 56.28 от 100 шт.
Артикул (ID): ZP-8383
REK 77/4-3 Реле
  • 159.56 1 шт.
  • 159.56 от 10 шт.
  • 159.56 от 100 шт.
Артикул (ID): KL-7175
РЭС10 РС4.529.031-03 29VDC 1 перекл. Реле нейтральное, РС0.452.049 ТУ
  • 185 1 шт.
Артикул (ID): KK-17088
РЭС 48Б 201||5|1991|Иркутск|
  • 561 1 шт.
Артикул (ID): SN-4224
РЭС80 ДЛТ4.555.014-01 15VDC 2 перекл. Реле нейтральное, ДЛТ0.455.001 ТУ,
Артикул (ID): KL-6901
РЭК80В ИДЯУ.647611.002-20 27VDC 2 перекл. Реле нейтральное, ИДЯУ.647611.001 ТУ, 2023
  • 3890 1 шт.
Артикул (ID): SN-8028
РЭС80 ДЛТ4.555.014-01 15VDC 2 перекл. Реле нейтральное, ДЛТ0.455.001 ТУ,1996
Артикул (ID): KL-6806
РЭН33 РФ4.510.021-0001 4 перекл. 27VDC Реле, РФ4.510.021 ТУ
  • 3416 1 шт.
Артикул (ID): KK-16984
РЭС 48А 201||5|2024|Иркутск|
  • 1054 1 шт.

Недавно просмотренные товары

Принимаем к оплате
IP Electron в соцсетях