67 065 товаров в наличии и на заказ

Электронные компоненты и расходные материалы

$
Настройка отображения валюты
Полный каталог
Скидка на Конденсаторы
-20%

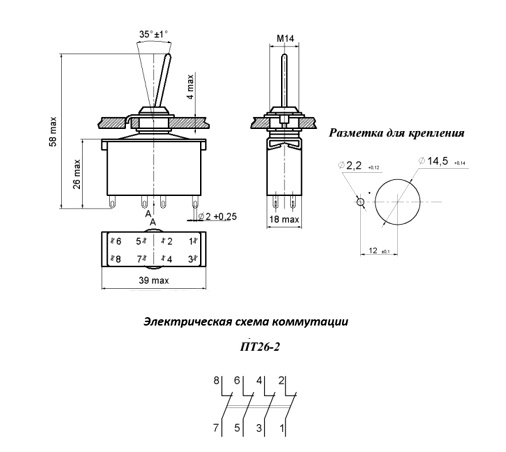
ПТ26-2 on-off, 5A(Ампер) 250V(Вольт) Тумблер четырехполюсный, пайка, АГ0.360.219ТУ, пластмасса (арт. SN-3589)

on-off; 4PDT; АГ0.360.219ТУ

ПТ26-2 Тумблер четырехполюсный – перекидной переключатель с двухпозиционной фиксацией ручки управления. Структура условного обозначения: ПТ – тип тумблера (переключатель тумблерный); 26 – порядковый номер разработки; 2 – конструктивное исполнение; климатическое исполнение – УХЛ (в маркировке не указывается). Предназначен для коммутации электрических цепей постоянного и переменного тока при напряжении не более 250 В и силе тока до 5 А. Применяется в радиоэлектронной аппаратуре общепромышленного и специального назначения. Вся дополнительная информация находится во вложении, см. pdf - файл.

Подробнее
Заметили
ошибку ?
Сообщите нам

Общая информация

Наименование ПТ26-2 on-off, 5A(Ампер) 250V(Вольт) Тумблер четырехполюсный, пайка, АГ0.360.219ТУ, пластмасса
Торговая марка Кузбассрадио
Страна изготовления РОССИЯ
Нормы и требования АГ0.360.219ТУ
Дата изготовленияi 1992-1999
Вид приемки i "1"- ОТК
Масса изделия, гр 19
Наличие паспорта - этикетки нет
Транслитерация PT26-2 on-off, 5A (Amps) 250V (Volts) Four-pole toggle switch, soldering, AG0.360.219TU, plastic
Состояние упаковки самоупаковка

Основные параметры

Функциональная группа Переключатели
Функциональный тип тумблер ручного управления
Серия переключателя ПТ26-2
Число полюсов четырехполюсный
Наличие фиксации есть фиксация
Наличие индикации (цвет) нет индикации
Количество положений 2 положения
Электрическая схема контактовi 4PDT
Электрическая схема коммутации полож.1 (1-2; 3-4; 5-6; 7-8); пол. 2 (-)
Алгоритм работыi on-off
Метод монтажа механический на панель
Метод монтажа электрический пайка
Контакты контакты под пайку
Материал контактов латунь
Покрытие контактов Ag (серебро)
Установочные размеры крепежное отверстие d = 14,5 mm
Диаметр установочного отверстия 14,5 mm
Материал корпуса пластик
Покрытие корпуса без покрытия
Цвет корпуса белый
Цвет толкателя желтый
Материал ручки(кнопки)-толкателя пластмасса
Вид исполнения ручки ручка обычная (длина 28 mm)
Наличие протектора нет
Габаритные размеры L*W*H 39х18х58 mm
Длина корпуса 39 mm
Ширина корпуса 18 mm
Высота корпуса 20,5 mm
Дополнительные характеристики пластмассовый корпус
Фактическая маркировка ПТ26-2
Рабочее положение любое
Другие наименования переключатель, переключатель перекидной, тумблер...
Аналогичные серии ПТ26-2..., ТВ1-4..., ПТ9..., KN5-4...

Технические характеристики

Номинальный ток 5 A
Номинальное напряжение 250 V
Усилие или момент переключения 3,9 - 19,6 N
Максимальная коммутир.мощность 400 W
Сопротивление контактов не более 10 mΩ
Сопротивление изоляции 1000 MΩ
Электрическая прочность изоляции 1100 V

Условия эксплуатации

Степень защиты IPi IP40
Интервал рабочих температур от -60 до +85°C
Климатическое исполнениеi УХЛ
Относительная влажность 98% при температуре +25°С
Макс. срок хранения 10 лет
Ресурс 25000 переключений
Минимальная наработка 10 000 час.

Полные аналоги

Функциональные аналоги

KN5-4 RUICHI, фото
KN5-4 RUICHI
ПТ9-2 ОАО «Смоленский завод радиодеталей», фото
ПТ9-2 ОАО «Смоленский завод радиодеталей»
ПТ9-1 ОАО «Смоленский завод радиодеталей», фото
ПТ9-1 ОАО «Смоленский завод радиодеталей»
ПТ9-2В ОАО «Смоленский завод радиодеталей», фото
ПТ9-2В ОАО «Смоленский завод радиодеталей»
ПТ9-1В ОАО «Смоленский завод радиодеталей», фото
ПТ9-1В ОАО «Смоленский завод радиодеталей»

Возможные аналоги

Оставить отзыв

Оценка:
              
Преимущества *
Недостатки *
Комментарий *
Ваше Имя *
Эл. почта *
Введите текст с картинки:
* Поля для обязательного заполнения
Отзыв будет опубликован после проверки модератором
Принимаем заказы на товары,
не вошедшие в каталог

Пришлите маркировку необходимого вам товара.
Мы предоставим Вам наилучшие условия по поставке!

Оформить заявку

Похожие товары

Артикул (ID): TN-2728
Т3-В on-on, 6A(Ампер) 250V(Вольт) Тумблер двухполюсный, пайка, ВР0.360.007 ТУ, декоративная гайка
  • 266 1 шт.
Артикул (ID): OP-1680
ТВ1-4 off-on, 5A(Ампер) 220V(Вольт) Тумблер четырехполюсный, пайка, УС0.360.075 ТУ, 2007г
  • 284 1 шт.
Артикул (ID): OP-1688
Т3 on-on, 6A(Ампер) 250V(Вольт) Тумблер двухполюсный, пайка, ВР0.360.007 ТУ.
  • 270 1 шт.
Артикул (ID): OP-1524
ПТ26-1 on-off/off-on, 5A(Ампер) 250V(Вольт) Тумблер четырехполюсный, пайка, АГ0.360.219ТУ
  • 891 1 шт.
  • 855 от 5 шт.
Артикул (ID): OP-1546
ТВ1-2 on-off/off-on, 5A(Ампер) 220V(Вольт) Тумблер двухполюсный, пайка, УС0.360.075 ТУ,
  • 342 1 шт.
Артикул (ID): CC-11731
Микротумблер MTS-102-A2 on-on
  • 46.52 1 шт.
Артикул (ID): BV-6783
П2Т-3 on-off-(on), 6A(Ампер) 250V(Вольт) Тумблер двухполюсный, пайка, АГ0.360.406ТУ.
  • 804 1 шт.
Артикул (ID): BV-6784
В-45М on-off, 35A(Ампер) 27V(Вольт) Тумблер однополюсный, винт, ТУ16-526.016-73
  • 1050 1 шт.
Артикул (ID): KK-16604
МТ1|карб.|9|1988|Белово|с креп.
  • 306 1 шт.
Артикул (ID): KK-16605
ПТ57-7-3В||5|1991|Смоленск|с креп.
  • 969 1 шт.
Артикул (ID): BV-6884
Уценка ВН-45 off-(on), 35A(Ампер) 27V(Вольт) Тумблер однополюсный, винт, аналог
  • 235 1 шт.
  • 217 от 10 шт.
Артикул (ID): ZS-6891
KN3(C)-201P on-off Тумблер
  • 72.81 1 шт.
  • 72.81 от 10 шт.
  • 72.81 от 100 шт.
Артикул (ID): ZR-0245
2В-45 20А/27В Тумблер
  • 840 1 шт.
  • 840 от 10 шт.
Артикул (ID): CC-12002
Тумблер ПТ24В
  • 1422.97 1 шт.
Артикул (ID): KK-16666
ПТ25-2В|карб.|5|1992|Смоленск|
  • 799 1 шт.

Недавно просмотренные товары

Принимаем к оплате
IP Electron в соцсетях