66 898 товаров в наличии и на заказ

Электронные компоненты и расходные материалы

$
Настройка отображения валюты
Полный каталог
Скидка на Устройства защиты
-20%

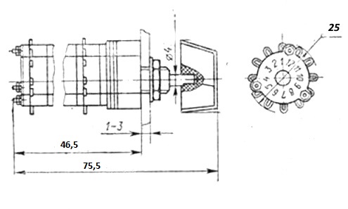
ПГ39-44В 4 положения 12 направлений 0,5A(Ампер) 127V(Вольт) вал ВС-3 (сплошной с прямой лыской) Переключатель галетный, АГ0.360.033ТУ (арт. ZN-9143)

No name Russia; 4 платы (галеты); пластмасса; К (клювик); " 5" - ВП, ПЗ; галетник, поворотный переключатель, многопозиционный переключатель, кулачковый переключатель…; ПГК…, ПГГ…, KTZ…; межплатное расстояние 5 mm

ПГ39-44В переключатель галетный малогабаритный поворотный для объёмного монтажа. Предназначен для коммутации электрических цепей переменного и постоянного тока. Используется для работы в различных видах электро- и радиоаппаратуры специального назначения. Расшифровка: ПГ - переключатель галетный, 39 - порядковый номер разработки, 44 - условный номер типоконструкции переключателя (со сплошной осью), В - всеклиматическое исполнение. У переключателя 4 платы, 4 положения, 12 направлений. Вся дополнительная информация находится во вложении на товар, см. pdf – файл.

Подробнее
Заметили
ошибку ?
Сообщите нам

Общая информация

Наименование ПГ39-44В 4 положения 12 направлений 0,5A(Ампер) 127V(Вольт) вал ВС-3 (сплошной с прямой лыской) Переключатель галетный, АГ0.360.033ТУ
Торговая марка No name Russia
Страна изготовления РОССИЯ
Дата изготовленияi дата не указана
Нормы и требования АГ0.360.033ТУ
Вид приемки i "5"- ВП, ПЗ
Масса изделия, гр 42
Наличие паспорта - этикетки нет
Транслитерация PG39-44V 4 positions 12 directions 0.5A(Ampere) 127V(Volt) shaft VS-3 (solid with straight line) Galetny switch, AG0.360.033TU
Состояние упаковки самоупаковка

Основные параметры

Функциональная группа Переключатели
Функциональный тип Переключатель галетный
Серия переключателя ПГ39
Конструкция переключателя закрытого типа (в корпусе)
Количество направлений 12 направлений
Количество положений 4 положения
Расстояние между платами межплатное расстояние 5 mm
Количество плат (галет) 4 платы (галеты)
Материал галет (плат) пластмасса
Угол поворота, градусы 30
Тип валаi сплошной с прямой лыской (ВС-3)
Форма вала круглая
Диаметр вала (выступающей части) 4 mm
Длина вала (длина выступающей части) 27 mm
Шаг выводов 5 mm
Вид выводов под пайку
Материал выводов латунь
Покрытие выводов (Ag) серебро
Габаритные размеры L*W*H 25х25х75,5 mm
Длина корпуса 54 mm
Ширина корпуса 25 mm
Высота корпуса 25 mm
Материал корпуса пластмасса
Цвет корпуса желтый
Метод монтажа механический на панель (М10х0,75 L=10 mm)
Метод монтажа электрический пайка
Установочные размеры крепежное отверстие d = 8,2 mm
Диаметр установочного отверстия 8,2 mm
Толщина панели 3 mm
Тип ручки К (клювик)
Материал ручки(кнопки)-толкателя бакелит
Фактическая маркировка ПГ39-44В
Аналогичные серии ПГК…, ПГГ…, KTZ…
Другие наименования галетник, поворотный переключатель, многопозиционный переключатель, кулачковый переключатель…

Технические характеристики

Коммутируемое напряжение 127 V
Коммутируемый ток 0,5 А
Максимальная коммутир.мощность 10 W
Усилие или момент переключения 0,0375 – 0,375 N·m
Сопротивление контактов не более 50 mΩ
Сопротивление изоляции 1000 MΩ
Электрическая прочность изоляции 1000 VAC 1min
Электрическая схема контактов галетных переключателей 4 положения 12 направлений
Вид нагрузки активная
Режим работы (род тока) постоянный, переменный

Условия эксплуатации

Климатическое исполнениеi В - всеклиматическое исполнение
Интервал рабочих температур от -60 до +85°C
Ресурс 30000 переключений
Минимальная наработка 10 000 час.
Относительная влажность 98% при температуре +35°С
Атмосферное давление 0,66 -106,6 kPa
Минимальный срок сохраняемости, лет 15 лет

Функциональные аналоги

ПГ39-344В, фото
ПГ39-344В
ПГ39-45В, фото
ПГ39-45В

Возможные аналоги

ПГ39-345В, фото
ПГ39-345В

Оставить отзыв

Оценка:
              
Преимущества *
Недостатки *
Комментарий *
Ваше Имя *
Эл. почта *
Введите текст с картинки:
* Поля для обязательного заполнения
Отзыв будет опубликован после проверки модератором
Принимаем заказы на товары,
не вошедшие в каталог

Пришлите маркировку необходимого вам товара.
Мы предоставим Вам наилучшие условия по поставке!

Оформить заявку

Похожие товары

Артикул (ID): ZU-796
RCL371-4-4-8-16F 8 положений 4 направления 0,5A(Ампер) 30V(Вольт) вал 16mm (F - гладкий сплошной с прямой лыской) Переключатель галетный
  • 608.58 1 шт.
  • 608.58 от 10 шт.
  • 608.58 от 100 шт.
Артикул (ID): KL-7401
SR25P-1-1-6-15F 6 положений 1 направление 0,3A(Ампер) 125V(Вольт) вал 15mm (F - гладкий сплошной с прямой лыской) Переключатель галетный в плату.
  • 78.62 1 шт.
  • 72.41 от 10 шт.
Артикул (ID): KL-7400
SR25N-1-1-5-15F 5 положений 1 направление 0,3A(Ампер) 125V(Вольт) вал 15mm (F - гладкий сплошной с прямой лыской) Переключатель галетный на провод
  • 69.63 1 шт.
  • 64.13 от 10 шт.
Артикул (ID): KK-17209
ПГ3-3П3НВ||5|1992|Лтава|с креп.
  • 136 1 шт.
Артикул (ID): KK-17086
ПГ2-8-12П4НВ|карб.|5|2013|Белово|
  • 3230 1 шт.
Артикул (ID): BV-9450
П2Г3-3П16Н 3 положения 16 направлений 2A(Ампер) 220V(Вольт) вал ОС-6 (гладкий с конической лыской с резьбой) Переключатель галетный, ЦЭ0.360.016 ТУ.
  • 3440 1 шт.
Артикул (ID): BV-9290
RCL371-4-8-6-16F 6 положений 8 направлений 0,5A(Ампер) 30V(Вольт) вал 16mm (F - гладкий сплошной с прямой лыской) Переключатель галетный..
  • 614.7 1 шт.
Артикул (ID): ZN-9541
RCL371-1-4-3-16F 3 положения 4 направления 0,3A(Ампер) 30V(Вольт) вал 16mm (F - гладкий сплошной с прямой лыской) Переключатель галетный.
  • 322.02 1 шт.
  • 322.02 от 10 шт.
  • 322.02 от 100 шт.
Артикул (ID): BV-6365
Уценка ПГК-11П1Н-А 11 положений 1 направление 3A(Ампер) 350V(Вольт) вал ВС-3 (сплошной с прямой лыской) Переключатель галетный, АГ0.360.204ТУ.
  • 315.2 1 шт.
Артикул (ID): KK-16391
МПН-1|||2018|Иркутск|с ручк., в п/эт
  • 612 1 шт.
Артикул (ID): BV-5800
П2Г3-4П3Н 4 положения 3 направления 2A(Ампер) 220V(Вольт) вал ОС-6 (гладкий с конической лыской с резьбой) Переключатель галетный, ЦЭ0.360.016 ТУ
  • 925 1 шт.
Артикул (ID): BV-5793
П2Г3-5П6Н 5 положений 6 направлений 2A(Ампер) 220V(Вольт) вал ОС-6 (гладкий с конической лыской с резьбой) Переключатель галетный, ЦЭ0.360.016 ТУ.2021
Артикул (ID): BV-5788
П2Г3-6П4Н 6 положений 4 направления 2A(Ампер) 220V(Вольт) вал ОС-6 (гладкий с конической лыской с резьбой) Переключатель галетный, ЦЭ0.360.016 ТУ 2021
Артикул (ID): ZM-3070
SR25N-1-1-5-15F 5 положений 1 направление 0,3A(Ампер) 125V(Вольт) вал 15mm (F - гладкий сплошной с прямой лыской) Переключатель галетный на провод.
  • 67.07 1 шт.
  • 67.07 от 10 шт.
  • 67.07 от 100 шт.
Артикул (ID): ZE-297
SR25N-1-1-12-15F 12 положений 1 направление 0,3A(Ампер) 125V(Вольт) вал 15mm (F - гладкий сплошной с прямой лыской) Переключатель галетный на провод
  • 73.98 1 шт.
  • 73.98 от 10 шт.
  • 73.98 от 100 шт.

Недавно просмотренные товары

Принимаем к оплате
IP Electron в соцсетях