70 765 товаров в наличии и на заказ

Электронные компоненты и расходные материалы

$
Настройка отображения валюты
Полный каталог
Скидка на Конденсаторы
-20%

ПМ22-2 под пайку 4A(Ампер) 36VDC(Вольт) 6A(Ампер) 250VAC(Вольт) Микропереключатель. (арт. KT-2208)

on-(on); Кузбассрадио; кнопка

ПМ22-2 – Малогабаритный однополюсный переключатель с одинарным разрывом цепи. Предназначен для коммутации электрических цепей постоянного и переменного тока в радиоэлектронной аппаратуре. Предназначен для объемного монтажа. ПМ22 – тип переключателя, 2 – типономинал, УХЛ – климатическое исполнение. Вся дополнительная информация находится во вложении на товар, см. pdf -файл.

Подробнее
Заметили
ошибку ?
Сообщите нам

Общая информация

Наименование ПМ22-2 под пайку 4A(Ампер) 36VDC(Вольт) 6A(Ампер) 250VAC(Вольт) Микропереключатель.
Торговая марка Кузбассрадио
Страна происхождения РОССИЯ
Нормы и требования АГО.367.201 ТУ
Дата изготовленияi 2000-2009
Вид приемки i "1"- ОТК
Масса изделия, гр 3,5
Транслитерация pm22-2-pod-pajku-4a(amper)-36vdc(volt)-6a(amper)-250vac(volt)-mikropereklyuchatel.
Наличие паспорта - этикетки нет
Вид упаковки картонная коробка (10шт)
Кратность упаковки 10
Состояние упаковки заводская

Основные параметры

Функциональная группа Коммутационные изделия
Функциональный тип микропереключатель
Серия переключателя ПМ
Число полюсов однополюсный
Количество положений 2
Наличие фиксации нет
Количество фиксированных положений 1
Усилие срабатывания 0,78-2,45 N
Усилие обратного срабатывания не менее 0,29 N
Метод монтажа механический на панель, крепление корпуса винтовое
Метод монтажа электрический пайка
Способ присоединения проводов пайка
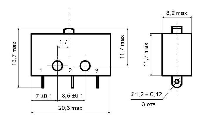
Установочные размеры 8,5 mm расстояние между монтажными отверстиями
Алгоритм работыi on-(on)
Электрическая схема контактов микропереключателей 1 перекл.
Наличие индикации (цвет) нет
Габаритные размеры L*W*H 20,3х8,2х18,7 mm
Высота корпуса 18,7 mm
Длина корпуса 20,3 mm
Ширина корпуса 8,2 mm
Материал корпуса карболит
Вид толкателя кнопка
Рабочий ход толкателя 0,1 - 0,6 mm
Материал ручки(кнопки)-толкателя карболит
Покрытие ручки толкателя без покрытия
Цвет толкателя коричневый
Высота ручки толкателя 2 mm
Вид выводов лепесток
Материал выводов латунь
Покрытие выводов (Ag) серебро
Фактическая маркировка ПМ22-2

Технические характеристики

Номинальный ток 4 A; 6 А;
Номинальное напряжение 36 VDC; 250 VAC
Коммутируемая мощность, max до 300 W
Сопротивление контактов не более 50 mΩ
Сопротивление изоляции 1000 MΩ

Условия эксплуатации

Интервал рабочих температур от -60 до +125°C
Климатическое исполнениеi УХЛ
Относительная влажность 98% при температуре +35°С
Минимальная наработка 10 000 час.
Ресурс 25000 циклов
Макс. срок хранения 10 лет
Загрузка...
Принимаем заказы на товары,
не вошедшие в каталог

Пришлите маркировку необходимого вам товара.
Мы предоставим Вам наилучшие условия по поставке!

Оформить заявку

Похожие товары

Артикул (ID): ZN-8608
2Д701 под пайку кнопка 10A(Ампер) 30VAC(Вольт) 3A(Ампер) 220VAC(Вольт) Микропереключатель.
  • 300 1 шт.
  • 300 от 10 шт.
  • 300 от 100 шт.
Артикул (ID): KK-16663
ПМ22-2В|карб.|5|2013|Белово|
  • 340 1 шт.
Артикул (ID): KK-16661
МП1-1 ( ПМ22-2)|карб.|9|2018|Белово|
  • 408 1 шт.
Артикул (ID): CC-12001
Микропереключатель SM5-03P
  • 15.4 1 шт.
Артикул (ID): CC-11989
Переключатель KW5-OZ-1-E угловой
  • 4.53 1 шт.
Артикул (ID): CC-11885
Микропереключатель DM1-01P-30 125v. 1a
  • 8.46 1 шт.
Артикул (ID): KK-16512
Д701||5|2021|Электроавтомат|з/уп+пасп.
  • 340 1 шт.
Артикул (ID): KK-16511
Д701||5|2020|Электроавтомат|
  • 323 1 шт.
Артикул (ID): CC-11732
Переключатель L-KLS7-SS04-12F23EG7
  • 5.36 1 шт.
Артикул (ID): ZN-8928
Z-15GQ22-B(MJ2-1308) под винт толкатель с роликом 15A(Ампер) 250VAC(Вольт) Микропереключатель
Артикул (ID): ZP-6305
KW3-03 под пайку планка 5A(Ампер) 250VAC(Вольт) Микропереключатель.
  • 17.21 1 шт.
  • 17.21 от 10 шт.
  • 17.21 от 100 шт.
Артикул (ID): BV-4620
МКБ1 под пайку кнопка 2,5A(Ампер) 220V(Вольт) Микропереключатель
Артикул (ID): BV-4449
МП2102 исп.4 под пайку толкатель 2,5A(Ампер) 220VDC(Вольт) 380VAC(Вольт) Микропереключатель, ТУ 16-526.322-78
  • 342 1 шт.
Артикул (ID): BV-3635
ТИ3.603.000Т Микропереключатель 6A(Ампер) 110(Вольт) Микропереключатель,УС0.360.061ТУ
  • 351 1 шт.
  • 328.5 от 5 шт.
Артикул (ID): BV-3627
ЕИ6.721.000 Микропереключатель 6A(Ампер) 110(Вольт) Микропереключатель,УС0.360.061ТУ
  • 270 1 шт.
  • 261 от 5 шт.

Недавно просмотренные товары

Принимаем к оплате
IP Electron в соцсетях