67 076 товаров в наличии и на заказ

Электронные компоненты и расходные материалы

$
Настройка отображения валюты
Полный каталог
Скидка на Устройства защиты
-20%

КТ908А Транзистор, "1" ГЕ3.365.012ТУ (арт. KT-3589)

Транзисторы КТ908А  кремниевые мезапланарные структуры n-p-n переключательные.Применяются в стабилизаторах и преобразователях напряжения, импульсных модуляторах. КТ908А К - буква, обозначает исходный материал, из которого изготовлен транзистор и его категорию качества- кремниевый транзистор категории качества «ОТК»; Т - буква, определяющая класс или подгруппу полупроводниковых приборов- биполярный транзистор; 9 - буква, обозначающая функциональное назначение - транзистор большой мощности с максимальной рассеиваемой мощностью более 1,5 Вт и граничной частотой коэффициента передачи тока или максимальной рекомендуемой частотой более 300 МГц; 08 - число, указывающее на порядковый номер разработки транзистора; А - буква, определяющая классификацию транзисторов по параметрам, изготовленных по единому технологическому процессу. Вся дополнительная информация находится во вложении на товар, см. pdf -файл.

Подробнее
Заметили
ошибку ?
Сообщите нам

Общая информация

Наименование КТ908А Транзистор, "1" ГЕ3.365.012ТУ
Торговая марка АО ЭЛЕКТРОНПРИБОР, Фрязино
Страна происхождения СССР
ТУ ГЕ3.365.012ТУ
Вид приемки i "1"- ОТК
Масса изделия, гр 19,5
Дата выпуска 1980-1981
Наличие паспорта - этикетки нет
Транслитерация KT908A Transistor, GE3.365.012TU
Состояние упаковки самоупаковка

Основные параметры

Функциональная группа Транзисторы
Функциональный тип биполярный
Типоразмер корпуса отечественный КТ-18
Типоразмер корпуса КТЮ-3-20
Фактическая маркировка КТ908А
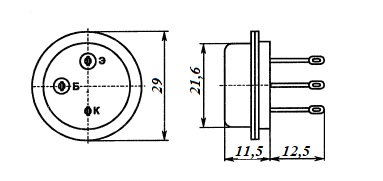
Габаритные размеры L*W*H 29х29х25 mm
Высота корпуса 12,2 mm
Тип вывода жесткий
Длина выводов 13,4 mm
Покрытие выводов или контактов лужение
Материал корпуса металл со стеклянными изоляторами
Метод монтажа ТНТ (выводной)
Комплектность без фланца

Технические характеристики

Макс. обратный ток 25 mA
Макс. мощность рассеивания 50 W
Макс. допустимое напряжение эммитер-база Uэб 5 V
Макс. допустимое напряжение коллектор-база Uкб 100 V
Макс. допустимое напряжение коллектор-эмиттер Uкэ 65 V
Макс. допустимый постоянный ток коллектора 10 A
Статический коэффициент передачи тока 8-60
Структура n-p-n

Оставить отзыв

Оценка:
              
Преимущества *
Недостатки *
Комментарий *
Ваше Имя *
Эл. почта *
Введите текст с картинки:
* Поля для обязательного заполнения
Отзыв будет опубликован после проверки модератором
Принимаем заказы на товары,
не вошедшие в каталог

Пришлите маркировку необходимого вам товара.
Мы предоставим Вам наилучшие условия по поставке!

Оформить заявку

Похожие товары

Недавно просмотренные товары

Принимаем к оплате
IP Electron в соцсетях