67 057 товаров в наличии и на заказ

Электронные компоненты и расходные материалы

$
Настройка отображения валюты
Полный каталог
Скидка на Устройства защиты
-20%

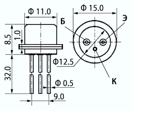
КТ602Б Транзистор, Au (арт. SN-6828)

Транзисторы КТ602Б кремниевые эпитаксиально-планарные структуры n-p-n усилительные. Предназначены для генерирования и усиления сигналов в электронной аппаратуре общего назначения. Выпускаются в металлостеклянном корпусе с гибкими выводами.Покрытие выводов или контактов Au. Расшифровка маркировки биполярного транзистора: КТ602Б К-буква, обозначает исходный материал, из которого изготовлен транзистор и его категорию качества, где К - кремниевый транзистор категории качества «ОТК»; Т - буква, определяющая класс или подгруппу полупроводниковых приборов, где Т - биполярный транзистор; 6 - буква, обозначающая функциональное назначение, где 6 - транзистор средней мощности с максимальной рассеиваемой мощностью от 0,3 до 1,5 Вт и граничной частотой коэффициента передачи тока или максимальной рабочей частотой более 300 МГц; 02 - число, указывающее на порядковый номер разработки транзистора; Б - буква, определяющая классификацию по параметрам. Вся дополнительная информация находится во вложении на товар, см. pdf - файл.

Подробнее
Заметили
ошибку ?
Сообщите нам

Общая информация

Наименование КТ602Б Транзистор, Au
Торговая марка Воронежский з-д радиодеталей
Страна происхождения РОССИЯ
ТУ ЩБ3.365.037ТУ
Вид приемки i "1"- ОТК
Масса изделия, гр 3,23
Дата выпуска 1978-1980
Наличие паспорта - этикетки нет
Транслитерация Transistor KT602B
Вид упаковки самоупаковка

Основные параметры

Функциональная группа Транзисторы биполярные
Функциональный тип Полупроводники
Типоразмер корпуса отечественный КТЮ-3-9
Фактическая маркировка КТ602Б
Габаритные размеры L*W*H 14,5х40
Высота корпуса 8 mm
Тип вывода гибкий
Длина выводов 32 mm
Покрытие выводов или контактов Au (золото)
Материал выводов, контактов латунь
Материал корпуса металлостеклянный
Метод монтажа THT (выводной)

Технические характеристики

Макс. обратный ток не более 70 µA
Макс. мощность рассеивания 0,85 W
Макс. допустимое напряжение эммитер-база Uэб 5 V
Макс. допустимое напряжение коллектор-база Uкб 120 V
Макс. допустимый постоянный ток коллектора 75 mA
Статический коэффициент передачи тока более 50
Структура n-p-n

Оставить отзыв

Оценка:
              
Преимущества *
Недостатки *
Комментарий *
Ваше Имя *
Эл. почта *
Введите текст с картинки:
* Поля для обязательного заполнения
Отзыв будет опубликован после проверки модератором
Принимаем заказы на товары,
не вошедшие в каталог

Пришлите маркировку необходимого вам товара.
Мы предоставим Вам наилучшие условия по поставке!

Оформить заявку

Похожие товары

Артикул (ID): KK-17150
2Т 709 А|||2004|Кремний|
  • 212.5 1 шт.
Артикул (ID): KK-17149
2Т 709 А|||1991|Кремний|
  • 212.5 1 шт.
Артикул (ID): KL-7180
КТ3123ВМ КТ-29 Транзистор, аА0.336.415ТУ
  • 50 1 шт.
Артикул (ID): ZK-7679
STB6NK60ZT4 Транзистор
  • 100.97 1 шт.
  • 100.97 от 10 шт.
  • 100.97 от 100 шт.
Артикул (ID): ZQ-1959
FF200R12KT4HOSA1 Транзистор
  • 7516.94 1 шт.
  • 7516.94 от 10 шт.
Артикул (ID): ZP-9381
BC857A Транзистор
  • 0.78 1 шт.
  • 0.78 от 10 шт.
  • 0.78 от 100 шт.
Артикул (ID): KK-17103
2Т 830 А|Ni||1993|Кремний|копия этик.
  • 56.1 1 шт.
Артикул (ID): KK-17102
2Т 808 А|||1992|Искра|п/п 2000г,з/уп,с фланц.
  • 374 1 шт.
Артикул (ID): KK-17101
2Т 808 А|||1992|Искра|п/п 1998г,з/уп,с фланц.
  • 374 1 шт.
Артикул (ID): KK-17100
2Т 808 А|||1992|Искра|п/п 1997г,з/уп,с фланц.
  • 374 1 шт.
Артикул (ID): KK-17099
2Т 803 А|||1992|Искра|п/п 2003г,з/уп,с фланц.
  • 408 1 шт.
Артикул (ID): KK-17098
2Т 803 А|||1992|Искра|п/п 2000г,з/уп,с фланц.
  • 408 1 шт.
Артикул (ID): KK-17097
2Т 803 А|||1992|Искра|п/п 1998г,з/уп,с фланц.
  • 408 1 шт.
Артикул (ID): KK-17096
2Т 312 А|Au||2007|Электр-ка|з/уп
  • 221 1 шт.
Артикул (ID): ZM-1106
2Т904А Транзистор
  • 922.32 1 шт.

Недавно просмотренные товары

Принимаем к оплате
IP Electron в соцсетях