67 523 товаров в наличии и на заказ

Электронные компоненты и расходные материалы

$
Настройка отображения валюты
Полный каталог
Скидка на Конденсаторы
-20%

КТ3117А Транзистор , аА0.336.262ТУ (арт. BV-2402)

Транзистор КТ3117А биполярный, кремниевый, эпитаксиально-планарный, структуры p-n-p, импульсный высокочастотный. Предназначен для применения в оперативных и постоянных запоминающих устройствах. Расшифровка маркировки: КТ3117А К - кремниевый транзистор категории качества «ОТК»; Т - биполярный транзистор; 3 - транзистор малой мощности - с максимальной рассеиваемой мощностью не более 0,3 Вт и граничной частотой коэффициента передачи тока или максимальной рабочей частотой более 300 МГц; 117 - число, указывающее на порядковый номер разработки транзистора; А - буква, определяющая классификацию транзисторов по параметрам, изготовленных по единому технологическому процессу. Вся дополнительная информация находится во влажении на товар, см. pdf-файл.

Подробнее
Заметили
ошибку ?
Сообщите нам

Общая информация

Наименование КТ3117А Транзистор , аА0.336.262ТУ
Торговая марка No name USSR
Страна происхождения СССР
ТУ АА0.336.262 ТУ
Вид приемки i "1"- ОТК
Транслитерация KT3117A Transistor , aA0.336.262TU
Состояние упаковки самоупаковка

Основные параметры

Функциональный тип биполярный
Типоразмер корпуса отечественный КТ-26
Типоразмер корпуса ТО-92
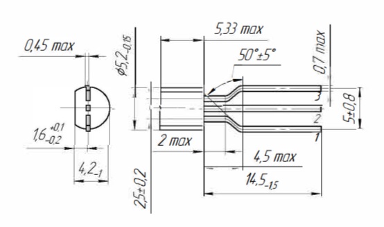
Габаритные размеры L*W*H 5,2х18,5 mm
Высота корпуса 5,2 mm
Тип вывода гибкий
Длина выводов 14,5 mm
Материал корпуса пластмасса

Технические характеристики

Макс. обратный ток 10 µA
Макс. мощность рассеивания 0,5 W
Макс. допустимое напряжение эммитер-база Uэб 4 V
Макс. допустимое напряжение коллектор-база Uкб 60 V
Макс. допустимое напряжение коллектор-эмиттер Uкэ 60 V
Макс. допустимый постоянный ток коллектора 400 mA
Статический коэффициент передачи тока 40-200
Структура n-p-n

Условия эксплуатации

Интервал рабочих температур от -45 до +85°C
Загрузка...
Принимаем заказы на товары,
не вошедшие в каталог

Пришлите маркировку необходимого вам товара.
Мы предоставим Вам наилучшие условия по поставке!

Оформить заявку

Похожие товары

Артикул (ID): ZK-5060
IRFP450 Транзистор
  • 106.74 1 шт.
  • 106.74 от 10 шт.
  • 106.74 от 100 шт.
Артикул (ID): KK-16676
2Т 819 А|||1992|Кремний|
  • 119 1 шт.
Артикул (ID): KK-16675
2Т 819 А|||1991|Кремний|
  • 119 1 шт.
Артикул (ID): ZM-2941
2Т827Б Транзистор, 200*г,
  • 579.75 1 шт.
  • 579.75 от 10 шт.
Артикул (ID): ZA-4580
2Т603А Транзистор
  • 658.8 1 шт.
  • 658.8 от 10 шт.
Артикул (ID): CC-12174
Транзистор DDA143TU-7-F
  • 8.18 1 шт.
Артикул (ID): CC-12172
Транзистор KSC2331
  • 1.12 1 шт.
Артикул (ID): CC-12171
Транзистор IRF360
  • 132.51 1 шт.
Артикул (ID): ZD-222
STGP19NC60HD Транзистор
  • 270.66 1 шт.
  • 270.66 от 10 шт.
  • 270.66 от 100 шт.
Артикул (ID): KK-16621
2Т 830 В|Au||2013|Кремний|копия пасп.
  • 306 1 шт.
Артикул (ID): KK-16620
2Т 664 А9|Ni||2020|Кремний|з/уп,на ленте
  • 289 1 шт.
Артикул (ID): KK-16619
КТ 502 А|||2000|Элекс|этик.+пасп.
  • 3.4 1 шт.
Артикул (ID): KK-16618
2Т 331 Б-1|||2008|Прохладный|копия этик.+пасп.
  • 44.2 1 шт.
Артикул (ID): CC-12054
Транзистор BC847B.215
  • 0.94 1 шт.
Артикул (ID): ZK-4710
SIHG20N50C-E3 Транзистор
  • 152.88 1 шт.
  • 152.88 от 10 шт.
  • 152.88 от 100 шт.

Недавно просмотренные товары

Принимаем к оплате
IP Electron в соцсетях