66 585 товаров в наличии и на заказ

Электронные компоненты и расходные материалы

$
Настройка отображения валюты
Полный каталог
Скидка на  Соединители
-20%

КД213Б 10А 200В КД-23 Диод выпрямительный, аА0.336.176ТУ(арт. OP-2382)

Диоды КД213Б кремниевые, выпрямительные, средней мощности, диффузионные. Предназначены для преобразования переменного напряжения частотой до 100 кГц. Используются для работы в выпрямительных устройствах радиоэлектронной аппаратуры общего назначения. Расшифровка маркировки КД213Б: К - кремниевый диод категории качества «ОТК»;  Д - диоды выпрямительные и импульсные; 2 - выпрямительные диоды с постоянным или средним значением прямого тока более 0,3 А, но не свыше 10 А; 13 - число, обозначающее порядковый номер разработки; Б - буква, определяющая классификацию в зависимости от эксплуатационных характеристик выпрямительного диода. Вся дополнительная информация находится во вложении на товар, см. pdf – файл

Подробнее
Заметили
ошибку ?
Сообщите нам

Общая информация

Наименование КД213Б 10А 200В КД-23 Диод выпрямительный, аА0.336.176ТУ
Торговая марка ПО Фотон, Ташкент
Страна происхождения СССР
ТУ аА0.336.176ТУ
Вид приемки i "1"- ОТК
Масса изделия, гр 4
Дата выпуска 1982-1987
Наличие паспорта - этикетки нет
Транслитерация KD213B 10A 200V KD-23 Rectifier diode, aA0.336.176TU
Состояние упаковки самоупаковка

Основные параметры

Функциональная группа Диод выпрямительный
Фактическая маркировка КД213Б
Типоразмер корпуса отечественный КД-23
Тип вывода гибкий
Метод монтажа объемный
Рабочее положение любое
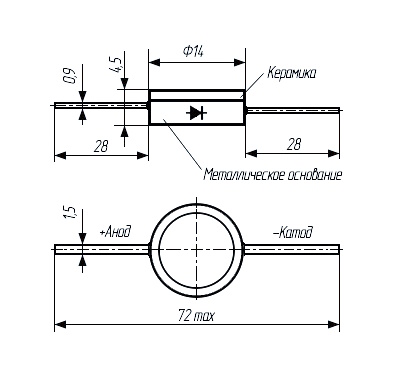
Габаритные размеры L*W*H 72x14x14 mm
Высота корпуса 4,5 mm
Материал выводов, контактов латунь
Покрытие выводов или контактов лужение

Технические характеристики

Рабочая частота 100 kHz
Максимальное время восстановления 0,17 µs
Максимальный прямой ток 10 А
Макс. допустимый прямой импульсный ток 100 А
Макс. обратный ток 200 µA
При I пр. 10 А
Макс. постоянное обратное напряжение 200 V
Макс. импульсное обратное напряжение 200 V
Макс. прямое напряжение 1,2 V

Условия эксплуатации

Интервал рабочих температур от -60 до +125°C
Климатическое исполнениеi УХЛ
Загрузка...
Принимаем заказы на товары,
не вошедшие в каталог

Пришлите маркировку необходимого вам товара.
Мы предоставим Вам наилучшие условия по поставке!

Оформить заявку

Похожие товары

Артикул (ID): ZK-1069
1N5408G Диод
  • 6.68 1 шт.
  • 5.57 от 10 шт.
  • 5.57 от 100 шт.
Артикул (ID): ZK-7079
STTH5R06B-TR Диод выпрямительный
  • 70.22 1 шт.
  • 58.52 от 10 шт.
  • 58.52 от 100 шт.
Артикул (ID): BV-2369
2Д215В1 2А 600В КД-29С Диод выпрямительный, ТР3.362.095ТУ
  • 900 1 шт.
Артикул (ID): ZK-3406
BAS16 (HXY) Диод выпрямительный
  • 0.97 1 шт.
  • 0.81 от 10 шт.
  • 0.81 от 100 шт.
Артикул (ID): ZP-3670
VS-UFB280FA40 Диод выпрямительный
  • 5398.33 1 шт.
  • 4498.61 от 10 шт.
Артикул (ID): ZP-3667
S5M Диод выпрямительный
  • 5.06 1 шт.
  • 4.22 от 10 шт.
  • 4.22 от 100 шт.
Артикул (ID): ZP-3666
1N4007 M7 Диод выпрямительный
  • 0.67 1 шт.
  • 0.56 от 10 шт.
  • 0.56 от 100 шт.
Артикул (ID): ZA-9336
КД202Д Диод выпрямительный
  • 56.03 1 шт.
Артикул (ID): KK-14857
2Д 212 Б|||2016|Орбита|з/уп
  • 216 1 шт.
Артикул (ID): ZP-8617
GS1M Диод выпрямительный
  • 0.76 1 шт.
  • 0.63 от 10 шт.
  • 0.63 от 100 шт.
Артикул (ID): ZP-7921
КД203Д Диод выпрямительный
  • 331.87 1 шт.
Артикул (ID): BV-2280
Д243Б 5А 200В D05 Диод выпрямительный, 6341-053-07619062-08 ТУ
  • 255.3 1 шт.
  • 235.2 от 10 шт.
Артикул (ID): CC-00934
Диод GS1M
  • 1.01 1 шт.
Артикул (ID): CC-00615
Диод выпрямительный US1M
  • 0.57 1 шт.
Артикул (ID): CC-00613
Диод выпрямительный US1K
  • 2.59 1 шт.
Принимаем к оплате
IP Electron в соцсетях