66 898 товаров в наличии и на заказ

Электронные компоненты и расходные материалы

$
Настройка отображения валюты
Полный каталог
Скидка на Устройства защиты
-20%

КС520В Стабилитрон, пластмасса, ХЫ0.336.000ТУ (арт. TB-9942)

Стабилитроны КС520В кремниевые, диффузионно-сплавные, средней мощности, прецизионные. Предназначены для использования в качестве источников опорного напряжения 20,0 В с высокими требованиями к стабильности напряжения. Применяются для работы в радиотехнических и электронных устройствах общего назначения. Расшифровка маркировки КС520В:  К - кремниевый стабилитрон категории качества «ОТК»;  С - стабилизаторы напряжения; 5 - стабилитроны или стабисторы мощностью от 0,3 до 5 Вт и номинальным напряжением стабилизации от 10 до 100 В; 20 - цифра, указывающая на номинальное напряжение стабилизации - 20 В; В - буквы от А до Я определяют последовательность разработки стабилитрона. Вся дополнительная информация находится во вложении на товар, см. pdf – файл

Подробнее
Заметили
ошибку ?
Сообщите нам

Общая информация

Наименование КС520В Стабилитрон, пластмасса, ХЫ0.336.000ТУ
Торговая марка Саранский завод Московского ВНИИ технической физики и автоматизации, г. Саранск
Страна происхождения СССР
ТУ ХЫ0.336.000ТУ
Вид приемки i "1"- ОТК
Масса изделия, гр 0,8
Дата выпуска 1983
Наличие паспорта - этикетки нет
Транслитерация X520V Zener Diode, Plastic, HY0.336.000TU
Состояние упаковки самоупаковка

Основные параметры

Функциональная группа Полупроводниковый диод
Функциональный тип стабилитрон средней мощности
Фактическая маркировка КС520В
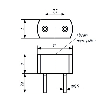
Типоразмер корпуса отечественный КД-26
Тип вывода гибкий
Метод монтажа объёмный
Рабочее положение любое
Габаритные размеры L*W*H 5х11х33 mm
Материал выводов, контактов латунь
Покрытие выводов или контактов лужение
Покрытие корпуса без покрытия

Технические характеристики

Макс. мощность рассеивания 0,5 W
Минимальное напряжение стабилизации 19 V
Номинальное напряжение стабилизации 20 V
Максимальное напряжение стабилизации 21 V
Максимально допустимый ток стабилизации 22 mA
Напряжение стабилизации, от ... до 19...21 V
Дифференциальное сопротивление, не более 120 Ω
Допустимое отклонение ±5%

Условия эксплуатации

Интервал рабочих температур от -60 до +100°С
Климатическое исполнениеi УХЛ 3.1

Оставить отзыв

Оценка:
              
Преимущества *
Недостатки *
Комментарий *
Ваше Имя *
Эл. почта *
Введите текст с картинки:
* Поля для обязательного заполнения
Отзыв будет опубликован после проверки модератором
Принимаем заказы на товары,
не вошедшие в каталог

Пришлите маркировку необходимого вам товара.
Мы предоставим Вам наилучшие условия по поставке!

Оформить заявку

Недавно просмотренные товары

Принимаем к оплате
IP Electron в соцсетях