74 103 товаров в наличии и на заказ

Электронные компоненты и расходные материалы

$
Настройка отображения валюты
Полный каталог
Скидка на Конденсаторы
-20%

2RM090L-8 10kA(Килоампер) 90V(Вольт) Разрядник двухэлектродный (арт. ZK-8550)

Разрядник выводной KUU 2RM090L-8 на статическое напряжение пробоя 90В и током анода в импульсе не более 10kА. Структура условного обозначения: 2R – два электрода; 90 – напряжение пробоя; 10kA - импульсный ток разряда; 10A - ток разряда для переменного напряжения 50 Гц (1c). Газовый разрядник выполнен из двух электродов в корпусе, наполненном инертным газом при регулируемом давлении. Корпус представляет собой керамическую трубку, концы которой закрыты металлическими колпачками, которые также служат электродами. Их основное применение заключается в защите телекоммуникационных линий, но возможны и другие применения. Вся дополнительная информация находится во вложении на товар, см. pdf - файл.

Подробнее
Заметили
ошибку ?
Сообщите нам

Общая информация

Наименование 2RM090L-8 10kA(Килоампер) 90V(Вольт) Разрядник двухэлектродный
Торговая марка KUU
Дата изготовленияi дата не указана
Страна изготовления КИТАЙ

Основные параметры

Функциональная группа Устройства защиты
Функциональный тип Разрядники
Серия разрядников 2R
Тип разрядника газовый
Конструктивное исполнение разрядника выводной
Метод монтажа механический в плату
Метод монтажа электрический пайка
Количество выводов 2
Тип вывода аксиальный
Материал выводов латунь
Покрытие выводов (Ni) никель
Цвет корпуса белый
Материал корпуса металлокерамика
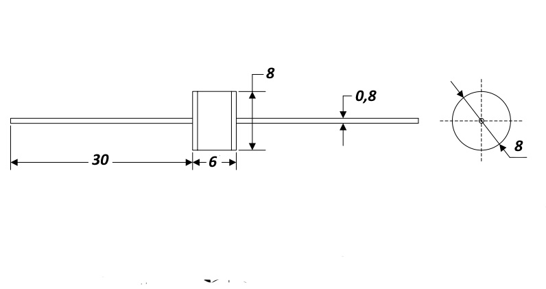
Размеры корпуса L*W*H 8х6 mm
Покрытие корпуса без покрытия
Габаритные размеры L*W*H 66х8 mm

Технические характеристики

Импульсный ток разряда 10 kA
Напряжение пробоя 90 V
Сопротивление изоляции, min 1 GΩ
Межэлектродная емкость max 1,5 mkF

Условия эксплуатации

Интервал рабочих температур от -40 до +90°С
Ресурс 20 импульсов (min)
Загрузка...
Принимаем заказы на товары,
не вошедшие в каталог

Пришлите маркировку необходимого вам товара.
Мы предоставим Вам наилучшие условия по поставке!

Оформить заявку

Похожие товары

Артикул (ID): TM-1429
Р-64 1kA(Килоампер) 900V(Вольт) Разрядник неуправляемый.
  • 1580 1 шт.
Артикул (ID): KP-2
M51A230X (B88069X2930) 5kA(Килоампер) 230V(Вольт) Разрядник двухэлектродный.
  • 18 1 шт.
Артикул (ID): ZX-1347
T83A230X (B88069X8910) 10kA(Килоампер) 230V(Вольт) Разрядник трехэлектродный
  • 49.37 1 шт.
  • 49.37 от 10 шт.
  • 49.37 от 100 шт.
Артикул (ID): ZK-2776
K3RP090L-8 20kA(Килоампер) 90V(Вольт) Разрядник трехэлектродный
  • 79.47 1 шт.
  • 79.47 от 10 шт.
  • 79.47 от 100 шт.
Артикул (ID): KT-4301
A81A150X (B88069X2840) 20kA(Килоампер), 150V(Вольт) Разрядник двухэлектродный
Артикул (ID): CC-11263
Разрядник M51A2500X
  • 11.36 1 шт.
Артикул (ID): CC-11264
Разрядник M51A600X
  • 11.36 1 шт.
Артикул (ID): CC-11265
Разрядник M51C90X
  • 11.36 1 шт.
Артикул (ID): CC-11266
Разрядник EC600X
  • 13.37 1 шт.
Артикул (ID): CC-11267
Разрядник EC800X
  • 13.37 1 шт.
Артикул (ID): CC-11268
Разрядник EC90X
  • 13.37 1 шт.
Артикул (ID): CC-11269
Разрядник EC80-102X
  • 16.81 1 шт.
Артикул (ID): CC-11493
Разрядник EG32-T25x3
  • 25.5 1 шт.
Артикул (ID): CC-11847
Разрядник A81C90X (B88069X1380)
  • 32.14 1 шт.
Артикул (ID): CC-11952
Разрядник L-KLS5-GDTH5560-2R470L
  • 15.46 1 шт.

Недавно просмотренные товары

Принимаем к оплате
IP Electron в соцсетях