58 878 товаров в наличии и на заказ

Электронные компоненты и расходные материалы

$
Настройка отображения валюты
Полный каталог
Скидка на  Переключатели перекидные (Тумблеры)
-20%

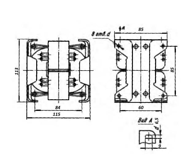
ТА250-127/220-50 Трансформатор питания, ОЮ0.471.001ТУ(арт. TB-9644)

Трансвит, В.Новгород; ПЛ20Х40-60; броневой магнитопровод; трансформатор питания; 210 V*A; " 1" - ОТК; преобразователь, статическое электромагнитное устройство…; -

Трансформатор ТА250-127/220-50 - анодный низковольтный малогабаритный однофазный на напряжение питающей сети 127 и 220 В частотой 50 Гц. Расшифровка маркировки анодного трансформатора питания: ТА250-127/220-50 ТА - тип трансформатора: ТА - трансформатор питания анодных цепей; 250 - порядковый номер разработки; 127/220 - номинальное напряжение питания в вольтах; 50 - рабочая частота питающей сети в герцах; В - климатическое исполнение: «В» - всеклиматическое, отсутствие буквы - исполнение «УХЛ». Предназначен для работы в источниках питания радиоэлектронной аппаратуры общего и специального назначения для питания анодных цепей электровакуумных приборов и устройств на полупроводниковых приборах. Вся дополнительная информация находится во вложении на товар, см. pdf-файл.

Подробнее
Заметили
ошибку ?
Сообщите нам

Общая информация

Наименование ТА250-127/220-50 Трансформатор питания, ОЮ0.471.001ТУ
Торговая марка Трансвит, В.Новгород
Страна изготовления СССР
Вид приемки i "1"- ОТК
Масса изделия, гр 3 900
Дата изготовленияi 1976-1991
Наличие паспорта - этикетки нет
Транслитерация THAT-250-127/220-50 Transformer, VUSHK.671110.001 TU
Вид упаковки картонная коробка
Состояние упаковки заводская

Основные параметры

Функциональная группа трансформаторы
Функциональный тип трансформатор питания
Серия трансформатора ТА
Тип магнитопровода броневой магнитопровод
Типоразмер магнитопровода (сердечника) ПЛ20Х40-60
Наличие радиатора без радиатора
Установочные размеры 60 mm расстояние между монтажными отверстиями
Диаметр установочного отверстия 6,5 mm
Метод монтажа механический винтовой
Тип крепления винтами
Габаритные размеры L*W*H 113х85х115 mm
Длина корпуса 113 mm
Ширина корпуса 85 mm
Высота корпуса 115 mm
Материал корпуса металл
Покрытие корпуса корпус окрашен
Цвет корпуса зеленый
Фактическая маркировка ТА-250-127/220-50
Рабочее положение любое
Другие наименования преобразователь, статическое электромагнитное устройство…

Технические параметры

Рабочая частота 50 Hz
Номинальная мощность 210 V*A
Напряжение сети 127/220 V
Напряжение первичной обмотки 127/220 V
Напряжение вторичной обмотки 60 V
Ток первичной обмотки 1,81 А /1,05 А
КПД 70-85%
Синусоидальная вибрация: :
- амплитуда ускорения 7,5 g
- диапазон частот 5-1000 Hz
Сопротивление изоляции 1000 MΩ
Механический удар многократное действие: пиковое ударное ускорение 150 g
Механический удар многократное действие: длительность действия 1472 ms
Механический удар однократное действие: пиковое ударное ускорение 500 g
Механический удар однократное действие: длительность действия 4905 ms

Условия эксплуатации

Интервал рабочих температур от -60 до +85°C
Климатическое исполнениеi В - всеклиматическое исполнение
Минимальная наработка 12000 час.
Относительная влажность 98% при температуре +40°С
Атмосферное давление до 5мм рт.ст.
Макс. срок хранения 12 лет
Загрузка...
Принимаем заказы на товары,
не вошедшие в каталог

Пришлите маркировку необходимого вам товара.
Мы предоставим Вам наилучшие условия по поставке!

Оформить заявку

Похожие товары

Артикул (ID): ZT-253
ТПП56-40-400 Трансформатор питания, ОЮ0.471.000ТУ
Артикул (ID): ZT-1037
ТПП202-127/220-50 Трансформатор питания, ОЮ0.471.000ТУ
  • 3032.64 1 шт.
Артикул (ID): TP-4344
ТПП55-40-400 Трансформатор питания, ОЮ0.471.000ТУ
  • 450 1 шт.
Артикул (ID): KK-11794
ТА247-220-400||5|1991|АО Трансвит|з/уп
Артикул (ID): TB-9266
ТА88-127/220-50К Трансформатор питания, ОЮ0.471.001ТУ
  • 2390 1 шт.
Артикул (ID): TB-9641
ТА88-127/220-50 Трансформатор питания, ОЮ0.471.001ТУ
  • 2290 1 шт.
Артикул (ID): TB-9642
ТА269-127/220-50 Трансформатор питания, ОЮ0.471.001ТУ
  • 2950 1 шт.
Артикул (ID): TB-9645
ТПП245-127/220-50 Трансформатор питания, ОЮ0.471.000ТУ
  • 1150 1 шт.
Артикул (ID): TB-9647
ТС 180-2 Трансформатор силовой, аФ0.470.081ТУ
  • 4900 1 шт.
Артикул (ID): TB-9646
ТПП258-127/220-50 Трансформатор питания, ОЮ0.471.000ТУ
  • 2590 1 шт.
Артикул (ID): TB-9649
ОСМ1-0,4У3 Трансформатор напряжения, ТУ16-717.173-83
  • 4950 1 шт.
Артикул (ID): ZQ-3545
ОСМ1-04У3 Трансформатор
  • 7200 1 шт.
Артикул (ID): TB-9648
ТПП271-127/220-50 Трансформатор питания, ОЮ0.471.000ТУ
  • 3590 1 шт.
Артикул (ID): ZO-3229
ОСМ1-0.063 220/5-42 Трансформатор
  • 3680.96 1 шт.
Артикул (ID): ZT-5740
ТПК-2 (ТПГ-2) 2x15V (аналог) Трансформатор
  • 277.92 1 шт.
  • 231.6 от 10 шт.
Принимаем к оплате
IP Electron в соцсетях