69 573 товаров в наличии и на заказ

Электронные компоненты и расходные материалы

$
Настройка отображения валюты
Полный каталог
Скидка на Резисторы переменные (Потенциометры)
-20%

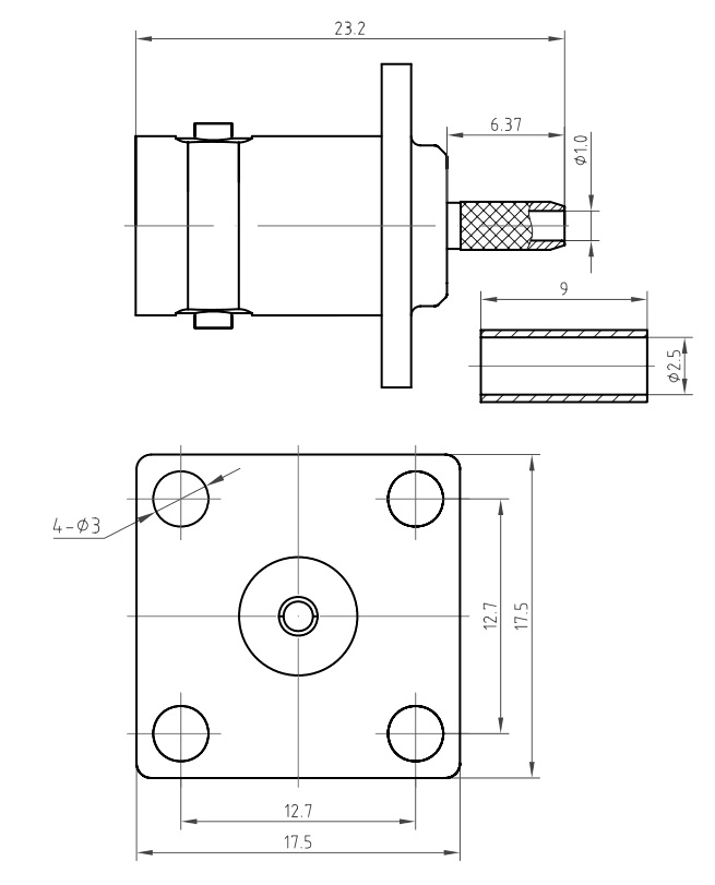
BNC-BJ2 Миниатюрный ВЧ коннектор, RUICHI (арт. ZA-243)

BNC-BJ2 Миниатюрный ВЧ коннектор - это прямой разъем (штекер), который используется для монтажа коаксиального кабеля. Структура условного обозначения: BNC – тип разъема (BNC крепление под обжим или пайкой, универсальный); J – розетка (гнездо). BNC-разъем ограничен в своем использовании по частоте и напряжению. Максимально допустимая частота составляет 4 ГГц, а напряжение должно быть не более 500 В. Вся дополнительная информация находится во вложении на товар, см. pdf – файл.

Подробнее
Заметили
ошибку ?
Сообщите нам

Общая информация

Наименование BNC-BJ2 Миниатюрный ВЧ коннектор, RUICHI
Код ТНВЭД 8536508008
Торговая марка RUICHI
Страна изготовления КИТАЙ
Нормы и требования IEC 2007, IEC 61169-8
Дата изготовленияi дата не указана
Масса изделия, гр 7
Вид упаковки картонная коробка (25шт)
Состояние упаковки заводская
Транслитерация BNC-BJ2 Miniature RF Connector
Наличие паспорта - этикетки нет

Основные параметры

Функциональная группа соединители
Функциональный тип высокочастотный
Серия разъемов BNC
Тип разъема розетка
Типономинал / Типоконструкция блочная
Конструкция корпуса прямая
Материал корпуса латунь
Покрытие корпуса (Ni) никель
Цвет корпуса серый
Тип центрального контакта гнездо
Материал центрального контакта фосфористая бронза
Покрытие центрального контакта Au (золото)
Количество контактов 1
Метод монтажа механический на панель
Метод монтажа электрический обжим
Материал изолятора PTFE (тефлон)
Цвет изолятора белый
Метод сочленения байонетный
Габаритные размеры L*W*H 17,5х17,5х23,2 mm
Фактическая маркировка отсутствует
Рабочее положение любое

Технические характеристики

Номинальное напряжение 1 V
Рабочее напряжение 500 V
Сопротивление контактов не более 1,5 mΩ
Сопротивление изоляции 5000 MΩ
Диапазон рабочих частот 0 - 4 GHz
КСВН (Коэффициент стоячей волны нагрузки) ≤ 1,3

Условия эксплуатации

Интервал рабочих температур от -55 до +155°C
Ресурс 500 циклов
Загрузка...
Принимаем заказы на товары,
не вошедшие в каталог

Пришлите маркировку необходимого вам товара.
Мы предоставим Вам наилучшие условия по поставке!

Оформить заявку

Похожие товары

Артикул (ID): ZA-242
BNC-BJ Миниатюрный ВЧ коннектор, RUICHI
  • 14.18 1 шт.
  • 14.18 от 10 шт.
  • 14.18 от 100 шт.
Артикул (ID): TW-4
BNC-BJ2 Миниатюрный ВЧ коннектор.
  • 131 1 шт.
  • 106 от 10 шт.
Артикул (ID): ZQ-2930
FAKRA TYPE D-J/SMA-P Разъем
  • 75.84 1 шт.
  • 75.84 от 10 шт.
  • 75.84 от 100 шт.
Артикул (ID): ZQ-6565
FAKRA Mini (HFM) 1x2 TYPE Z-P Разъем
  • 166.83 1 шт.
  • 166.83 от 10 шт.
  • 166.83 от 100 шт.
Артикул (ID): ZQ-6540
TNC-RJ Миниатюрный ВЧ коннектор, розетка угловая
  • 127.59 1 шт.
  • 127.59 от 10 шт.
Артикул (ID): ZQ-6541
TNC-BJ1-C59 Миниатюрный ВЧ коннектор, розетка
  • 17.85 1 шт.
  • 17.85 от 10 шт.
  • 17.85 от 100 шт.
Артикул (ID): ZK-9945
BNC-P/SMA-P RG316 50cm Переходник антенный - кабельная сборка
  • 239.91 1 шт.
  • 239.91 от 10 шт.
Артикул (ID): ZK-9935
BNC-P/BNC-P RG58 5m Переходник антенный - кабельная сборка
  • 570.33 1 шт.
  • 570.33 от 10 шт.
Артикул (ID): ZA-400
TNC-C58J Миниатюрный ВЧ коннектор, розетка
  • 57.12 1 шт.
  • 57.12 от 10 шт.
  • 57.12 от 100 шт.
Артикул (ID): ZK-9946
BNC-P/BNC-P RG316 40cm Переходник антенный, кабельная сборка
  • 176.13 1 шт.
  • 176.13 от 10 шт.
  • 176.13 от 100 шт.
Артикул (ID): CC-07279
Разъём BNC-BJ
  • 15.88 1 шт.
Артикул (ID): CC-10507
Разъём высокочастотный BNC-C6P
  • 33.29 1 шт.
Артикул (ID): ZK-9948
BNC-P/BNC-P RG174 15cm Переходник антенный, кабельная сборка
  • 124.4 1 шт.
  • 124.4 от 10 шт.
  • 124.4 от 100 шт.
Артикул (ID): ZP-3079
BNCP-SmAJ Переход антенный, RUICHI
  • 109.98 1 шт.
  • 109.98 от 10 шт.
  • 109.98 от 100 шт.
Артикул (ID): CC-11759
Разъём высокочастотный VLM-73-1W-S+
  • 14979.28 1 шт.

Недавно просмотренные товары

Принимаем к оплате
IP Electron в соцсетях