69 589 товаров в наличии и на заказ

Электронные компоненты и расходные материалы

$
Настройка отображения валюты
Полный каталог
Уважаемые клиенты, обращаем ваше внимание! Цены на сайте указаны без НДС!
Счета выставляются:
  • от ИП Павлов: с НДС 5% сверх цены, указанной на сайте
  • от ООО «Ай Пи Электрон» с 22% НДС сверх цены, указанной на сайте

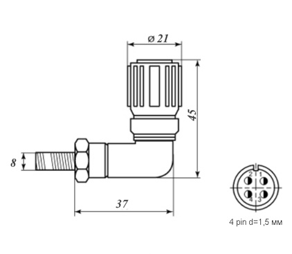
FQ14-4pin TRJ-8 Вилка кабельная, RUICHI(арт. ZQ-2648)

RUICHI; 400 V; К - кабельный; У - угловой патрубок; пружинный хвостовик; объемный; -; 10 A - для контактов Ø 1,5 mm; соединитель, разъем, соединитель электрический...; 2РМ…, 2РМТ..., ОНЦ-РГ-09..., 2PX..., WY..., WS…

FQ14-4pin TRJ-8 Вилка кабельная - соединитель быстроразъемный (байонетный) серии FQ. Разъем для ручного сочленения-расчленения цилиндрический малогабаритный для внутреннего монтажа, соединяют цепи с нагрузкой до 10 А и 400 В. Структура условного обозначения: FQ - серия разъемов; 14 – типоразмер; 4 - количество контактов; TR - тип корпуса (TR- кабельный угловой); J - тип соединителя (J – вилка); 8 - диаметр пружины (8 мм). Разъемы серии FQ являются функциональными аналогами отечественных разъемов серии 2РМ, ОНЦ-РГ-09. Вся дополнительная информация находится во вложении на товар, см. pdf - файл.

Подробнее
Заметили
ошибку ?
Сообщите нам

Общая информация

Наименование FQ14-4pin TRJ-8 Вилка кабельная, RUICHI
Торговая марка RUICHI
Страна изготовления КИТАЙ
Масса изделия, гр 36,5
Дата изготовленияi дата не указана
Транслитерация FQ14-4pin TRJ-8 Cable Plug, Ruichi
Вид упаковки картонная коробка (100шт)
Состояние упаковки заводская

Основные параметры

Функциональная группа соединители
Функциональный тип цилиндрический низкочастотный
Типономинал / Типоконструкция вилка кабельная
Серия разъемов FQ
Условный размер корпуса 14
Количество контактов 4 контакта
Материал контактов Cu (медь)
Покрытие контактов медно-никелевый сплав
Вид корпуса К - кабельный
Вид патрубка У - угловой патрубок
Вид концевой гайки патрубка пружинный хвостовик
Сочетание контактов 4 контакта Ø 1,5 mm
Тип контактов штырь
Форма контактов круглые
Диаметр контактов 4 - Ø 1,5 mm
Контакт извлекаемый да
Наличие уплотнительной втулки нет
Герметичность нет
Метод сочленения байонетный
Метод монтажа механический объемный
Метод монтажа электрический пайка
Материал изолятора термопластик
Цвет изолятора синий
Габаритные размеры L*W*H 21х45х37 mm
Диаметр корпуса 21 mm
Длина корпуса 45 mm
Высота корпуса 37 mm
Материал корпуса алюминиевый сплав
Покрытие корпуса оксидирование
Цвет корпуса серый
Наличие ориентации расположение контактов, паз
Фактическая маркировка отсутствует
Рабочее положение любое
Наличие паспорта - этикетки нет
Взаимосочленение Розетка блочная FQ14-4pin...
Другие наименования соединитель, разъем, соединитель электрический...
Аналогичные серии 2РМ…, 2РМТ..., ОНЦ-РГ-09..., 2PX..., WY..., WS…

Технические характеристики

Рабочее напряжение, max 400 V
Рабочий ток на контакт, max 10 A - для контактов Ø 1,5 mm
Сопротивление контактов не более 2,5 - 5 mΩ
Синусоидальная вибрация: :
- диапазон частот 10-2000 Hz
- амплитуда ускорения 15 g
Акустические шумы: :
Сопротивление изоляции 5000 MΩ
Электрическая прочность изоляции 1000 VAC 1min

Условия эксплуатации

Степень защиты IPi IP67
Интервал рабочих температур от -55 до +85°C
Относительная влажность 96% при температуре +40°С
Атмосферное давление 1 kPa
Ресурс 500 сочленений-расчленений
Загрузка...
Принимаем заказы на товары,
не вошедшие в каталог

Пришлите маркировку необходимого вам товара.
Мы предоставим Вам наилучшие условия по поставке!

Оформить заявку

Похожие товары

Артикул (ID): ZQ-4065
FQ30-55pin ZJ Вилка блочная
  • 713.64 1 шт.
  • 713.64 от 10 шт.
Артикул (ID): ZA-5739
FQ24-5pin TJ-12 Вилка кабельная
  • 426.14 1 шт.
  • 426.14 от 10 шт.
  • 426.14 от 100 шт.
Артикул (ID): ZA-5730
FQ18-5pin ZPJ-8 Вилка блочная
  • 270.74 1 шт.
  • 270.74 от 10 шт.
  • 270.74 от 100 шт.
Артикул (ID): ZE-9106
FQ24-19pin ZK Розетка блочная
  • 367.17 1 шт.
  • 367.17 от 10 шт.
Артикул (ID): ZS-3642
FQ24-19ZK-S Розетка блочная
  • 601.55 1 шт.
  • 601.55 от 10 шт.
Артикул (ID): ZU-792
XS9-3(Zn) panel plug Вилка блочная
  • 58.78 1 шт.
  • 58.78 от 10 шт.
  • 58.78 от 100 шт.
Артикул (ID): ZZ-7138
FQ24-Z-LID
  • 118.68 1 шт.
  • 118.68 от 10 шт.
  • 118.68 от 100 шт.
Артикул (ID): ZQ-2813
FQ18-2pin ZJ Разъем
  • 183.99 1 шт.
  • 183.99 от 10 шт.
Артикул (ID): ZE-9813
FQ18-6pin ZJ Вилка блочная
  • 198.64 1 шт.
  • 198.64 от 10 шт.
  • 198.64 от 100 шт.
Артикул (ID): ZQ-2812
FQ18-2pin TK-8 Разъем
  • 272.61 1 шт.
  • 272.61 от 10 шт.
Артикул (ID): ZE-9109
FQ24-4pin ZK Розетка блочная
  • 295.29 1 шт.
  • 295.29 от 10 шт.
  • 295.29 от 100 шт.
Артикул (ID): ZZ-7134
FQ24-T-LID
  • 85.33 1 шт.
  • 85.33 от 10 шт.
  • 85.33 от 100 шт.
Артикул (ID): ZE-9812
FQ18-6pin TK-8 Розетка кабельная
  • 325.8 1 шт.
  • 325.8 от 10 шт.
  • 325.8 от 100 шт.
Артикул (ID): ZS-3165
SR8-10/MF6P Комплект разъема
  • 529.12 1 шт.
  • 529.12 от 10 шт.
Артикул (ID): ZS-3164
SR12-12/MF7P Комплект разъема
  • 547.8 1 шт.
  • 547.8 от 10 шт.

Недавно просмотренные товары

Принимаем к оплате
IP Electron в соцсетях