59 189 товаров в наличии и на заказ

Электронные компоненты и расходные материалы

$
Настройка отображения валюты
Полный каталог
Скидка на  Переключатели перекидные (Тумблеры)
-20%

Уценка МГК1-1 Гнездо контрольное.(арт. TB-9076)

200 V

Причина уценки: незначительная окись гайки.
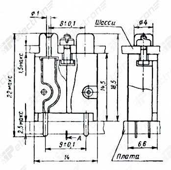
Гнездо контрольное МГК1-1 двухполюсное малогабаритное. Предназначено для контроля электрических цепей радиоэлектронной аппаратуры, коммутации цепей переменного тока, подключения проводов и коннекторов в электро и радиоаппаратуре, присоединения переносных приемников постоянного тока напряжением до 36 В, встроенных в передвижных средствах наземного, водного и воздушного транспорта. Вся дополнительная информация находится во вложении на товар, см. pdf – файл.

Подробнее
Заметили
ошибку ?
Сообщите нам

Общая информация

Наименование Уценка МГК1-1 Гнездо контрольное.
Торговая марка ОАО «Сейм» Путивль
Страна изготовления СССР
Нормы и требования ГОСТ 15150-69
Дата изготовленияi 1976-1991
Вид приемки i "1"- ОТК
Масса изделия, гр 1,8
Вид упаковки картонная коробка (200шт)
Состояние упаковки заводская
Транслитерация Markdown MGK1-1 Control socket.
Наличие паспорта - этикетки нет

Основные параметры

Функциональная группа соединители
Функциональный тип штыри и гнёзда
Вид соединителя гнездо
Серия штекера, гнезда МГК
Фактическая маркировка МГК1-1
Количество полюсов два
Диаметр контакта разъема 1 mm
Метод монтажа механический на панель
Метод монтажа электрический пайка
Материал корпуса пластик
Цвет корпуса коричневый
Количество контактов 2
Материал контактов латунь
Покрытие контактов нет
Установочные размеры 9 mm расстояние между монтажными отверстиями
Габаритные размеры L*W*H 14х6,6х22 mm
Наличие паспорта - этикетки нет

Технические характеристики

Номинальный ток 1 A
Номинальное напряжение 200 V

Условия эксплуатации

Интервал рабочих температур от -60 до +70°C
Климатическое исполнениеi УХЛ 2.1
Макс. срок хранения 15 лет
Минимальная наработка 10 000 час.
Загрузка...
Принимаем заказы на товары,
не вошедшие в каталог

Пришлите маркировку необходимого вам товара.
Мы предоставим Вам наилучшие условия по поставке!

Оформить заявку

Похожие товары

Недавно просмотренные товары

Принимаем к оплате
IP Electron в соцсетях