69 445 товаров в наличии и на заказ

Электронные компоненты и расходные материалы

$
Настройка отображения валюты
Полный каталог
Скидка на Резисторы переменные (Потенциометры)
-20%

РГ35-3 Розетка врубная, карболит, дЕМ0.364.000 ТУ (арт. TF-339)

АО Лтава, Полтава; 100 V; 2 A; в плату; " 1" - ОТК; контакты под пайку; дЕМ0.364.000 ТУ

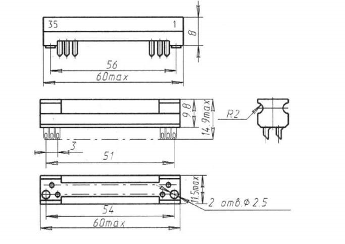
РГ35-3 Розетка врубная, карболит – прямоугольный низкочастотный соединитель. Структура условного обозначения: РГ – тип соединителя; 35 – количество контактов; 3 – шаг контактов(мм). Климатическое исполнение – УХЛ2.1. Соединитель предназначен для работы в низкочастотных электрических цепях постоянного, переменного (частотой до 3 МГц) токов. Контакты для печатного монтажа. Вся дополнительная информация находится во вложении на товар, см. pdf - файл.

Подробнее
Заметили
ошибку ?
Сообщите нам

Общая информация

Наименование РГ35-3 Розетка врубная, карболит, дЕМ0.364.000 ТУ
Код ТНВЭД 8536508008
Торговая марка АО Лтава, Полтава
Страна изготовления СССР
Нормы и требования дЕМ0.364.000 ТУ
Дата изготовленияi 1976-1991
Вид приемки i "1"- ОТК
Масса изделия, гр 6,82
Состояние упаковки самоупаковка
Транслитерация RG35-3 Socket, carbolite, DEM0.364.000 TU
Наличие паспорта - этикетки нет

Основные параметры

Функциональная группа соединители
Функциональный тип прямоугольные низкочастотные
Серия прямоугольных соединителей РГ35
Количество контактов 35
Диаметр контактов 0,8 mm
Материал контактов латунь
Покрытие контактов Ag (серебро)
Вид контактов круглые
Тип контактов гнездо
Шаг между рядами контактов 2,5 mm
Шаг контактов в ряду 3,0 mm
Количество рядов контактов 2
Наличие замка для фиксации нет замка
Наличие ловителей нет
Материал изолятора карболит
Цвет изолятора коричневый
Габаритные размеры L*W*H 60х11,5х14,9 mm
Длина изолятора 60 mm
Ширина изолятора 11,5 mm
Высота изолятора 9,8 mm
Конструктивное исполнение хвостовика контакты под пайку
Метод монтажа механический в плату
Метод монтажа электрический пайка
Установочные размеры 54 mm расстояние между монтажными отверстиями
Диаметр установочного отверстия 2,5 mm
Метод сочленения врубной
Наличие ориентации выступ, паз
Фактическая маркировка РГ35-3

Технические характеристики

Рабочее напряжение, max 100 V
Рабочий ток, max 2 A
Сопротивление контактов не более 5 mΩ
Сопротивление изоляции 50 MΩ
- диапазон частот 5-80 Hz
- амплитуда ускорения 2,5 g

Условия эксплуатации

Интервал рабочих температур от -10 до +35°C
Климатическое исполнениеi УХЛ 2.1
Ресурс 500 сочленений-расчленений
Минимальная наработка 10 000 час.
Загрузка...
Принимаем заказы на товары,
не вошедшие в каталог

Пришлите маркировку необходимого вам товара.
Мы предоставим Вам наилучшие условия по поставке!

Оформить заявку

Похожие товары

Артикул (ID): BV-4729
Уценка РГ11КП-7Г2Т-В Розетка врубная, карболит, ОСТ В 11 0121-91
Артикул (ID): KT-771
РШ2П-Ш5Т-2-Ш66Т-В Вилка врубная, карболит
  • 891 1 шт.
Артикул (ID): KT-617
РГ35-3 Вилка врубная, карболит, дЕМ0.364.000 ТУ
  • 1350 1 шт.
Артикул (ID): KT-419
РГ3КП-3Г2Т Розетка врубная, карболит
  • 1278 1 шт.
Артикул (ID): KT-413
РГ6КП-4Г2Т-1Г1Т Розетка врубная, карболит
  • 990 1 шт.
Артикул (ID): ZK-6461
РГ7КП-5Г2Т-В Розетка врубная, карболит
Артикул (ID): ZK-6460
РГ3КП-3Г4Т-В Розетка врубная, карболит
Артикул (ID): ZK-5782
РГО-56К-О Розетка врубная, карболит
  • 116.13 1 шт.
Артикул (ID): KP-2888
РГ7КП-10Г3Т-В Розетка врубная, карболит
Артикул (ID): TO-4556
РШ1ПКП-4Ш5Т-В Вилка врубная, карболит
  • 225 1 шт.
  • 203 от 5 шт.
Артикул (ID): TO-4555
РШ3ПКП-6Ш5Т-В Вилка врубная, карболит
  • 891 1 шт.
Артикул (ID): TM-2330
РГ3Б-6Г5Т-В Розетка врубная, карболит
Артикул (ID): TN-4462
РГ3КП-3Г2Т-В Розетка врубная, карболит
  • 1278 1 шт.
Артикул (ID): TN-7178
РГ9КП-6Г2Т-В Розетка врубная, карболит
  • 239 1 шт.
Артикул (ID): TN-7177
РШ7Б-10Ш3Т-В Вилка врубная, карболит.
  • 225 1 шт.
  • 189 от 10 шт.

Недавно просмотренные товары

Принимаем к оплате
IP Electron в соцсетях