67 592 товаров в наличии и на заказ

Электронные компоненты и расходные материалы

$
Настройка отображения валюты
Полный каталог
Скидка на Конденсаторы
-20%

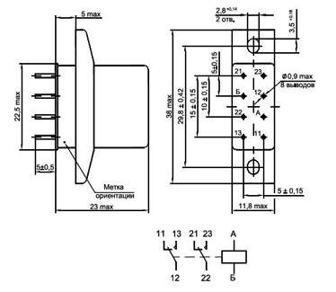
РЭС90 ЯЛ4.550.000-30 2 перкл. 27VDC Реле (арт. SN-4167)

Реле РЭС90 ЯЛ4.550.000-30 электромагнитное низкочастотное неполяризованное, герметичное, одностабильное, управляемое постоянным током, с двумя переключающими контактами. Предназначено для коммутации электрических цепей постоянного и переменного токов. Изготавливается со штыревыми выводами. Сопротивление изоляции всех токоведущих цепей реле относительно друг друга и каждой цепи относительно корпуса в нормальных климатических условиях (обмотка обесточена) не менее 200 МОм. Испытательное напряжение переменного тока (эффективное значение) между токоведущими цепями реле, а также между токоведущими цепями реле и корпусом в нормальных климатических условиях – 500 В. Время срабатывания - не более 10 мс, время отпускания - не более 5 мс. Рабочее напряжение - 27 В. Вся дополнительная информация находится во влажении на товар, см. pdf-файл.

Подробнее
Заметили
ошибку ?
Сообщите нам

Общая информация

Наименование РЭС90 ЯЛ4.550.000-30 2 перкл. 27VDC Реле
Торговая марка АООТ Северная Заря, СПб
Страна изготовления РОССИЯ
Вид приемки i "5"- ВП, ПЗ
Масса изделия, гр 18,03
Транслитерация Relay RES90 JAL4.550.000-30
Наличие паспорта - этикетки этикетка
Состояние упаковки самоупаковка

Основные характеристики

Функциональная группа электромагнитное слаботочное
Функциональный тип нейтральное
Исполнение ЯЛ4.550.000-30
Длина выводов 5,5 mm
Габаритные размеры L*W*H 37х11х27,5
Материал корпуса металл
Длина корпуса 20 mm
Ширина корпуса 10 mm
Высота корпуса 22 mm
Фактическая маркировка РЭС90 ЯЛ4.550.000-30
Рабочее положение любое

Технические характеристики

Номинальное напряжение 27 V
Сопротивление обмоток 600±60 Ω
Ток срабатывания 22 mA
Ток отпускания 3 mA
Время срабатывания 10 ms
Время отпускания 5 ms
Частота коммутации 0,3 - 7 Hz
Сопротивление изоляции 200 MΩ
Электрическая прочность изоляции 500 V

Условия эксплуатации

Интервал рабочих температур от -60 до +125°C
Климатическое исполнениеi УХЛ
Относительная влажность 98% при температуре +35°С
Загрузка...
Принимаем заказы на товары,
не вошедшие в каталог

Пришлите маркировку необходимого вам товара.
Мы предоставим Вам наилучшие условия по поставке!

Оформить заявку

Недавно просмотренные товары

Принимаем к оплате
IP Electron в соцсетях