69 975 товаров в наличии и на заказ

Электронные компоненты и расходные материалы

$
Настройка отображения валюты
Полный каталог
Скидка на Конденсаторы
-20%

РЭС52-Т РС4.555.021 2 перекл. 27VDC Реле, 2011г (арт. TM-9787)

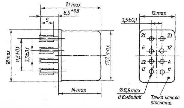
Реле РЭС52-Т РС4.555.021 герметичное, постоянного тока, с двумя переключающими контактами. Предназначено для коммутации электрических цепей постоянного и переменного тока. Время срабатывания не более 8 мс, отпускания - не более 5 мс. Рабочее напряжение 27 В. Вся дополнительная информация находится во вложении на товар, см. pdf - файл.

Подробнее
Заметили
ошибку ?
Сообщите нам

Общая информация

Наименование РЭС52-Т РС4.555.021 2 перекл. 27VDC Реле, 2011г
Торговая марка Завод Электроприбор, Алатырь
Вид приемки i "5"- ВП, ПЗ
Масса изделия, гр 8,25
Транслитерация RES52-T RS4.555.021
Состояние упаковки самоупаковка

Основные характеристики

Функциональная группа Реле электромагнитное
Функциональный тип нейтральное
Исполнение РС4.555.021
Длина выводов 6 mm
Габаритные размеры L*W*H 17х12х20 mm
Длина корпуса 17 mm
Ширина корпуса 12 mm
Высота корпуса 14 mm
Фактическая маркировка РЭС52-Т РС4.555.021

Технические характеристики

Номинальное напряжение 27 V
Сопротивление обмоток 705
Ток срабатывания 12 mA
Время срабатывания 8 ms
Время отпускания 5 ms

Условия эксплуатации

Интервал рабочих температур от -60 до +100°С
Климатическое исполнениеi тропическое
Относительная влажность 98% при температуре +35°С
Загрузка...
Принимаем заказы на товары,
не вошедшие в каталог

Пришлите маркировку необходимого вам товара.
Мы предоставим Вам наилучшие условия по поставке!

Оформить заявку

Недавно просмотренные товары

Принимаем к оплате
IP Electron в соцсетях