70 085 товаров в наличии и на заказ

Электронные компоненты и расходные материалы

$
Настройка отображения валюты
Полный каталог
Скидка на Конденсаторы
-20%

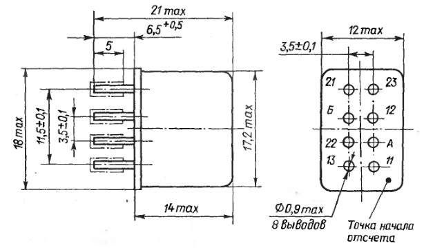
РЭС52-Т РС4.555.021 2 перекл. 27VDC Реле, ЯЛ0.455.012 ТУ (арт. TF-394)

Реле РЭС52-Т РС4.555.021 герметичное, постоянного тока, с двумя переключающими контактами. Предназначено для коммутации электрических цепей постоянного и переменного тока. Время срабатывания не более 8 мс, отпускания - не более 5 мс. Рабочее напряжение 27 В. Вся дополнительная информация находится во вложении на товар, см. pdf – файл.

Подробнее
Заметили
ошибку ?
Сообщите нам

Общая информация

Наименование РЭС52-Т РС4.555.021 2 перекл. 27VDC Реле, ЯЛ0.455.012 ТУ
Торговая марка Завод Электроприбор, Алатырь
Страна изготовления РОССИЯ
Вид приемки i "5"- ВП, ПЗ
Масса изделия, гр 7,46
Транслитерация RES52-T RS4.555.021 2 switches. 27VDC Relay, YAL0.455.012 TU
Наличие паспорта - этикетки нет
Состояние упаковки самоупаковка

Основные характеристики

Функциональная группа электромагнитное слаботочное
Функциональный тип нейтральное
Исполнение РС4.555.021
Длина выводов 6,5 mm
Габаритные размеры L*W*H 17,2х12х21 mm
Покрытие корпуса без покрытия
Длина корпуса 17,2 mm
Ширина корпуса 12 mm
Высота корпуса 14 mm
Фактическая маркировка РЭС52-Т
Рабочее положение любое

Технические характеристики

Номинальное напряжение 27 V
Сопротивление обмоток 830±125 Ω
Ток срабатывания 12 mA
Время срабатывания 8 ms
Время отпускания 5 ms

Условия эксплуатации

Интервал рабочих температур от -60 до +100°С
Климатическое исполнениеi УХЛ
Относительная влажность 98% при температуре +35°С
Атмосферное давление 1,33х10⁻⁶ до 2,13х10⁵ Pa
Минимальный срок сохраняемости, лет 12
Загрузка...
Принимаем заказы на товары,
не вошедшие в каталог

Пришлите маркировку необходимого вам товара.
Мы предоставим Вам наилучшие условия по поставке!

Оформить заявку

Недавно просмотренные товары

Принимаем к оплате
IP Electron в соцсетях