67 322 товаров в наличии и на заказ

Электронные компоненты и расходные материалы

$
Настройка отображения валюты
Полный каталог
Скидка на Конденсаторы
-20%

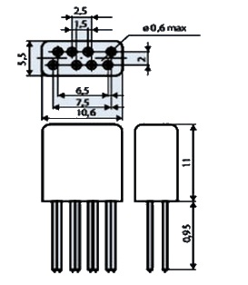
РЭК80 ИДЯУ.647611.002-01 2 перекл. 15VDC Реле, ИДЯУ.647611.002 ТУ (арт. BV-4723)

Реле РЭК80 ИДЯУ.647611.002-01 электромагнитное субминиатюрное, слаботочное, низкочастотное, неполяризованное, одностабильное, двухпозиционное, управляемое постоянным током с двумя переключающими контактами. Предназначены для коммутации электрических цепей постоянного тока и переменного тока частотой до 10000 Гц. Реле РЭК80 используются для работы в составе электронных схем управления коммутацией в радиоэлектронной аппаратуре общего и специального назначения. Расшифровка условного обозначения РЭК80 ИДЯУ.647611.002-01: РЭК - реле электромагнитное слаботочное низкочастотное; 80 - порядковый номер разработки;  ИДЯУ.647611.002-01 - исполнение (паспорт) реле в зависимости от электрических параметров, режимов коммутации и конструктивных особенностей. Вся дополнительная информация находится во вложении на товар, см. pdf – файл

Подробнее
Заметили
ошибку ?
Сообщите нам

Общая информация

Наименование РЭК80 ИДЯУ.647611.002-01 2 перекл. 15VDC Реле, ИДЯУ.647611.002 ТУ
Торговая марка ОАО НПП «Старт», В.Новгород
Вид приемки i "5"- ВП, ПЗ
Масса изделия, гр 2,07
Транслитерация REK80 IDYAU.647611.002-01
Наличие паспорта - этикетки нет
Состояние упаковки самоупаковка

Основные характеристики

Функциональная группа электромагнитное слаботочное
Функциональный тип нейтральное
Исполнение ИДЯУ.647611.002-01
Длина выводов 10 mm
Габаритные размеры L*W*H 10,5х5х20,5 mm
Длина корпуса 10,5 mm
Ширина корпуса 5 mm
Высота корпуса 10,5 mm
Фактическая маркировка РЭК80 01
Рабочее положение любое

Технические характеристики

Номинальное напряжение 15 V
Сопротивление обмоток 549-671 Ω
Напряжение срабатывания 8,5 V
Напряжение отпускания 1,43 V
Время срабатывания 2 ms
Время отпускания 1,5 ms

Условия эксплуатации

Интервал рабочих температур от -60 до +85°C
Климатическое исполнениеi УХЛ
Относительная влажность 98% при температуре +35°С
Минимальный срок сохраняемости, лет 20 лет
Загрузка...
Принимаем заказы на товары,
не вошедшие в каталог

Пришлите маркировку необходимого вам товара.
Мы предоставим Вам наилучшие условия по поставке!

Оформить заявку

Похожие товары

Артикул (ID): KK-17088
РЭС 48Б 201||5|1991|Иркутск|
  • 561 1 шт.
Артикул (ID): SN-4224
РЭС80 ДЛТ4.555.014-01 15VDC 2 перекл. Реле нейтральное, ДЛТ0.455.001 ТУ,
Артикул (ID): KL-6901
РЭК80В ИДЯУ.647611.002-20 2 перекл. 27VDC Реле, ИДЯУ.647611.001 ТУ, 2023г
  • 3890 1 шт.
Артикул (ID): SN-8028
РЭС80 ДЛТ4.555.014-01 15VDC 2 перекл. Реле нейтральное, ДЛТ0.455.001 ТУ,1996
Артикул (ID): KL-6806
РЭН33 РФ4.510.021-0001 4 перекл. 27VDC Реле, РФ4.510.021 ТУ
  • 3416 1 шт.
Артикул (ID): KK-16985
РЭС 49 00.01||5|1991|Ереван|
  • 115.6 1 шт.
Артикул (ID): KK-16984
РЭС 48А 201||5|2024|Иркутск|
  • 1054 1 шт.
Артикул (ID): KK-16982
РЭС 48А 201||5|2022|Иркутск|
  • 986 1 шт.
Артикул (ID): KK-16981
РЭС 48А 201||5|2021|Иркутск|
  • 986 1 шт.
Артикул (ID): KL-6601
Уценка РЭВ20 РС4.562.001-02 1 замык. 27VDC Реле, КЩ0.450.015ТУ
  • 180 1 шт.
Артикул (ID): ZA-3729
13F-2 (SCL) 12VDC 10/15A Реле
  • 119.9 1 шт.
  • 119.9 от 10 шт.
  • 119.9 от 100 шт.
Артикул (ID): ZP-8380
REK 78/4-3 Реле
  • 394.44 1 шт.
Артикул (ID): ZA-3730
13F-2 (SCL) 24VDC 10/15A Реле
  • 119.85 1 шт.
  • 119.85 от 10 шт.
  • 119.85 от 100 шт.
Артикул (ID): ZA-3336
РЭК43 РФ4.500.478-0601 1 перекл. 27VDC Реле.
  • 658.8 1 шт.
Артикул (ID): ZP-6382
R835-1A-12VDC-C Реле
  • 54.9 1 шт.
  • 54.9 от 10 шт.
  • 54.9 от 100 шт.

Недавно просмотренные товары

Принимаем к оплате
IP Electron в соцсетях