70 085 товаров в наличии и на заказ

Электронные компоненты и расходные материалы

$
Настройка отображения валюты
Полный каталог
Скидка на Конденсаторы
-20%

РЭК80 ИДЯУ.647611.002-01 2 перекл. 15VDC Реле, ИДЯУ.647611.001 ТУ. (арт. BV-2417)

ОАО НПП «Старт», В.Новгород; " 5" - ВП, ПЗ; ; ; ; ; ;

Реле РЭК80 ИДЯУ.647611.002-01 слаботочное, электромагнитное, неполяризованное, герметичное, одностабильное, с двумя переключающими контактами. Предназначено для коммутации электрических цепей постоянного и переменного токов частотой до 10000 Гц. Сопротивление изоляции между токоведущими цепями, в нормальных климатических условиях - не менее 200 МОм. Электрическая прочность изоляции между токоведущими цепями и корпусом - 200 В. Время срабатывания - 2 мс, отпускания - 1,5 мс. Рабочее напряжение - 15 В. Вся дополнительная информация находится во вложении на товар, см. pdf - файл.

Подробнее
Заметили
ошибку ?
Сообщите нам

Общая информация

Наименование РЭК80 ИДЯУ.647611.002-01 2 перекл. 15VDC Реле, ИДЯУ.647611.001 ТУ.
Торговая марка ОАО НПП «Старт», В.Новгород
Страна изготовления РОССИЯ
Вид приемки i "5"- ВП, ПЗ
Масса изделия, гр 2,07
Транслитерация REK80 IDYA.647611.002-01 2 switches. 15VDC Relay, IDYA.647611.001 TU
Наличие паспорта - этикетки нет
Состояние упаковки самоупаковка

Основные характеристики

Функциональная группа электромагнитное слаботочное
Функциональный тип нейтральное
Исполнение ИДЯУ.647611.002-01
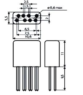
Длина выводов 10 mm
Габаритные размеры L*W*H 10,5х5х20,5 mm
Длина корпуса 10,5 mm
Ширина корпуса 5 mm
Высота корпуса 11 mm
Фактическая маркировка РЭК80 01
Рабочее положение любое

Технические характеристики

Номинальное напряжение 15 V
Сопротивление обмоток 610±61 Ω
Напряжение срабатывания 8,5 V
Напряжение отпускания 1,43 V
Время срабатывания 2 ms
Время отпускания 1,5 ms

Условия эксплуатации

Интервал рабочих температур от -60 до +85°C
Климатическое исполнениеi УХЛ
Относительная влажность 98% при температуре +35°С
Загрузка...
Принимаем заказы на товары,
не вошедшие в каталог

Пришлите маркировку необходимого вам товара.
Мы предоставим Вам наилучшие условия по поставке!

Оформить заявку

Недавно просмотренные товары

Принимаем к оплате
IP Electron в соцсетях