70 085 товаров в наличии и на заказ

Электронные компоненты и расходные материалы

$
Настройка отображения валюты
Полный каталог
Скидка на Конденсаторы
-20%

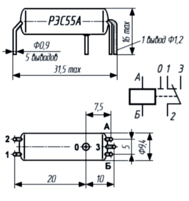
РЭС55А РС4.569.601 1 перекл. 27VDC(Вольт) Реле, РС0.456.011ТУ (арт. SN-3781)

No name USSR; " 1" - ОТК; -; 6 выводов; печатный монтаж; герконовый переключатель…; -

Реле РЭС55А РС4.569.601 герконовое, миниатюрное, двухпозиционное, одностабильное, управляемое постоянным током, с одним контактом на переключение. Предназначено для коммутации электрических цепей постоянного и переменного тока частотой до 10000 Гц. Реле РЭС55 используются для работы в составе электронных схем управления коммутацией в радиоэлектронной аппаратуре общего и специального назначения. Расшифровка условного обозначения: РЭС55А РС4.569.601 - реле электромагнитное неполяризованное слаботочное низкочастотное; 55 - порядковый номер разработки; А - способ крепления, (А - печатный монтаж); Климатическое исполнение: УХЛ - не указывается; РС4.569.601 - исполнение (паспорт) реле в зависимости от электрических параметров, режимов коммутации и конструктивных особенностей. Вся дополнительная информация находится во вложении на товар, см. pdf-файл.

Подробнее
Заметили
ошибку ?
Сообщите нам

Общая информация

Наименование РЭС55А РС4.569.601 1 перекл. 27VDC(Вольт) Реле, РС0.456.011ТУ
Торговая марка No name USSR
Страна изготовления СССР
Нормы и требования РС0.456.011ТУ; ГОСТ 15150-69
Дата изготовленияi 1976-1991
Вид приемки i "1"- ОТК
Масса изделия, гр 4,56
Транслитерация RES55A RS4.569.601 1 switch. 27VDC(Volt) Relay, PC0.456.011TU
Наличие паспорта - этикетки нет
Состояние упаковки самоупаковка

Основные характеристики

Функциональная группа электромагнитное слаботочное
Функциональный тип реле герконовое
Серия реле РЭС55
Исполнение РС4.569.601
Поляризация неполяризованное
Число и вид контактов 1 перекл.
Количество групп контактов одна контактная группа
Тип реле (конструктивное исполнение) закрытое
Род тока постоянный
Герметичность герметичный
Количество выводов 6 выводов
Длина выводов 4 mm
Габаритные размеры L*W*H 31,5х9,4х16 mm
Материал корпуса металл
Покрытие корпуса краска
Цвет корпуса серый
Диаметр корпуса 9,4 mm
Длина корпуса 25 mm
Метод монтажа механический печатный монтаж
Метод монтажа электрический пайка

Технические характеристики

Номинальное напряжение 27 V
Номинальное напряжение контактов 27 V
Номинальное напряжение катушки 27 VDC
Сопротивление обмоток 1600 - 2162 Ω
Ток срабатывания 0,5 A
Напряжение срабатывания 16,2 V
Напряжение отпускания 1,8 V
Вид нагрузки активная
Частота коммутации 10 Hz
Сопротивление изоляции 500 MΩ
- амплитуда ускорения 245 m/c²
- диапазон частот 3000 Hz
Механический удар однократное действие: пиковое ударное ускорение 1470 m/c²
Механический удар многократное действие: пиковое ударное ускорение 735 m/c²
Механический удар однократное действие: пиковое ударное ускорение 1470 m/c²

Условия эксплуатации

Интервал рабочих температур от -60 до +85°C
Климатическое исполнениеi УХЛ
Относительная влажность 98% при температуре +35°С
Минимальная наработка 12 лет
Минимальный срок сохраняемости, лет 12
Загрузка...
Принимаем заказы на товары,
не вошедшие в каталог

Пришлите маркировку необходимого вам товара.
Мы предоставим Вам наилучшие условия по поставке!

Оформить заявку

Похожие товары

Артикул (ID): ZU-1384
TRR2A05S00D-R TTI Реле
  • 427.26 1 шт.
Артикул (ID): BV-5799
РЭС55А РС4.569.600-0302 1 перекл. 5VDC(Вольт) Реле, РС0.456.011 ТУ
  • 203 1 шт.
Артикул (ID): ZU-1383
TRR2A05D00-R TTI Реле
  • 228.78 1 шт.
  • 228.78 от 10 шт.
Артикул (ID): BV-4350
РЭС55А РС4.569.600-0101 1 перекл. 12,6VDC(Вольт) Реле, "5", РС0.456.011 ТУ
  • 203 1 шт.
  • 175 от 5 шт.
Артикул (ID): BV-4342
РЭС55А РС4.569.600-0401 1 перекл. 3VDC(Вольт) Реле, РС0.456.011 ТУ
  • 203 1 шт.
  • 175 от 5 шт.
Артикул (ID): BV-4340
РЭС55А РС4.569.600-0001 1 перекл. 27VDC(Вольт) Реле, РС0.456.011 ТУ.
  • 203 1 шт.
  • 175 от 5 шт.
Артикул (ID): BV-4337
РЭС55А РС4.569.600-0901 1 перекл. 3VDC(Вольт) Реле, РС0.456.011 ТУ
  • 203 1 шт.
  • 175 от 5 шт.
Артикул (ID): BV-4329
РЭС55А РС4.569.600-0301 1 перекл. 5VDC(Вольт) Реле, РС0.456.011 ТУ.
  • 203 1 шт.
  • 175 от 5 шт.
Артикул (ID): BV-4328
РЭС55Б РС4.569.625-0401 1 перекл. 3VDC(Вольт) Реле, РС0.456.011ТУ
  • 203 1 шт.
  • 175 от 5 шт.
Артикул (ID): ZU-1382
TRR1A24D00-R TTI Реле
  • 195.35 1 шт.
  • 195.35 от 10 шт.
Артикул (ID): ZU-1379
TRR1A05D00-R TTI Реле
  • 190.98 1 шт.
  • 190.98 от 10 шт.
Артикул (ID): KT-364
TRR1A12D00-R TTI Реле.
  • 213 1 шт.
Артикул (ID): ZA-3447
РЭС55А РС4.569.600-17.01 1 перекл. 3VDC(Вольт) Реле, РС0.456.011ТУ
  • 158.12 1 шт.
  • 158.12 от 10 шт.
Артикул (ID): TB-6604
РЭС55А РС4.569.600-08.01 1 перекл. 5VDC(Вольт) Реле, РС0.456.011ТУ
  • 203 1 шт.
Артикул (ID): KT-3485
РЭС55А РС4.569.600-0201 1 перекл. 6VDC(Вольт) Реле, "5" РС0.456.011 ТУ
  • 266 1 шт.

Недавно просмотренные товары

Принимаем к оплате
IP Electron в соцсетях