74 574 товаров в наличии и на заказ

Электронные компоненты и расходные материалы

$
Настройка отображения валюты
Полный каталог
Скидка на Конденсаторы
-20%

Уценка П2К-Н-1-4 Переключатель модульный с фиксацией. (арт. KT-1638)

Смоленское НПО «ФЕНИКС»; независимая фиксация; 1

Причина уценки: демонтаж. Переключатель модульный П2К - Предназначен для коммутации цепей постоянного и переменного тока частотой до 20 MHz. Расшифровка: П2К - тип переключателя, Н - с фиксацией, 1 - одномодульный, 4 - количество групп коммутации. Кнопка поставляется отдельно. Вся дополнительная информация находится в pdf - файле.

Подробнее
Заметили
ошибку ?
Сообщите нам

Общая информация

Наименование Уценка П2К-Н-1-4 Переключатель модульный с фиксацией.
Торговая марка Смоленское НПО «ФЕНИКС»
Страна изготовления РОССИЯ
Дата изготовленияi 1992-1999
Вид приемки i "1"- ОТК
Масса изделия, гр 6,8
Транслитерация utsenka-p2k-n-1-4-pereklyuchatel-modulnyj-s-fiksatsiej
Состояние упаковки самоупаковка

Основные параметры

Функциональная группа Переключатели
Функциональный тип переключатели модульные
Серия переключателя П2К
Наличие фиксации есть
Способ фиксации независимая фиксация
Количество модулей 1
Количество групп коммутации 4
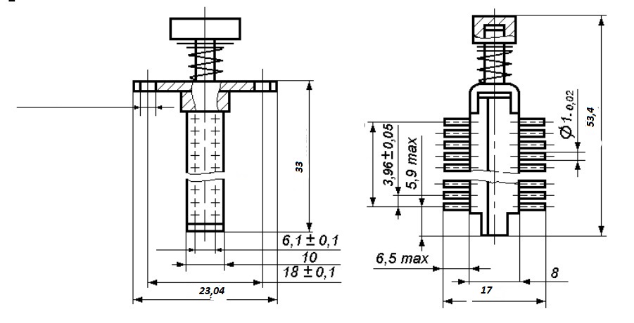
Габаритные размеры L*W*H 53,4х17х23,4 mm
Высота корпуса 53,4 mm
Высота сборки 32 mm
Материал корпуса пластмасса
Метод монтажа механический на панель, в плату
Метод монтажа электрический пайка
Вид выводов жесткие
Материал выводов латунь
Покрытие выводов лужение
Расположение выводов двустороннее
Диаметр выводов 1 mm
Установочные размеры 18 mm расстояние между монтажными отверстиями
Фактическая маркировка П2К

Технические характеристики

Рабочий ток постоянный, max 1 A
Рабочий ток переменный, max 1,5 A
Рабочее напряжение, max 250 V
- диапазон частот 1-80 Hz
- амплитуда ускорения 50 m/c²
Емкость между соседними выводами 1 pF
Сопротивление контактов не более 25 mΩ
Сопротивление изоляции 1000 Ω
- ударное ускорение 150 m/c²
- ударное ускорение 1000 m/c²

Условия эксплуатации

Минимальная наработка 10 000 час.
Ресурс 3000 циклов
Интервал рабочих температур от -40 до +55°С
Относительная влажность 98% при температуре +25°С
Атмосферное давление 53,3 - 106,6 kPa
Климатическое исполнениеi УХЛ

Оставить отзыв

Оценка:
              
Преимущества *
Недостатки *
Комментарий *
Ваше Имя *
Эл. почта *
Введите текст с картинки:
* Поля для обязательного заполнения
Отзыв будет опубликован после проверки модератором
Принимаем заказы на товары,
не вошедшие в каталог

Пришлите маркировку необходимого вам товара.
Мы предоставим Вам наилучшие условия по поставке!

Оформить заявку

Похожие товары

Артикул (ID): TF-1650
ПКн61-з2-3-2-10-2 Переключатель модульный. АГ0.360.306 ТУ
  • 131 1 шт.
Артикул (ID): TB-8668
ПКн61-н2-1-1-2 Переключатель модульный ТАФЛ.642130.002 ТУ
  • 41 1 шт.
Артикул (ID): TB-8662
ПКн61-н2-1-1-2 Переключатель модульный, ТАФЛ.642130.002 ТУ
  • 41 1 шт.
Артикул (ID): TB-8490
ПКн61-з2-3-2-15-2-б-3 Переключатель модульный, ТАФЛ.642130.002 ТУ
  • 203 1 шт.
Артикул (ID): TB-8454
ПКн61-з2-3-2-15-2 Переключатель модульный, ТАФЛ.642130.002 ТУ
  • 171 1 шт.
  • 158 от 5 шт.
Артикул (ID): KK-09803
П2КНТА4-2В||5|1991|Смоленск|красн.,з/уп+росс.
  • 204 1 шт.
Артикул (ID): KT-774
П2К-З-5-15-6 Переключатель модульный
  • 297 1 шт.
Артикул (ID): KT-620
П2К-С-5-20-2ч Переключатель модульный
  • 180 1 шт.
Артикул (ID): KT-619
П2К-С-2-20-2ч Переключатель модульный
  • 144 1 шт.
Артикул (ID): KT-616
П2К-С-1-2 Переключатель модульный. Феникс
  • 49 1 шт.
Артикул (ID): KT-615
П2К-С-1-2 Переключатель модульный.
  • 49 1 шт.
Артикул (ID): KT-613
ПКн63-8-П Переключатель модульный
  • 180 1 шт.
Артикул (ID): KT-612
П2К-С-5-15-2 Переключатель модульный.
  • 180 1 шт.
Артикул (ID): KT-610
П2К-С-5-15-2 Переключатель модульный
  • 297 1 шт.
Артикул (ID): KT-608
П2К-С-1-2 Переключатель модульный, Феникс
  • 49 1 шт.

Недавно просмотренные товары

Принимаем к оплате
IP Electron в соцсетях