60 357 товаров в наличии и на заказ

Электронные компоненты и расходные материалы

$
Настройка отображения валюты
Полный каталог
Скидка на  Соединители
-20%

ПГ3-11П3Н-ПТ 11 положений 3 направления 0,5A(Ампер) 250V(Вольт) вал ВС-3 (сплошной с прямой лыской) Переключатель галетный, ОЮ0.360.048ТУ(арт. TN-7046)

АО Лтава, Полтава; 3 платы (галеты); пластмасса; К (клювик) поставляется отдельно; " 5" - ВП, ПЗ; галетник, поворотный переключатель, многопозиционный переключатель, кулачковый переключатель…; ПГК…, ПГГ…, KTZ…; межплатное расстояние 4 mm

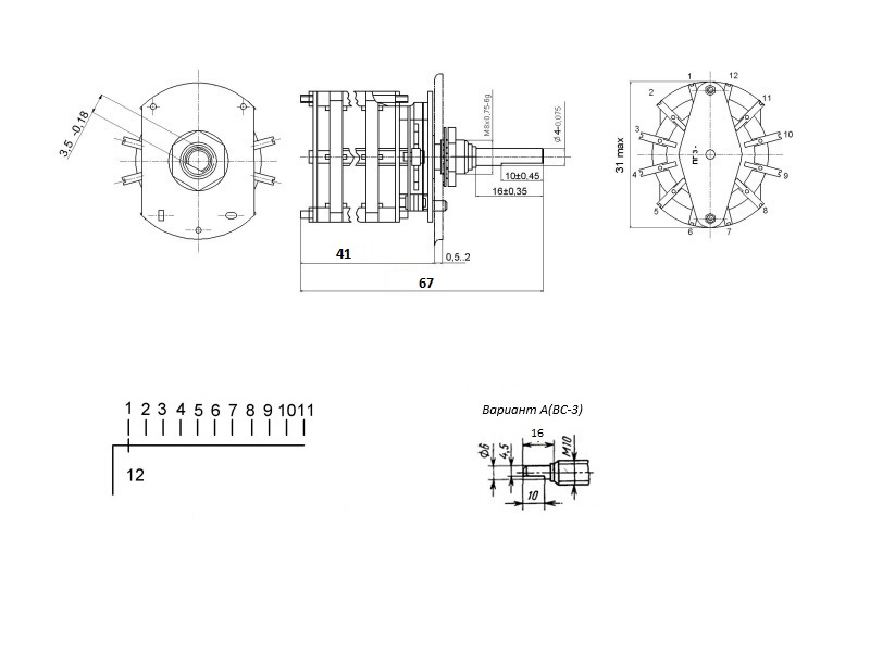
Переключатель галетный ПГ3-11П3НВ малогабаритный. Предназначен для коммутации электрических цепей постоянного и переменного тока. Расшифровка: ПГ - переключатель галетный; 3 - вариант исполнения; 11П - число рабочих положений; 3Н - число направлений. Количество плат - 3. Максимальная коммутируемая мощность 25 W, номинальное напряжение: индуктивная нагрузка 127 V, активная нагрузка 250 V, максимальная токовая нагрузка 0,5 A. Вся дополнительная информация находится в pdf - файле.

Подробнее
Заметили
ошибку ?
Сообщите нам

Общая информация

Наименование ПГ3-11П3Н-ПТ 11 положений 3 направления 0,5A(Ампер) 250V(Вольт) вал ВС-3 (сплошной с прямой лыской) Переключатель галетный, ОЮ0.360.048ТУ
Торговая марка АО Лтава, Полтава
Страна изготовления СССР
Дата изготовленияi 1976-1991
Нормы и требования ОЮ0.360.048ТУ
Вид приемки i "5"- ВП, ПЗ
Масса изделия, гр 30
Наличие паспорта - этикетки нет
Транслитерация PG3-11P3N-PT 11 positions 3 directions 0.5A(Ampere) 250V(Volt) shaft VS-3 (solid with straight line) Galetny switch, OY0.360.048TU
Вид упаковки картонная коробка (50шт)
Состояние упаковки заводская

Основные параметры

Функциональная группа Переключатели
Функциональный тип Переключатель галетный
Серия переключателя ПГ3
Конструкция переключателя открытого типа (без корпуса)
Количество направлений 3 направления
Количество положений 11 положений
Расстояние между платами межплатное расстояние 4 mm
Количество плат (галет) 3 платы (галеты)
Материал галет (плат) пластмасса
Угол поворота, градусы 15
Тип валаi сплошной с прямой лыской (ВС-3)
Форма вала круглая
Диаметр вала (выступающей части) 4 mm
Длина вала (длина выступающей части) 16 mm
Количество выводов 36
Вид выводов под пайку
Материал выводов латунь
Покрытие выводов (Ag) серебро
Габаритные размеры L*W*H 31х31х67 mm
Метод монтажа механический на панель (М8х0,75 L=6 mm)
Метод монтажа электрический пайка
Установочные размеры крепежное отверстие d = 8,2 mm
Диаметр установочного отверстия 8,2 mm
Толщина панели 3 mm
Тип ручки К (клювик) поставляется отдельно
Фактическая маркировка ПГ3-11П3Н-ПТ
Аналогичные серии ПГК…, ПГГ…, KTZ…
Другие наименования галетник, поворотный переключатель, многопозиционный переключатель, кулачковый переключатель…

Технические характеристики

Коммутируемое напряжение 250 V
Коммутируемый ток 0,5 А
Максимальная коммутир.мощность 25 W
Усилие или момент переключения 0,15 – 0,7 N·m
Сопротивление контактов не более 0,02 Ω
Сопротивление изоляции 1000 MΩ
Электрическая прочность изоляции 750 V
Электрическая схема контактов галетных переключателей 11 положений 3 направления
Вид нагрузки активная, индуктивная
Режим работы (род тока) постоянный, переменный
Емкость между каждыми двумя контактами, не более 1,5 pf
Емкость между корпусом и любым контактом, не более 4 pf

Условия эксплуатации

Климатическое исполнениеi В - всеклиматическое исполнение
Интервал рабочих температур от -60 до +85°C
Ресурс 5000 переключений
Минимальная наработка 25 000 час.
Относительная влажность 98% при температуре +40°С
Атмосферное давление 0,66 -106,6 kPa
Минимальный срок сохраняемости, лет 25 лет

Функциональные аналоги

Возможные аналоги

ПГ2-44-11П4Н, фото
ПГ2-44-11П4Н
ПГ2-43-11П3Н, фото
ПГ2-43-11П3Н
ПМ-11П3Н, фото
ПМ-11П3Н
Загрузка...
Принимаем заказы на товары,
не вошедшие в каталог

Пришлите маркировку необходимого вам товара.
Мы предоставим Вам наилучшие условия по поставке!

Оформить заявку

Похожие товары

Артикул (ID): KK-15058
ПГК 11П1Н-4А||5|1991|Белово|
  • 144 1 шт.
Артикул (ID): KK-15057
ПГ2-24-2П16НВ||5|2000|Белово|с креп.
  • 972 1 шт.
Артикул (ID): TF-7878
П2Г3-2П4Н 2 положения 4 направления 2A(Ампер) 220V(Вольт) вал ОС-6 (гладкий с конической лыской с резьбой) Переключатель галетный, ЦЭ0.360.016 ТУ..
  • 2500 1 шт.
Артикул (ID): TF-7876
П2Г3-2П4Н 2 положения 4 направления 2A(Ампер) 220V(Вольт) вал ОС-6 (гладкий с конической лыской с резьбой) Переключатель галетный, ЦЭ0.360.016 ТУ. "5"
  • 2500 1 шт.
Артикул (ID): TF-7801
П2Г3-5П6Н 5 положений 6 направлений 2A(Ампер) 220V(Вольт) вал ОС-6 (гладкий с конической лыской с резьбой) Переключатель галетный, ЦЭ0.360.016 ТУ. "1"
  • 2500 1 шт.
Артикул (ID): TF-7794
П2Г3-5П6Н 5 положений 6 направлений 2A(Ампер) 220V(Вольт) вал ОС-6 (гладкий с конической лыской с резьбой) Переключатель галетный, ЦЭ0.360.016 ТУ..
  • 2500 1 шт.
Артикул (ID): TF-7781
П2Г3-5П6Н 5 положений 6 направлений 2A(Ампер) 220V(Вольт) вал ОС-6 (гладкий с конической лыской с резьбой) Переключатель галетный, ЦЭ0.360.016 ТУ.
  • 2500 1 шт.
Артикул (ID): TF-4029
П2Г3-6П4Н 6 положений 4 направления 2A(Ампер) 220V(Вольт) вал ОС-6 (гладкий с конической лыской с резьбой) Переключатель галетный, ЦЭ0.360.016 ТУ.
  • 1250 1 шт.
Артикул (ID): TF-4027
П2Г3-6П4Н 6 положений 4 направления 2A(Ампер) 220V(Вольт) вал ОС-6 (гладкий с конической лыской с резьбой) Переключатель галетный, ЦЭ0.360.016 ТУ
  • 1250 1 шт.
Артикул (ID): TF-3919
П2Г3-8П2Н 8 положений 2 направления 2A(Ампер) 220V(Вольт) вал ОС-6 (гладкий с конической лыской с резьбой) Переключатель галетный, ЦЭ0.360.016 ТУ
  • 1390 1 шт.
Артикул (ID): TF-3897
П2Г3-8П2Н 8 положений 2 направления 2A(Ампер) 220V(Вольт) вал ОС-6 (гладкий с конической лыской с резьбой) Переключатель галетный. ЦЭ0.360.016 ТУ
  • 890 1 шт.
Артикул (ID): TF-3886
П2Г3-9П2Н 9 положений 2 направления 2A(Ампер) 220V(Вольт) вал ОС-6 (гладкий с конической лыской с резьбой) Переключатель галетный. ЦЭ0.360.016 ТУ.
  • 990 1 шт.
Артикул (ID): TF-3882
П2Г3-9П2Н 9 положений 2 направления 2A(Ампер) 220V(Вольт) вал ОС-6 (гладкий с конической лыской с резьбой) Переключатель галетный, ЦЭ0.360.016 ТУ.
  • 750 1 шт.
Артикул (ID): KP-8911
ПГК-5П4Н-8А 5 положений 4 направления 3A(Ампер) 350V(Вольт) вал ВС-3 (сплошной с прямой лыской) Переключатель галетный..
Артикул (ID): TN-997
ПГК-11П2Н-15А 11 положений 2 направления 3A(Ампер) 350V(Вольт) вал ВС-3 Переключатель галетный "1"
  • 690 1 шт.

Недавно просмотренные товары

Принимаем к оплате
IP Electron в соцсетях