67 344 товаров в наличии и на заказ

Электронные компоненты и расходные материалы

$
Настройка отображения валюты
Полный каталог
Скидка на Конденсаторы
-20%

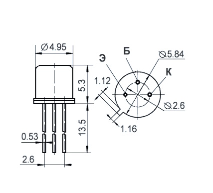
КП305И Транзистор. (арт. KT-1391)

Транзисторы КП305И кремниевые диффузионно-планарные полевые с изолированным затвором и каналом n-типа. Предназначены для применения в усилителях высокой и низкой частоты с высоким входным сопротивлением. Выпускаются в металлостеклянном корпусе с гибкими выводами. Расшифровка маркировки полевого транзистора  КП305И: К - кремниевый транзистор категории качества «ОТК»;  П - полевой транзистор; 3 - транзистор малой мощности с максимальной рассеиваемой мощностью не более 0,3 Вт и граничной частотой коэффициента передачи тока или максимальной рекомендуемой частотой более 300 МГц; 05 - число, указывающее на порядковый номер разработки полевого транзистора; И - буква, определяющая классификацию транзисторов по параметрам, изготовленных по единому технологическому процессу. Вся дополнительная информация находится во вложении на товар, см. pdf-файл.

Подробнее
Заметили
ошибку ?
Сообщите нам

Общая информация

Наименование КП305И Транзистор.
Торговая марка АООТ РЕФЛЕКТОР, Саратов
Страна происхождения СССР
ТУ ТФ0.336.000ТУ.
Вид приемки i "1"- ОТК
Масса изделия, гр 1
Дата выпуска 1978
Наличие паспорта - этикетки нет
Транслитерация kp305i-tranzistor.
Состояние упаковки самоупаковка

Основные параметры

Функциональная группа Транзисторы
Функциональный тип полевой
Типоразмер корпуса отечественный КТ-112
Фактическая маркировка КП305И
Габаритные размеры L*W*H 6х6х19 mm
Высота корпуса 5,3 mm
Тип вывода гибкий
Длина выводов 13,5 mm
Покрытие выводов или контактов Au (золото)
Материал корпуса металлостеклянный
Метод монтажа THT (выводной)

Технические характеристики

Макс. мощность рассеивания 150 mW
Макс. напряжение сток-исток Uси 15 V
Напряжение затвора 15 V
Ток стока 15 mA
Структура N-FET

Условия эксплуатации

Интервал рабочих температур от -60 до +125°C
Климатическое исполнениеi УХЛ
Загрузка...
Принимаем заказы на товары,
не вошедшие в каталог

Пришлите маркировку необходимого вам товара.
Мы предоставим Вам наилучшие условия по поставке!

Оформить заявку

Похожие товары

Артикул (ID): ZK-2290
SUM110P06-07L-E3 Транзистор
  • 301.11 1 шт.
  • 301.11 от 10 шт.
Артикул (ID): ZQ-3807
STP65NF06 Транзистор
  • 67.52 1 шт.
  • 67.52 от 10 шт.
  • 67.52 от 100 шт.
Артикул (ID): CC-12590
Малый набор IRLML полевых (FETs, MOSFETs) smd транзисторов
  • 505.47 1 шт.
Артикул (ID): CC-12584
17 наименований. Набор транзисторов
  • 642.22 1 шт.
Артикул (ID): ZK-4473
IRLML0040TRPBF Транзистор
  • 11.04 1 шт.
  • 11.04 от 10 шт.
  • 11.04 от 100 шт.
Артикул (ID): ZK-6229
STP7NK80ZFP Транзистор
  • 85.91 1 шт.
  • 85.91 от 10 шт.
  • 85.91 от 100 шт.
Артикул (ID): ZO-3171
IRF3205PBF Транзистор
  • 31.77 1 шт.
  • 31.77 от 10 шт.
  • 31.77 от 100 шт.
Артикул (ID): ZO-3186
IRF9540NPBF Транзистор
  • 25.01 1 шт.
  • 25.01 от 10 шт.
  • 25.01 от 100 шт.
Артикул (ID): ZK-6521
BSS131 Транзистор
  • 6.89 1 шт.
  • 6.89 от 10 шт.
  • 6.89 от 100 шт.
Артикул (ID): ZV-6255
IRF1310NSTRLPBF Транзистор
  • 146.19 1 шт.
  • 146.19 от 10 шт.
  • 146.19 от 100 шт.
Артикул (ID): ZV-6254
IKW75N65EH5XKSA1 Транзистор
  • 276.32 1 шт.
  • 276.32 от 10 шт.
  • 276.32 от 100 шт.
Артикул (ID): TT-08646
IRLML9301TRPBF (YJL3407A) SOT-23 MOSFET транзистор YANGJIE
  • 4.08 1 шт.
Артикул (ID): TT-08645
IRLML6402TRPBF SOT-23 MOSFET транзистор HOTTECH
  • 3.92 1 шт.
Артикул (ID): TT-08644
IRLML6401TRPBF SOT-23 MOSFET транзистор RUME
  • 3.68 1 шт.
Артикул (ID): TT-08643
IRLML6401TRPBF SOT-23 MOSFET транзистор HOTTECH
  • 3 1 шт.

Недавно просмотренные товары

Принимаем к оплате
IP Electron в соцсетях