69 975 товаров в наличии и на заказ

Электронные компоненты и расходные материалы

$
Настройка отображения валюты
Полный каталог
Скидка на Конденсаторы
-20%

П217А Транзистор, аА0.336.342ТУ (арт. KT-3568)

Транзисторы П217А германиевые сплавные структуры p-n-p универсальные. Предназначены для применения в переключающих устройствах, выходных каскадах усилителей низкой частоты, преобразователях постоянного напряжения. Используются для работы в радиотехнических и электронных устройствах общего и специального назначения. Расшифровка маркировки биполярного транзистора П217А: П - плоскостной транзистор; 217 - германиевые мощные транзисторы низкой частоты; А - буква, определяющая классификацию транзисторов по параметрам, изготовленных по единому технологическому процессу. Вся дополнительная информация находится во вложении на товар, см. pdf-файл.

Подробнее
Заметили
ошибку ?
Сообщите нам

Общая информация

Наименование П217А Транзистор, аА0.336.342ТУ
Торговая марка Воронежский з-д радиодеталей
Страна происхождения СССР
ТУ аА0.336.342ТУ
Вид приемки i "1"- ОТК
Масса изделия, гр 17
Дата выпуска 1976-1977
Наличие паспорта - этикетки нет
Транслитерация P217A Transistor, aA0.336.342TU
Состояние упаковки самоупаковка

Основные параметры

Функциональная группа Транзисторы
Функциональный тип биполярный
Фактическая маркировка П217А
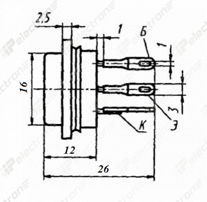
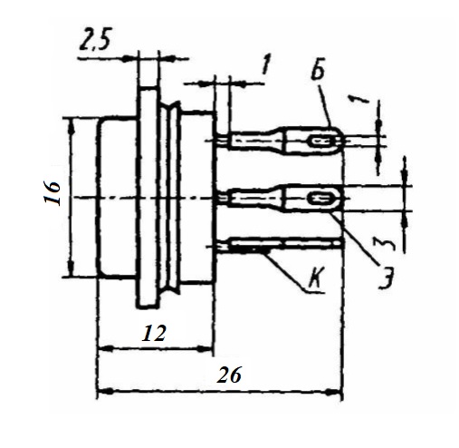
Габаритные размеры L*W*H 20х20х26 mm
Высота корпуса 12 mm
Тип вывода жесткий
Длина выводов 12 mm
Покрытие выводов или контактов лужение
Материал выводов, контактов латунь
Материал корпуса металлостеклянный
Метод монтажа THT (выводной)
Комплектность без фланца

Технические характеристики

Макс. обратный ток 5 mA
Макс. мощность рассеивания 30 W
Макс. допустимое напряжение эммитер-база Uэб 15 V
Макс. допустимое напряжение коллектор-база Uкб 60 V
Макс. допустимое напряжение коллектор-эмиттер Uкэ 45 V
Макс. допустимый постоянный ток коллектора 7,5 A
Статический коэффициент передачи тока 20-60
Структура p-n-p
Крутизна характеристики 5,15±1,25 mA/V

Условия эксплуатации

Интервал рабочих температур от -60 до +70°C
Относительная влажность 98% при температуре +40°С
Климатическое исполнениеi УХЛ
Загрузка...
Принимаем заказы на товары,
не вошедшие в каталог

Пришлите маркировку необходимого вам товара.
Мы предоставим Вам наилучшие условия по поставке!

Оформить заявку

Недавно просмотренные товары

Принимаем к оплате
IP Electron в соцсетях