67 294 товаров в наличии и на заказ

Электронные компоненты и расходные материалы

$
Настройка отображения валюты
Полный каталог
Скидка на Конденсаторы
-20%

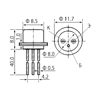
МП14Б ТО-31 Транзистор. (арт. KT-1257)

Транзисторы МП14Б германиевые сплавные p-n-p универсальные низкочастотные маломощные. Предназначены для усиления малых сигналов низкой частоты, усиления, переключения, формирования импульсов, применения в ферриттранзисторных ячейках. Используются для работы в радиотехнических и электронных устройствах общего и специального назначения. Расшифровка маркировки биполярного транзистора: МП14Б: М - холодносварной корпус; П - плоскостной транзистор; 14 - германиевые маломощные транзисторы низкой частоты; Б - буква,определяющая классификацию транзисторов по параметрам, изготовленных по единому технологическому процессу. Вся дополнительная информация находится во вложении на товар, см. pdf-файл.

Подробнее
Заметили
ошибку ?
Сообщите нам

Общая информация

Наименование МП14Б ТО-31 Транзистор.
Торговая марка АООТ Планета, Великий Новгород
Страна происхождения СССР
ТУ 0.336.007 ТУ1
Вид приемки i "1"- ОТК
Масса изделия, гр 1,8
Дата выпуска 1972
Наличие паспорта - этикетки нет
Транслитерация mp14b-to-31-tranzistor.
Вид упаковки самоупаковка
Состояние упаковки самоупаковка

Основные параметры

Функциональная группа Транзисторы
Функциональный тип биполярный
Типоразмер корпуса отечественный КТЮ-3-6
Фактическая маркировка МП14Б
Габаритные размеры L*W*H 48х11,7х11,7 mm
Высота корпуса 8 mm
Тип вывода гибкий
Длина выводов 40 mm
Покрытие выводов или контактов Ni (никель)
Материал выводов, контактов латунь
Материал корпуса металлостеклянный
Метод монтажа в плату

Технические характеристики

Макс. обратный ток 200 µA
Макс. мощность рассеивания 150 mW
Макс. допустимое напряжение эммитер-база Uэб 30 V
Макс. допустимое напряжение коллектор-база Uкб 30 V
Макс. допустимое напряжение коллектор-эмиттер Uкэ 30 V
Макс. допустимый постоянный ток коллектора 20 mA
Статический коэффициент передачи тока 7-60
Структура n-p-n

Условия эксплуатации

Интервал рабочих температур от -50 до +60°C
Относительная влажность до 98% при температуре +30°С
Климатическое исполнениеi УХЛ

Оставить отзыв

Оценка:
              
Преимущества *
Недостатки *
Комментарий *
Ваше Имя *
Эл. почта *
Введите текст с картинки:
* Поля для обязательного заполнения
Отзыв будет опубликован после проверки модератором
Принимаем заказы на товары,
не вошедшие в каталог

Пришлите маркировку необходимого вам товара.
Мы предоставим Вам наилучшие условия по поставке!

Оформить заявку

Недавно просмотренные товары

Принимаем к оплате
IP Electron в соцсетях