70 734 товаров в наличии и на заказ

Электронные компоненты и расходные материалы

$
Настройка отображения валюты
Полный каталог
Скидка на Конденсаторы
-20%

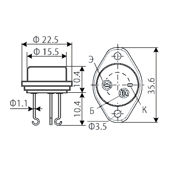
П701 ТО-3 Транзистор. (арт. KT-2159)

Транзисторы П701 ВП кремниевые сплавно-диффузионные структуры n-p-n усилительные низкочастотные. Предназначены для применения в усилителях и генераторах радиоэлектронных устройств общего и специального назначения. Расшифровка маркировки биполярного транзистора П701 ВП:  П - плоскостной транзистор; 701 - кремниевые мощные транзисторы высокой и сверхвысокой частоты; ВП- категория качества. Вся дополнительная информация находится во вложении на товар, см. pdf-файл.

Подробнее
Заметили
ошибку ?
Сообщите нам

Общая информация

Наименование П701 ТО-3 Транзистор.
Торговая марка Микропроцессор (КВАЗАР), Киев
Страна происхождения СССР
ТУ ЩБ3.365.063ТУ
Вид приемки i "5"- ВП, ПЗ
Масса изделия, гр 12
Дата выпуска 1972
Наличие паспорта - этикетки нет
Транслитерация p701-to-3-tranzistor
Состояние упаковки самоупаковка

Основные параметры

Функциональная группа Транзисторы
Функциональный тип биполярный
Типоразмер корпуса отечественный КТ-9
Фактическая маркировка П701 ВП
Габаритные размеры L*W*H 35,6х22,5х20,8 mm
Высота корпуса 10,4 mm
Тип вывода жесткий
Длина выводов 10,4 mm
Покрытие выводов или контактов лужение
Материал выводов, контактов латунь
Материал корпуса металлостеклянный
Метод монтажа THT (выводной)

Технические характеристики

Макс. обратный ток 1000 µA
Макс. мощность рассеивания 10 W
Макс. допустимое напряжение эммитер-база Uэб 2 V
Макс. допустимое напряжение коллектор-база Uкб 40 V
Макс. допустимое напряжение коллектор-эмиттер Uкэ 40 V
Макс. допустимый постоянный ток коллектора 0,5 A
Статический коэффициент передачи тока 10-40
Структура n-p-n
Крутизна характеристики не более 4,5 mA/V

Условия эксплуатации

Интервал рабочих температур от -60 до +125°C
Относительная влажность 95% при температуре 35°С
Атмосферное давление 133 • 10—8 до 305 900 Па.
Климатическое исполнениеi УХЛ
Загрузка...
Принимаем заказы на товары,
не вошедшие в каталог

Пришлите маркировку необходимого вам товара.
Мы предоставим Вам наилучшие условия по поставке!

Оформить заявку

Недавно просмотренные товары

Принимаем к оплате
IP Electron в соцсетях