67 523 товаров в наличии и на заказ

Электронные компоненты и расходные материалы

$
Настройка отображения валюты
Полный каталог
Скидка на Конденсаторы
-20%

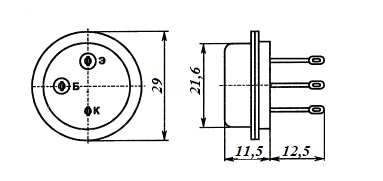
КТ908А Транзистор, ГЕ3.365.012ТУ (арт. SN-6349)

Транзисторы КТ908А  кремниевые мезапланарные структуры n-p-n переключательные.Применяются в стабилизаторах и преобразователях напряжения, импульсных модуляторах. КТ908А К - буква, обозначает исходный материал, из которого изготовлен транзистор и его категорию качества- кремниевый транзистор категории качества «ОТК»; Т - буква, определяющая класс или подгруппу полупроводниковых приборов- биполярный транзистор; 9 - буква, обозначающая функциональное назначение - транзистор большой мощности с максимальной рассеиваемой мощностью более 1,5 Вт и граничной частотой коэффициента передачи тока или максимальной рекомендуемой частотой более 300 МГц; 08 - число, указывающее на порядковый номер разработки транзистора; А - буква, определяющая классификацию транзисторов по параметрам, изготовленных по единому технологическому процессу. Вся дополнительная информация находится во вложении на товар, см. pdf -файл.

Подробнее
Заметили
ошибку ?
Сообщите нам

Общая информация

Наименование КТ908А Транзистор, ГЕ3.365.012ТУ
Торговая марка АО Искра, Ульяновск
Страна происхождения СССР
ТУ ГЕ3.365.012ТУ
Вид приемки i "1"- ОТК
Масса изделия, гр 19,5
Дата выпуска 1982
Наличие паспорта - этикетки нет
Транслитерация KT908A Transistor, GE3.365.012TU
Состояние упаковки самоупаковка

Основные параметры

Функциональная группа Транзисторы
Функциональный тип биполярный
Типоразмер корпуса отечественный КТ-18
Типоразмер корпуса КТЮ-3-20
Фактическая маркировка КТ908А
Габаритные размеры L*W*H 29х29х25 mm
Высота корпуса 12,2 mm
Тип вывода жесткий
Длина выводов 13,4 mm
Покрытие выводов или контактов лужение
Материал корпуса металл со стеклянными изоляторами
Метод монтажа ТНТ (выводной)
Комплектность без фланца

Технические характеристики

Макс. обратный ток 25 mA
Макс. мощность рассеивания 50 W
Макс. допустимое напряжение эммитер-база Uэб 5 V
Макс. допустимое напряжение коллектор-база Uкб 100 V
Макс. допустимое напряжение коллектор-эмиттер Uкэ 65 V
Макс. допустимый постоянный ток коллектора 10 A
Статический коэффициент передачи тока 8-60
Структура n-p-n
Загрузка...
Принимаем заказы на товары,
не вошедшие в каталог

Пришлите маркировку необходимого вам товара.
Мы предоставим Вам наилучшие условия по поставке!

Оформить заявку

Похожие товары

Артикул (ID): ZK-5060
IRFP450 Транзистор
  • 106.74 1 шт.
  • 106.74 от 10 шт.
  • 106.74 от 100 шт.
Артикул (ID): KK-16676
2Т 819 А|||1992|Кремний|
  • 119 1 шт.
Артикул (ID): KK-16675
2Т 819 А|||1991|Кремний|
  • 119 1 шт.
Артикул (ID): ZM-2941
2Т827Б Транзистор, 200*г,
  • 579.75 1 шт.
  • 579.75 от 10 шт.
Артикул (ID): ZA-4580
2Т603А Транзистор
  • 658.8 1 шт.
  • 658.8 от 10 шт.
Артикул (ID): CC-12174
Транзистор DDA143TU-7-F
  • 8.18 1 шт.
Артикул (ID): CC-12172
Транзистор KSC2331
  • 1.12 1 шт.
Артикул (ID): CC-12171
Транзистор IRF360
  • 132.51 1 шт.
Артикул (ID): ZD-222
STGP19NC60HD Транзистор
  • 270.66 1 шт.
  • 270.66 от 10 шт.
  • 270.66 от 100 шт.
Артикул (ID): KK-16621
2Т 830 В|Au||2013|Кремний|копия пасп.
  • 306 1 шт.
Артикул (ID): KK-16620
2Т 664 А9|Ni||2020|Кремний|з/уп,на ленте
  • 289 1 шт.
Артикул (ID): KK-16619
КТ 502 А|||2000|Элекс|этик.+пасп.
  • 3.4 1 шт.
Артикул (ID): KK-16618
2Т 331 Б-1|||2008|Прохладный|копия этик.+пасп.
  • 44.2 1 шт.
Артикул (ID): CC-12054
Транзистор BC847B.215
  • 0.94 1 шт.
Артикул (ID): ZK-4710
SIHG20N50C-E3 Транзистор
  • 152.88 1 шт.
  • 152.88 от 10 шт.
  • 152.88 от 100 шт.

Недавно просмотренные товары

Принимаем к оплате
IP Electron в соцсетях