67 348 товаров в наличии и на заказ

Электронные компоненты и расходные материалы

$
Настройка отображения валюты
Полный каталог
Скидка на Конденсаторы
-20%

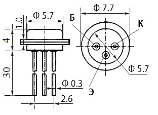
КТ312В Транзистор, аА0.336.674ТУ (арт. TB-6556)

Транзисторы КТ312В кремниевые эпитаксиально-планарные структуры n-p-n универсальные. Предназначены для применения в переключающих устройствах, усилителях и генераторах. Расшифровка маркировки: К - кремниевый транзистор категории качества «ОТК; Т - биполярный транзистор; 3 - транзистор малой мощности - с максимальной рассеиваемой мощностью не более 0,3 Вт и граничной частотой коэффициента передачи тока или максимальной рабочей частотой более 300 МГц; 12 - число, указывающее на порядковый номер разработки транзистора; В - буква, определяющая классификацию транзисторов по параметрам, изготовленных по единому технологическому процессу. Вся дополнительная информация находится во вложении на товар, см. pdf - файл.

Подробнее
Заметили
ошибку ?
Сообщите нам

Общая информация

Наименование КТ312В Транзистор, аА0.336.674ТУ
Торговая марка НПО Электроника, Воронеж
Страна происхождения СССР
ТУ аА0.336.674ТУ
Вид приемки i "1"- ОТК
Масса изделия, гр 0,6
Дата выпуска 1981
Наличие паспорта - этикетки нет
Транслитерация KT312V Transistor, aA0.336.674TU
Состояние упаковки самоупаковка

Основные параметры

Функциональная группа Транзисторы
Функциональный тип биполярный
Типоразмер корпуса отечественный КТЮ-3-1
Фактическая маркировка КТ312В
Габаритные размеры L*W*H 34х5,7х5,7 mm
Высота корпуса 3 mm
Тип вывода гибкий
Длина выводов 30 mm
Покрытие выводов или контактов Ni
Материал выводов, контактов латунь
Материал корпуса металлостеклянный
Метод монтажа в плату

Технические характеристики

Макс. обратный ток не более 0,5 µA
Макс. мощность рассеивания 58 mW
Макс. допустимое напряжение эммитер-база Uэб 4 V
Макс. допустимое напряжение коллектор-база Uкб 20 V
Макс. допустимое напряжение коллектор-эмиттер Uкэ не более 3 V
Макс. допустимый постоянный ток коллектора 10 mA
Статический коэффициент передачи тока 30
Структура n-p-n
Коэффициент передачи тока 80-300

Условия эксплуатации

Интервал рабочих температур от -40 до +85°C
Климатическое исполнениеi УХЛ
Загрузка...
Принимаем заказы на товары,
не вошедшие в каталог

Пришлите маркировку необходимого вам товара.
Мы предоставим Вам наилучшие условия по поставке!

Оформить заявку

Похожие товары

Артикул (ID): KK-17029
2Т 3132 А-2|Au||1991|Пульсар|копия пасп.
  • 408 1 шт.
Артикул (ID): ZA-4583
2Т608А Транзистор
  • 527.04 1 шт.
Артикул (ID): ZP-9111
FGH40N60SMD Транзистор
  • 222.14 1 шт.
  • 222.14 от 10 шт.
Артикул (ID): ZC-2856
2Т312Б Транзистор.
  • 456.02 1 шт.
  • 456.02 от 10 шт.
Артикул (ID): ZA-4523
2Т208Л ТО-18 Транзистор
  • 289.88 1 шт.
Артикул (ID): KL-6605
2N3906 Транзистор, JSMSEMI
  • 1.25 1 шт.
  • 1.15 от 10 шт.
  • 1.08 от 100 шт.
Артикул (ID): KL-6604
2N3904 Транзистор, CTK
  • 0.96 1 шт.
  • 0.89 от 10 шт.
  • 0.84 от 100 шт.
Артикул (ID): ZV-6599
2Т363А (200*г) Транзистор
  • 316.23 1 шт.
Артикул (ID): ZV-6251
IHW30N135R5XKSA1 Транзистор
  • 247.4 1 шт.
  • 247.4 от 10 шт.
  • 247.4 от 100 шт.
Артикул (ID): TT-08616
КТ816Б, TO-126, Биполярный транзистор, PNP, 45 В, 3 А, 25 Вт, Кремний
  • 38.97 1 шт.
Артикул (ID): TT-08615
КТ209Г
Артикул (ID): TT-08614
КТ209В транзистор
Артикул (ID): TT-08613
TIP41C TO-220 транзистор биполярный TRR
  • 12.24 1 шт.
Артикул (ID): TT-08612
TIP41C TO-220 транзистор биполярный ZH
  • 12.24 1 шт.
Артикул (ID): TT-08611
TIP127 TO-220 транзистор биполярный ZH
  • 17.51 1 шт.

Недавно просмотренные товары

Принимаем к оплате
IP Electron в соцсетях