74 080 товаров в наличии и на заказ

Электронные компоненты и расходные материалы

$
Настройка отображения валюты
Полный каталог
Скидка на Конденсаторы
-20%

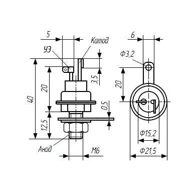
КУ202А Тиристор штыревой, 3.362.034 ТУ (арт. OP-2312)

Тиристоры кремниевые КУ202А планарно-диффузионные, структуры p-n-p-n, триодные, незапираемые. Предназначены для применения в качестве переключающих элементов устройств коммутации напряжения малыми управляющими сигналами.   Используются  в схемах автоматики электронной аппаратуры общего назначения. Расшифровка маркировки КУ202А: К - кремниевый тиристор категории качества «ОТК»; У - триодные тиристоры; 2 - незапираемый тиристор с максимально допустимым значением среднего тока в открытом состоянии от 0,3 до 10 А или максимально допустимым значением импульсного тока в открытом состоянии от 15 до 100 А; 02 - число, обозначающее порядковый номер разработки; А - буква, определяющая классификацию в зависимости от эксплуатационных параметров тиристора. Вся дополнительная информация находится во вложении на товар, см. pdf – файл

Подробнее
Заметили
ошибку ?
Сообщите нам

Общая информация

Наименование КУ202А Тиристор штыревой, 3.362.034 ТУ
Торговая марка Московский завод СТАРТ
Страна происхождения СССР
ТУ ТУ 3.362.034 ТУ
Масса изделия, гр 12
Дата выпуска 1982-1985
Наличие паспорта - этикетки нет
Транслитерация KU202A Pin Thyristor, TU 3.362.034 TU
Состояние упаковки самоупаковка

Основные параметры

Функциональный тип триодный незапираемый
Конструктивное исполнение штыревой
Тип вывода жесткий
Габаритные размеры L*W*H 21х21х39 mm
Высота корпуса 39 mm
Длина корпуса 21 mm
Ширина корпуса 21 mm
Покрытие выводов или контактов лужение
Материал выводов, контактов латунь
Материал корпуса металлостеклянный
Метод монтажа навесной
Рабочее положение любое
Цвет изделия серый
Установочные размеры М6

Технические характеристики

Макс. допустимое постоянное напряжение в закр.сост. 25 V
Макс. повторяющийся импульсный ток в откр.сост. 30 A
Макс. крит.скорость нарастания напряжения в закр.сост. 5 V/µs

Условия эксплуатации

Интервал рабочих температур от -60 до +85°C
Климатическое исполнениеi УХЛ
Кратность отгрузки 1

Оставить отзыв

Оценка:
              
Преимущества *
Недостатки *
Комментарий *
Ваше Имя *
Эл. почта *
Введите текст с картинки:
* Поля для обязательного заполнения
Отзыв будет опубликован после проверки модератором
Принимаем заказы на товары,
не вошедшие в каталог

Пришлите маркировку необходимого вам товара.
Мы предоставим Вам наилучшие условия по поставке!

Оформить заявку

Недавно просмотренные товары

Принимаем к оплате
IP Electron в соцсетях