67 592 товаров в наличии и на заказ

Электронные компоненты и расходные материалы

$
Настройка отображения валюты
Полный каталог
Скидка на Конденсаторы
-20%

КД105Г 0,3А 800В КД-5А Диод выпрямительный, ТР3.362.060ТУ (арт. SN-3253)

Диоды КД105Д кремниевые, диффузионные, выпрямительные. Предназначены для преобразования переменного напряжения частотой до 1,0 кГц. Используются для работы в выпрямительных устройствах электронной аппаратуры общего назначения. Расшифровка маркировки КД105Д: К - кремниевый диод категории качества «ОТК»; Д - диоды выпрямительные и импульсные; 1 – выпрямительные диоды с постоянным или средним значением прямого тока не более 0,3 А; 05 - число, обозначающее порядковый номер разработки; Д - буква, определяющая классификацию в зависимости от эксплуатационных характеристик выпрямительного диода. Вся дополнительная информация находится во вложении на товар, см. pdf-файл.

Подробнее
Заметили
ошибку ?
Сообщите нам

Общая информация

Наименование КД105Г 0,3А 800В КД-5А Диод выпрямительный, ТР3.362.060ТУ
Торговая марка No name USSR
Страна происхождения СССР
ТУ ТР3.362.060ТУ
Вид приемки i "1"- ОТК
Масса изделия, гр 0,35
Дата выпуска дата не указана
Наличие паспорта - этикетки нет
Транслитерация CD105G 0.3A 800V CD-5A Rectifier diode,3.362.060 TU
Состояние упаковки самоупаковка

Основные параметры

Функциональная группа Диод выпрямительный
Функциональный тип малой мощности
Фактическая маркировка красная точка
Типоразмер корпуса отечественный КД5-А
Тип вывода гибкий
Материал корпуса пластмасса
Метод монтажа THT (выводной)
Рабочее положение любое
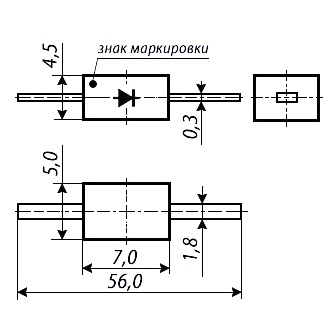
Габаритные размеры L*W*H 56х4,5х5 mm
Высота корпуса 5 mm
Материал выводов, контактов латунь
Покрытие выводов или контактов лужение

Технические характеристики

Рабочая частота 1 kHz
Максимальный прямой ток 300 mA
Макс. обратный ток 100 µA
При I пр. 300 mA
Макс. импульсное обратное напряжение 800 V
Макс. прямое напряжение 1 V

Условия эксплуатации

Минимальная наработка 100000 час.
Интервал рабочих температур от -55 до +85°C
Относительная влажность 98% при температуре +35°С
Атмосферное давление 1,33·10-4 Па
Климатическое исполнениеi УХЛ
Примечание Дата выпуска не указана
Загрузка...
Принимаем заказы на товары,
не вошедшие в каталог

Пришлите маркировку необходимого вам товара.
Мы предоставим Вам наилучшие условия по поставке!

Оформить заявку

Похожие товары

Артикул (ID): KK-16678
2Д 212 А|||1990|Фотон|без креп.,пл.
  • 59.5 1 шт.
Артикул (ID): KK-16677
2Д 212 А|||1990|Фотон|без креп.,мет.подложка
  • 102 1 шт.
Артикул (ID): ZK-1763
VS-HFA08TB60-M3 Диод выпрямительный
  • 103.19 1 шт.
  • 103.19 от 10 шт.
  • 103.19 от 100 шт.
Артикул (ID): ZA-9374
КД226А Диод выпрямительный
  • 21.71 1 шт.
  • 21.71 от 10 шт.
  • 21.71 от 100 шт.
Артикул (ID): ZA-9344
КД209А Диод выпрямительный
  • 10.67 1 шт.
  • 10.67 от 10 шт.
  • 10.67 от 100 шт.
Артикул (ID): ZA-9308
Д242Б Диод выпрямительный
  • 268.07 1 шт.
  • 268.07 от 10 шт.
Артикул (ID): ZM-2911
КД208А Диод выпрямительный
  • 10.67 1 шт.
  • 10.67 от 10 шт.
  • 10.67 от 100 шт.
Артикул (ID): ZP-7925
КД202В Диод выпрямительный
  • 88.25 1 шт.
  • 88.25 от 10 шт.
Артикул (ID): KK-16626
2Д 925 А|Au||2004|Днепр|з/уп
  • 149.94 1 шт.
Артикул (ID): KK-16625
КД 708 В1|||2007|Днепр|з/уп
  • 11.56 1 шт.
Артикул (ID): KK-16624
КД 708 А1|||2008|Днепр|з/уп
  • 17 1 шт.
Артикул (ID): KK-16623
2Д 236 А|||2023|ОКБ Фотон|п/п 25г,з/уп
  • 918 1 шт.
Артикул (ID): KK-16622
2Д 236 А|||2021|ОКБ Фотон|п/п 22г,копия пасп.
  • 748 1 шт.
Артикул (ID): KK-16575
2ДШ 2123 Б94|Au||2014|Электр-ка|
  • 1445 1 шт.
Артикул (ID): KK-16574
КД 244 Г|||2007|СЗТП|з/уп
  • 30.6 1 шт.

Недавно просмотренные товары

Принимаем к оплате
IP Electron в соцсетях