70 734 товаров в наличии и на заказ

Электронные компоненты и расходные материалы

$
Настройка отображения валюты
Полный каталог
Скидка на Конденсаторы
-20%

Д7Ж 0,3А 400В Диод выпрямительный 3.215.108 ТУ (арт. SN-7599)

Диоды Д7Ж германиевые, сплавные, выпрямительные. Предназначены для преобразования переменного напряжения частотой до 2,1 кГц. Используются для работы в радиотехнических и электронных устройствах общего и специального назначения. Расшифровка маркировки выпрямительного диода Д7Ж: Д - буква, характеризующая весь класс полупроводниковых диодов; 7 - число (номер), которое указывает на область применения: от 1 до 100 - точечные германиевые диоды; Ж - буква, определяющая классификацию по параметрам выпрямительного диода. Вся дополнительная информация находится во вложении на товар, см. pdf – файл

Подробнее
Заметили
ошибку ?
Сообщите нам

Общая информация

Наименование Д7Ж 0,3А 400В Диод выпрямительный 3.215.108 ТУ
Торговая марка ПО Фотон, Ташкент
Страна происхождения СССР
ТУ 3.215.108 ТУ
Вид приемки i "1"- ОТК
Масса изделия, гр 1,6
Дата выпуска 1982
Наличие паспорта - этикетки нет
Транслитерация D7J 0.3A 400V rectifier diode 3.215.108 TU
Состояние упаковки самоупаковка

Основные параметры

Функциональная группа Диод выпрямительный
Функциональный тип малой мощности
Фактическая маркировка Д7Ж
Тип вывода гибкий
Материал корпуса металлостеклянный
Метод монтажа THT (выводной)
Рабочее положение любое
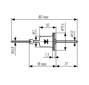
Габаритные размеры L*W*H 11х11х73 mm
Высота корпуса 8,5 mm
Материал выводов, контактов латунь
Покрытие выводов или контактов лужение
Покрытие корпуса без покрытия

Технические характеристики

Рабочая частота 2.4 kHz
Максимальный прямой ток 300 mA
Макс. обратный ток 100 µA
При I пр. 300 mA
Макс. постоянное обратное напряжение 400 V
Макс. прямое напряжение 0,5 V

Условия эксплуатации

Интервал рабочих температур от -60 до +70°C
Климатическое исполнениеi УХЛ
Загрузка...
Принимаем заказы на товары,
не вошедшие в каталог

Пришлите маркировку необходимого вам товара.
Мы предоставим Вам наилучшие условия по поставке!

Оформить заявку

Похожие товары

Артикул (ID): CC-12222
Диод выпрямительный FR207
  • 1.9 1 шт.
Артикул (ID): ZP-3667
S5M Диод выпрямительный
  • 4.29 1 шт.
  • 4.29 от 10 шт.
  • 4.29 от 100 шт.
Артикул (ID): ZK-6324
LL4148-GS08 Диод выпрямительный
  • 1.14 1 шт.
  • 1.14 от 10 шт.
  • 1.14 от 100 шт.
Артикул (ID): KK-16678
2Д 212 А|||1990|Фотон|без креп.,пл.
  • 59.5 1 шт.
Артикул (ID): KK-16677
2Д 212 А|||1990|Фотон|без креп.,мет.подложка
  • 102 1 шт.
Артикул (ID): ZK-1763
VS-HFA08TB60-M3 Диод выпрямительный
  • 103.19 1 шт.
  • 103.19 от 10 шт.
  • 103.19 от 100 шт.
Артикул (ID): ZA-9374
КД226А Диод выпрямительный
  • 21.71 1 шт.
  • 21.71 от 10 шт.
  • 21.71 от 100 шт.
Артикул (ID): ZA-9344
КД209А Диод выпрямительный
  • 10.67 1 шт.
  • 10.67 от 10 шт.
  • 10.67 от 100 шт.
Артикул (ID): ZA-9308
Д242Б Диод выпрямительный
  • 268.07 1 шт.
  • 268.07 от 10 шт.
Артикул (ID): ZM-2911
КД208А Диод выпрямительный
  • 10.67 1 шт.
  • 10.67 от 10 шт.
  • 10.67 от 100 шт.
Артикул (ID): ZP-7925
КД202В Диод выпрямительный
  • 88.25 1 шт.
  • 88.25 от 10 шт.
Артикул (ID): KK-16626
2Д 925 А|Au||2004|Днепр|з/уп
  • 149.94 1 шт.
Артикул (ID): KK-16625
КД 708 В1|||2007|Днепр|з/уп
  • 11.56 1 шт.
Артикул (ID): KK-16624
КД 708 А1|||2008|Днепр|з/уп
  • 17 1 шт.
Артикул (ID): KK-16623
2Д 236 А|||2023|ОКБ Фотон|п/п 25г,з/уп
  • 918 1 шт.

Недавно просмотренные товары

Принимаем к оплате
IP Electron в соцсетях