67 591 товара в наличии и на заказ

Электронные компоненты и расходные материалы

$
Настройка отображения валюты
Полный каталог
Скидка на Конденсаторы
-20%

Д242Б 10А 100В D05 Диод выпрямительный . (арт. KT-2167)

Диоды Д242Б кремниевые, диффузионные, выпрямительные. Предназначены для преобразования переменного напряжения частотой до 1,1 кГц. Используются для работы в выпрямительных устройствах источников вторичного электропитания аппаратуры общего назначения. Расшифровка маркировки выпрямительного диода Д242Б: Д - полупроводниковый диод; 242 - плоскостные кремниевые диоды; Б - буква, определяющая классификацию по параметрам выпрямительного диода. Вся дополнительная информация находится во вложении на товар, см. pdf-файл.

Подробнее
Заметили
ошибку ?
Сообщите нам

Общая информация

Наименование Д242Б 10А 100В D05 Диод выпрямительный .
Торговая марка No name USSR
Страна происхождения СССР
ТУ аА0.336.206ТУ
Вид приемки i "1"- ОТК
Масса изделия, гр 15,79
Дата выпуска 1973
Наличие паспорта - этикетки нет
Транслитерация d242b10a-100v-d05-diod-vypryamitelnyj
Состояние упаковки самоупаковка
Комплектность без крепежа

Основные параметры

Функциональный тип средней мощности
Фактическая маркировка Д242Б
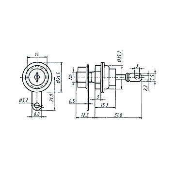
Типоразмер корпуса DO5
Типоразмер корпуса отечественный КДЮ11-4
Тип вывода жесткий
Конструктивное исполнение штыревой
Материал корпуса металл
Метод монтажа Механический, в отверстие
Установочные размеры М6
Рабочее положение любое
Габаритные размеры L*W*H 44.3х21,5х21,5 mm
Высота корпуса 15,3 mm
Материал выводов, контактов латунь
Покрытие выводов или контактов лужение

Технические характеристики

Рабочая частота 1,1 kHz
Максимальный прямой ток 10 А
Макс. обратный ток 3 mA
При I пр. 10 А
Макс. постоянное обратное напряжение 100 V
Макс. импульсное обратное напряжение 100 V
Макс. прямое напряжение 1,25 V

Условия эксплуатации

Минимальная наработка 25000 час.
Интервал рабочих температур от -60 до +130°C
Климатическое исполнениеi УХЛ
Загрузка...
Принимаем заказы на товары,
не вошедшие в каталог

Пришлите маркировку необходимого вам товара.
Мы предоставим Вам наилучшие условия по поставке!

Оформить заявку

Похожие товары

Артикул (ID): KK-16678
2Д 212 А|||1990|Фотон|без креп.,пл.
  • 59.5 1 шт.
Артикул (ID): KK-16677
2Д 212 А|||1990|Фотон|без креп.,мет.подложка
  • 102 1 шт.
Артикул (ID): CC-12098
Диод выпрямительный сборка SBAV70LT1G
Артикул (ID): ZK-1763
VS-HFA08TB60-M3 Диод выпрямительный
  • 103.19 1 шт.
  • 103.19 от 10 шт.
  • 103.19 от 100 шт.
Артикул (ID): ZA-9374
КД226А Диод выпрямительный
  • 21.71 1 шт.
  • 21.71 от 10 шт.
  • 21.71 от 100 шт.
Артикул (ID): ZA-9344
КД209А Диод выпрямительный
  • 10.67 1 шт.
  • 10.67 от 10 шт.
  • 10.67 от 100 шт.
Артикул (ID): ZA-9308
Д242Б Диод выпрямительный
  • 268.07 1 шт.
  • 268.07 от 10 шт.
Артикул (ID): ZM-2911
КД208А Диод выпрямительный
  • 10.67 1 шт.
  • 10.67 от 10 шт.
  • 10.67 от 100 шт.
Артикул (ID): ZP-7925
КД202В Диод выпрямительный
  • 88.25 1 шт.
  • 88.25 от 10 шт.
Артикул (ID): KK-16626
2Д 925 А|Au||2004|Днепр|з/уп
  • 149.94 1 шт.
Артикул (ID): KK-16625
КД 708 В1|||2007|Днепр|з/уп
  • 11.56 1 шт.
Артикул (ID): KK-16624
КД 708 А1|||2008|Днепр|з/уп
  • 17 1 шт.
Артикул (ID): KK-16623
2Д 236 А|||2023|ОКБ Фотон|п/п 25г,з/уп
  • 918 1 шт.
Артикул (ID): KK-16622
2Д 236 А|||2021|ОКБ Фотон|п/п 22г,копия пасп.
  • 748 1 шт.
Артикул (ID): KK-16575
2ДШ 2123 Б94|Au||2014|Электр-ка|
  • 1445 1 шт.

Недавно просмотренные товары

Принимаем к оплате
IP Electron в соцсетях