70 765 товаров в наличии и на заказ

Электронные компоненты и расходные материалы

$
Настройка отображения валюты
Полный каталог
Скидка на Конденсаторы
-20%

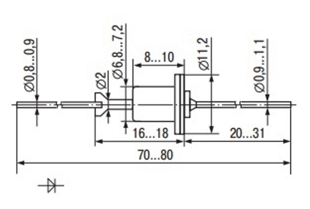
Д237А ОС 0,3А 200В Диод выпрямительный (арт. SN-2904)

Выпрямительный диод  2Д230В кремниевый диффузионный предназначен для преобразования переменного напряжения частотой до 50 кГц.
Выпускаются в металлостеклянном корпусе с жесткими выводами. Максимальное постоянное обратное напряжение 800 В, максимальный прямой ток 3 А.

Подробнее
Заметили
ошибку ?
Сообщите нам

Общая информация

Наименование Д237А ОС 0,3А 200В Диод выпрямительный
Торговая марка АООТ Томилинский ЗПП
Страна происхождения СССР
ТУ 3.362.021 ТУ и аАО.339.190 ТУ
Вид приемки i "9"- ОС
Масса изделия, гр 1,95
Наличие паспорта - этикетки есть
Транслитерация D237A OS "9"
Вид упаковки картонная коробка
Доупаковка картонная пластина
Состояние упаковки заводская

Основные параметры

Функциональная группа Диод выпрямительный
Функциональный тип малой мощности
Тип вывода гибкий
Материал корпуса металл
Метод монтажа THT (выводной)
Рабочее положение любое
Габаритные размеры L*W*H 11х11х75
Высота корпуса 11 mm

Технические характеристики

Максимальный прямой ток 300 mA
Макс. обратный ток 50 µA
При I пр. 300 mA
Макс. импульсное обратное напряжение 200 V
Макс. прямое напряжение 1 V

Условия эксплуатации

Интервал рабочих температур от -60 до +125°C
Примечание (1977-1988гг.)

Оставить отзыв

Оценка:
              
Преимущества *
Недостатки *
Комментарий *
Ваше Имя *
Эл. почта *
Введите текст с картинки:
* Поля для обязательного заполнения
Отзыв будет опубликован после проверки модератором
Принимаем заказы на товары,
не вошедшие в каталог

Пришлите маркировку необходимого вам товара.
Мы предоставим Вам наилучшие условия по поставке!

Оформить заявку

Похожие товары

Артикул (ID): CC-12222
Диод выпрямительный FR207
  • 1.88 1 шт.
Артикул (ID): ZP-3667
S5M Диод выпрямительный
  • 4.29 1 шт.
  • 4.29 от 10 шт.
  • 4.29 от 100 шт.
Артикул (ID): ZK-6324
LL4148-GS08 Диод выпрямительный
  • 1.14 1 шт.
  • 1.14 от 10 шт.
  • 1.14 от 100 шт.
Артикул (ID): KK-16678
2Д 212 А|||1990|Фотон|без креп.,пл.
  • 59.5 1 шт.
Артикул (ID): KK-16677
2Д 212 А|||1990|Фотон|без креп.,мет.подложка
  • 102 1 шт.
Артикул (ID): ZK-1763
VS-HFA08TB60-M3 Диод выпрямительный
  • 103.19 1 шт.
  • 103.19 от 10 шт.
  • 103.19 от 100 шт.
Артикул (ID): ZA-9374
КД226А Диод выпрямительный
  • 21.71 1 шт.
  • 21.71 от 10 шт.
  • 21.71 от 100 шт.
Артикул (ID): ZA-9344
КД209А Диод выпрямительный
  • 10.67 1 шт.
  • 10.67 от 10 шт.
  • 10.67 от 100 шт.
Артикул (ID): ZA-9308
Д242Б Диод выпрямительный
  • 268.07 1 шт.
  • 268.07 от 10 шт.
Артикул (ID): ZM-2911
КД208А Диод выпрямительный
  • 10.67 1 шт.
  • 10.67 от 10 шт.
  • 10.67 от 100 шт.
Артикул (ID): ZP-7925
КД202В Диод выпрямительный
  • 88.25 1 шт.
  • 88.25 от 10 шт.
Артикул (ID): KK-16626
2Д 925 А|Au||2004|Днепр|з/уп
  • 149.94 1 шт.
Артикул (ID): KK-16625
КД 708 В1|||2007|Днепр|з/уп
  • 11.56 1 шт.
Артикул (ID): KK-16624
КД 708 А1|||2008|Днепр|з/уп
  • 17 1 шт.
Артикул (ID): KK-16623
2Д 236 А|||2023|ОКБ Фотон|п/п 25г,з/уп
  • 918 1 шт.

Недавно просмотренные товары

Принимаем к оплате
IP Electron в соцсетях