70 085 товаров в наличии и на заказ

Электронные компоненты и расходные материалы

$
Настройка отображения валюты
Полный каталог
Скидка на Конденсаторы
-20%

С2-33М 2W(Ватт) 22k Ω(кОм)±5% Резистор металлопленочный, ШКАБ.434110.007ТУ (арт. TP-9626)

Завод Ресурс, Богородицк, Тульская обл.; " 1" - ОТК

С2-33М 2Ватт 22кОм±5% Резистор постоянный, непроволочный, неизолированный. Структура условного обозначения: С2-33М – тип резистора; 2Вт – мощность рассеивания (Ватт); 22кОм – номинальное сопротивление, единицы измерения; ±5% - допустимое отклонение сопротивления. Резисторы С2-33М изготавливаются в соответствии с техническими условиями ШКАБ.434110.007 ТУ (приёмка "ОТК") и соответствуют требованиям ГОСТ 24238, вид климатического исполнения В2.1 по ГОСТ 15150, а также ШКАБ.434110.006 ТУ (приемка “5”) и удовлетворяют требованиям ОСТ В 11 0657, вид климатического исполнения В по ГОСТ В 20.39.404. Предназначен для работы в цепях постоянного, переменного и импульсного тока. Вся дополнительная информация находится во вложении, см. pdf -  файл.

Подробнее
Заметили
ошибку ?
Сообщите нам

Общая информация

Наименование С2-33М 2W(Ватт) 22k Ω(кОм)±5% Резистор металлопленочный, ШКАБ.434110.007ТУ
Торговая марка Завод Ресурс, Богородицк, Тульская обл.
Страна изготовления РОССИЯ
Нормы и требования ШКАБ.434110.007ТУ
Вид приемки i "1"- ОТК
Дата изготовленияi дата не указана
Масса изделия, гр 0,41
Транслитерация S2-33M 2W (Watt) 22kΩ (kOhm) ±5% Metal-film resistor, ShKAB.434110.007TU
Вид упаковки картонная коробка (500шт)
Состояние упаковки самоупаковка

Основные параметры

Функциональная группа Резистор постоянный
Функциональный тип резисторы металлопленочные
Серия резисторов С2-33М
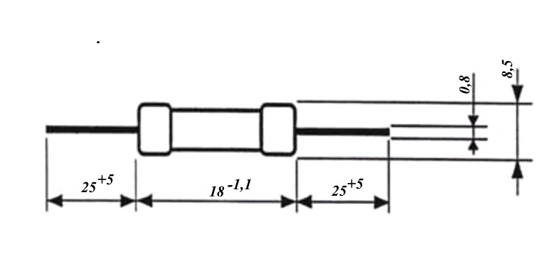
Габаритные размеры L*W*H 8,5х68 mm
Высота корпуса 18 mm
Диаметр корпуса 8,5 mm
Метод монтажа механический в плату
Метод монтажа электрический пайка
Вид выводов аксиальные проволочные
Количество выводов 2
Диаметр выводов 0,8 mm
Длина выводов 25 mm
Материал выводов медный сплав
Покрытие выводов лужение
Материал корпуса металлопленочный
Резистивный материал металлосилициевые сплавы
Покрытие корпуса лаковое покрытие
Цвет корпуса серый
Фактическая маркировка цветовая маркировка
Рабочее положение любое
Аналогичные серии (О)МЛТ..., МТ…, С2-23…, С2-33…, C2-36....,MF...
Другие наименования резисторы металлизированными, металлодиэлектрические…

Технические характеристики

Номинальное сопротивление 22 kΩ
Допустимое отклонение ±5%
Пределы номинального сопротивления 1 Ω - 22 MΩ
Рабочее напряжение, max 750 V
Номинальная мощность 2 W
Уровень шумов 1 mkV/V
Ряд сопротивления резисторов E24; E96
Синусоидальная вибрация: :
- амплитуда ускорения 20 g
- диапазон частот 1-3000 Hz

Условия эксплуатации

Интервал рабочих температур от -60 до +155°С
Относительная влажность 98% при температуре +35°С
Атмосферное давление 84000 Pa - 106700 Pa
Климатическое исполнениеi В2.1
Минимальный срок сохраняемости, лет 25

Оставить отзыв

Оценка:
              
Преимущества *
Недостатки *
Комментарий *
Ваше Имя *
Эл. почта *
Введите текст с картинки:
* Поля для обязательного заполнения
Отзыв будет опубликован после проверки модератором
Принимаем заказы на товары,
не вошедшие в каталог

Пришлите маркировку необходимого вам товара.
Мы предоставим Вам наилучшие условия по поставке!

Оформить заявку

Похожие товары

Артикул (ID): CC-12195
Резистор пост-й выводной 2Вт (РФ) МЛТ-2W 7,5M 10%
  • 2.04 1 шт.
Артикул (ID): CC-12194
Резистор пост-й выводной 2Вт (РФ) МЛТ-2W 6,2M 5%
  • 1.76 1 шт.
Артикул (ID): CC-12193
Резистор пост-й выводной 2Вт (РФ) МЛТ-2W 8,2M 10%
  • 1.76 1 шт.
Артикул (ID): CC-12192
Резистор постоянный выводной 0,25W 200R 5% / CF14R201JT
  • 0.34 1 шт.
Артикул (ID): CC-12191
Резистор постоянный выводной 1K 1W 5% / MOR01SJ0102A10
  • 3.37 1 шт.
Артикул (ID): CC-12190
Резистор постоянный выводной 0,25WS 130K 5% small
  • 0.11 1 шт.
Артикул (ID): CC-12189
Резистор постоянный выводной 0,25W 9,1K 5%
  • 0.29 1 шт.
Артикул (ID): CC-12188
Резистор постоянный выводной 0,25W 16K 5%
  • 0.25 1 шт.
Артикул (ID): CC-12069
Резистор металлопленочный MF200J820RT
  • 7.19 1 шт.
Артикул (ID): CC-12068
Резистор металлопленочный MF-0.5W 560K 5% / MFR-50JT-52-560K
  • 3.3 1 шт.
Артикул (ID): BV-6879
МЛТ-0,5W(Ватт) 82kΩ(кОм)±10% Резистор металлопленочный, ОЖ0.467.180ТУ
  • 21 1 шт.
  • 18 от 10 шт.
  • 14 от 50 шт.
Артикул (ID): CC-11961
Резистор постоянный выводной РФ C2-33M-0,5Вт 13K 5%
  • 0.63 1 шт.
Артикул (ID): CC-11960
Резистор постоянный выводной РФ C2-33M-0,5Вт 1,6K 5%
  • 0.72 1 шт.
Артикул (ID): CC-11959
Резистор постоянный выводной РФ C2-23-0,5Вт 75K 5%
  • 0.43 1 шт.
Артикул (ID): CC-11958
Резистор постоянный выводной РФ C2-33М-0,5Вт 820R 5%
  • 0.76 1 шт.

Недавно просмотренные товары

Принимаем к оплате
IP Electron в соцсетях