70 085 товаров в наличии и на заказ

Электронные компоненты и расходные материалы

$
Настройка отображения валюты
Полный каталог
Скидка на Конденсаторы
-20%

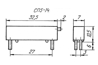
СП5-14 1W(Ватт) 47 Ω(Ом)-А±10% Резистор подстроечный многооборотный (арт. KP-9985)

Резистор СП5-14 1 Вт 47 Ом±10% переменный, проволочный, подстроечный прямоугольный. Многооборотный с прямолинейным перемещением подвижной контактной системы, производимый микрометрическим винтом. Изменение сопротивления от минимального до максимального значения производится за 60 полных оборотов. Предназначены для работы в цепях постоянного, переменного и импульсного тока. Номинальная мощность 1 Вт. Номинальное сопротивление 47 Ом.Вся дополнительная информация находится во вложении на товар, см. pdf-файл.

Подробнее
Заметили
ошибку ?
Сообщите нам

Общая информация

Наименование СП5-14 1W(Ватт) 47 Ω(Ом)-А±10% Резистор подстроечный многооборотный
Торговая марка Бином, Владикавказ
Страна изготовления СССР
Нормы и требования ОЖ0.468.551 ТУ
Вид приемки i "1"- ОТК
Масса изделия, гр 3,8
Дата изготовленияi 1976-1991
Транслитерация SP5-14 1W 47 Ω±10%
Вид упаковки картонная коробка
Состояние упаковки заводская
Кратность упаковки 16

Основные параметры

Функциональная группа Резисторы подстроечные
Функциональный тип резисторы многооборотные
Серия резисторов СП5-14
Функциональная характеристика А
Количество оборотов 60
Материал выводов латунь
Вид выводов жесткие
Покрытие выводов лужение
Количество выводов 4
Расстояние между выводами 27,7 mm
Установочные размеры 27 mm
Рабочее положение любое
Габаритные размеры L*W*H 32,5х7х10,5 mm
Длина корпуса 32,5 mm
Ширина корпуса 7 mm
Высота корпуса 10,5 mm
Материал корпуса алюминий
Метод монтажа механический на панель
Метод монтажа электрический пайка
Вид регулировочной ручки шлиц
Фактическая маркировка СП5-14 1Вт 47Ом±10%

Технические характеристики

Единицы измерения сопротивления Ω (Ом)
Номинальное сопротивление 47 Ω
Предельное сопротивление 10Ω - 47kΩ
Номинальная мощность 1 W
Рабочее напряжение, max 200 V
Допустимое отклонение ±10%
Материал резистивного элемента проволока
ТКС - температурный коэффициент сопротивления 500×10⁻⁶/1°C

Условия эксплуатации

Минимальная наработка 20 000 час.
Ресурс 200 циклов
Интервал рабочих температур от -60 до +125°C
Относительная влажность 98% при температуре +40°С
Атмосферное давление 15 - 780 мм рт.ст.
Загрузка...
Принимаем заказы на товары,
не вошедшие в каталог

Пришлите маркировку необходимого вам товара.
Мы предоставим Вам наилучшие условия по поставке!

Оформить заявку

Похожие товары

Артикул (ID): ZR-6978
3296Z-1-205 0,5W(Ватт) 2MΩ(МОм)-А±10% Резистор подстроечный многооборотный
  • 6.11 1 шт.
  • 6.11 от 10 шт.
  • 6.11 от 100 шт.
Артикул (ID): ZR-6977
3296Z-1-202 0,5W(Ватт) 2kΩ(кОм)-А±10% Резистор подстроечный многооборотный
  • 6.11 1 шт.
  • 6.11 от 10 шт.
  • 6.11 от 100 шт.
Артикул (ID): ZR-6961
3296X-1-201 0,5W(Ватт) 200Ω(Ом)-А±10% Резистор подстроечный многооборотный
  • 10.98 1 шт.
  • 10.98 от 10 шт.
  • 10.98 от 100 шт.
Артикул (ID): ZR-6947
3296W-1-201(СП5-2ВБ) 0,5W(Ватт) 200Ω(Ом)-А±10% Резистор подстроечный многооборотный
  • 11.67 1 шт.
  • 11.67 от 10 шт.
  • 11.67 от 100 шт.
Артикул (ID): ZR-6925
3266W-1-503 0,5W(Ватт) 50kΩ(кОм)-А±10% Резистор подстроечный многооборотный
  • 26.7 1 шт.
  • 26.7 от 10 шт.
  • 26.7 от 100 шт.
Артикул (ID): ZR-6922
3266W-1-205 0,5W(Ватт) 2MΩ(МОм)-А±10% Резистор подстроечный многооборотный
  • 18.54 1 шт.
  • 18.54 от 10 шт.
Артикул (ID): ZR-6915
3266W-1-103 0,5W(Ватт) 10kΩ(кОм)-А±10% Резистор подстроечный многооборотный
  • 24.24 1 шт.
  • 24.24 от 10 шт.
  • 24.24 от 100 шт.
Артикул (ID): ZR-6912
3266P-1-502 0,5W(Ватт) 5kΩ(кОм)-А±10% Резистор подстроечный многооборотный
  • 12.2 1 шт.
  • 12.2 от 10 шт.
  • 12.2 от 100 шт.
Артикул (ID): ZR-6887
3224W-1-104 0,5W(Ватт) 100kΩ(кОм)-А±10% Резистор подстроечный многооборотный
  • 107.36 1 шт.
  • 107.36 от 10 шт.
Артикул (ID): ZR-6884
3006P-1-503 0,5W(Ватт) 50kΩ(кОм)-А±10% Резистор подстроечный многооборотный
  • 20.43 1 шт.
  • 20.43 от 10 шт.
  • 20.43 от 100 шт.
Артикул (ID): ZR-6883
3006P-1-501 0,5W(Ватт) 500Ω(Ом)-А±10% Резистор подстроечный многооборотный
  • 20.43 1 шт.
  • 20.43 от 10 шт.
  • 20.43 от 100 шт.
Артикул (ID): ZR-6881
3006P-1-205 0,5W(Ватт) 2MΩ(МОм)-А±10% Резистор подстроечный многооборотный
  • 20.43 1 шт.
  • 20.43 от 10 шт.
  • 20.43 от 100 шт.
Артикул (ID): ZR-6880
3006P-1-202 0,5W(Ватт) 2kΩ(кОм)-А±10% Резистор подстроечный многооборотный
  • 20.43 1 шт.
  • 20.43 от 10 шт.
  • 20.43 от 100 шт.
Артикул (ID): ZR-6877
3006P-1-204 0,5W(Ватт) 200kΩ(кОм)-А±10% Резистор подстроечный многооборотный
  • 20.43 1 шт.
  • 20.43 от 10 шт.
  • 20.43 от 100 шт.
Артикул (ID): ZR-6876
3006P-1-105 0,5W(Ватт) 1MΩ(МОм)-А±10% Резистор подстроечный многооборотный
  • 20.43 1 шт.
  • 20.43 от 10 шт.
  • 20.43 от 100 шт.

Недавно просмотренные товары

Принимаем к оплате
IP Electron в соцсетях