74 118 товаров в наличии и на заказ

Электронные компоненты и расходные материалы

$
Настройка отображения валюты
Полный каталог
Скидка на Конденсаторы
-20%

ППБ-50Е 50W(Ватт) 68 Ω(Ом)-А±5%, Е-ВС2(под шлиц) Резистор переменный (потенциометр) (арт. TD-8445)

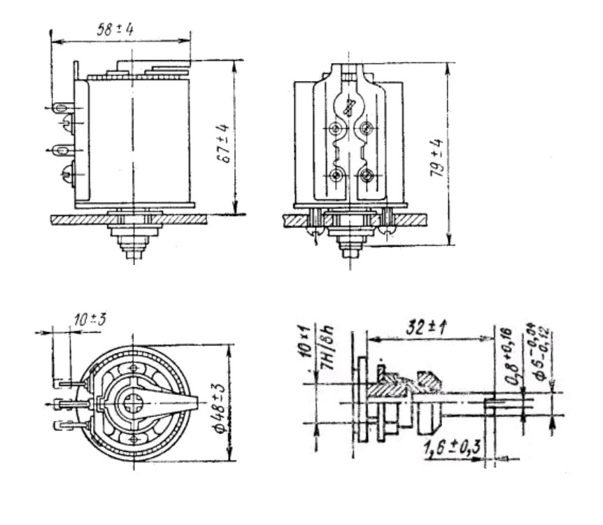
ППБ-50Е 50W(Ватт) 68Ω(Ом)-А±5%, Е-ВС2(под шлиц) Резистор переменный (потенциометр) проволочный, подстроечный со стопорением вала, одинарный, однооборотный. Предназначен для работы в электрических цепях постоянного и переменного тока. Номинальная мощность: 50 W. Номинальное сопротивление: 68 Ω. Предельное напряжение: 500 V. Вся дополнительная информация находится во вложении на товар, см. pdf - файл.

Подробнее
Заметили
ошибку ?
Сообщите нам

Общая информация

Наименование ППБ-50Е 50W(Ватт) 68 Ω(Ом)-А±5%, Е-ВС2(под шлиц) Резистор переменный (потенциометр)
Торговая марка ОАО Контакт, Йошкар-Ола
Страна изготовления СССР
Нормы и требования ОЖО 468.555 ТУ
Дата изготовленияi 1959-1991
Вид приемки i "1"- ОТК
Масса изделия, гр 250
Транслитерация PPB-50E 68 Ω±5% Resistor
Состояние упаковки самоупаковка
Кратность упаковки 1

Основные параметры

Функциональная группа Резистор переменный (потенциометр)
Функциональный тип резисторы проволочные мощные
Серия резисторов ППБ
Функциональная характеристика А - линейная
Материал резистивного элемента проволока
Диаметр вала (оси) выступающей части 6 mm
Длина конца вала 9 mm
Длина вала (длина выступающей части) 32 mm
Вид вала i ВС2(под шлиц)
Вариант конца вала ППБ Е
Вид и размер резьбы корпуса М10 (метрическая)
Исполнение потенциометра вертикальный
Материал выводов латунь
Материал корпуса стеклоткань
Установочные размеры 10,2 mm
Вид выводов лепесток
Покрытие выводов (Ag) серебро
Количество выводов 3
Шаг выводов 15 mm
Количество оборотов однооборотный
Габаритные размеры L*W*H 60х49х101 mm
Диаметр корпуса 49 mm
Высота корпуса 87 mm
Метод монтажа механический на панель
Метод монтажа электрический пайка
Дополнительные характеристики подстроечный со стопорением вала
Фактическая маркировка ППБ-50Е 68 Ом±5%

Технические характеристики

Единицы измерения сопротивления Ω (Ом)
Номинальное сопротивление 68 Ω
Номинальная мощность 50 W
Макс. или предельное рабочее напряжение 500 V
ТКС - температурный коэффициент сопротивления ±500×10⁻⁶/1°C
Допустимое отклонение ±5%
Уровень шумов не более 5 %
Род тока постоянный и переменный

Условия эксплуатации

Минимальная наработка 10 000 час.
Ресурс 1000 циклов
Интервал рабочих температур от -60 до +155°С
Относительная влажность 98% при температуре +35°С
Атмосферное давление от 106700 до 27198 Pa
Диапазон частот 1-1000 Hz
Климатическое исполнениеi УХЛ
Минимальный срок сохраняемости, лет 12

Функциональные аналоги

Возможные аналоги

ППБ-50Г 50W(Ватт) 100Ω(Ом)-А±10%, Г-ВС3(с прямой лыской) Резистор переменный (потенциометр)., фото
Артикул (ID): TN-6209
ППБ-50Г 50W(Ватт) 100Ω(Ом)-А±10%, Г-ВС3(с прямой лыской) Резистор переменный (потенциометр).
ППБ-50Г 50W(Ватт) 68Ω(Ом)-А±5% ОАО Контакт, фото
ППБ-50Г 50W(Ватт) 68Ω(Ом)-А±5% ОАО Контакт
ППБ-50Г13 50W(Ватт) 68Ω(Ом)-А±10% ОАО Контакт, фото
ППБ-50Г13 50W(Ватт) 68Ω(Ом)-А±10% ОАО Контакт
ППБ-50Г 50W(Ватт) 100Ω(Ом)-А±5% ОАО Контакт, фото
ППБ-50Г 50W(Ватт) 100Ω(Ом)-А±5% ОАО Контакт
ППБ-50Г13 50W(Ватт) 100Ω(Ом)-А±10% ОАО Контакт, фото
ППБ-50Г13 50W(Ватт) 100Ω(Ом)-А±10% ОАО Контакт
Загрузка...
Принимаем заказы на товары,
не вошедшие в каталог

Пришлите маркировку необходимого вам товара.
Мы предоставим Вам наилучшие условия по поставке!

Оформить заявку

Похожие товары

Артикул (ID): SN-4928
ППБ-50Е 50W(Ватт) 22Ω(Ом)-А±5%, Е-ВС2(под шлиц) Резистор переменный (потенциометр)
  • 1035 1 шт.
  • 981 от 5 шт.
Артикул (ID): TN-2297
ППБ-25Г 25W(Ватт) 47Ω(Ом)-А±10%, Г-ВС3(с прямой лыской) Резистор переменный (потенциометр)
Артикул (ID): TN-7112
ППБ-50Е 50W(Ватт) 2,2Ω(Ом)-А±10%, Е-ВС2(под шлиц) Резистор переменный (потенциометр).
Артикул (ID): TM-8596
ППБ-25Е 25W(Ватт) 10Ω(Ом)-А±5%, Е-ВС2(под шлиц) Резистор переменный (потенциометр).
Артикул (ID): TF-1899
Уценка ППБ-50Е 50W(Ватт) 22Ω(Ом)-А±5%, Е-ВС2(под шлиц) Резистор переменный (потенциометр)
  • 725 1 шт.
Артикул (ID): TF-1657
Уценка ПП3-41 3W(Ватт) 20kΩ(кОм)-А±10%, ВС2(под шлиц) Резистор переменный (потенциометр), ОЖ0.468.565ТУ
  • 135 1 шт.
Артикул (ID): KK-15082
ПП3-43-1 К||5|2016|Арзамас|10%,з/уп"
  • 510 1 шт.
Артикул (ID): KK-15083
ПП3-43-1 К||5|2017|Арзамас|10%,з/уп"
  • 561 1 шт.
Артикул (ID): KK-15084
ПП3-43-1 К||5|2018|Арзамас|10%,з/уп"
  • 561 1 шт.
Артикул (ID): KK-15085
ПП3-43-1 К||5|2019|Арзамас|10%,з/уп"
  • 612 1 шт.
Артикул (ID): ZK-6902
BC1-100 100W(Ватт) 1Ω(Ом) Резистор переменный (потенциометр)
  • 969.18 1 шт.
  • 969.18 от 10 шт.
  • 969.18 от 100 шт.
Артикул (ID): BV-9300
ППБ-15Е 15W(Ватт) 470Ω(Ом)-А±10%, Е-ВС2(под шлиц) Резистор переменный (потенциометр), ОЖО 468.512 ТУ
  • 550 1 шт.
Артикул (ID): KK-16781
ПП3-43-220 Ом|||1993|Арзамас|10%,с креп.
  • 119 1 шт.
Артикул (ID): KK-16986
ППБ-1А-100 Ом|||1992|Контакт|10%"
  • 204 1 шт.
Артикул (ID): KL-6761
Уценка ППБ-50Е 50W(Ватт) 22Ω(Ом)-А±5%, Е-ВС2(под шлиц) Резистор переменный (потенциометр), ОЖ0.468.512 ТУ
  • 931.5 1 шт.

Недавно просмотренные товары

Принимаем к оплате
IP Electron в соцсетях