58 988 товаров в наличии и на заказ

Электронные компоненты и расходные материалы

$
Настройка отображения валюты
Полный каталог
Скидка на  Переключатели перекидные (Тумблеры)
-20%

ППБ-50Е 50W(Ватт) 47 Ω(Ом)-А±10%, Е-ВС2(под шлиц) Резистор переменный (потенциометр)(арт. SN-4974)

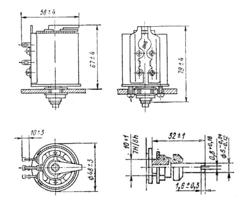
ППБ-50Е 50W(Ватт) 47Ω(Ом)-А±10%, Е-ВС2(под шлиц) Резистор переменный (потенциометр) проволочный, подстроечный со стопорением вала, одинарный, однооборотный. Предназначен для работы в электрических цепях постоянного и переменного тока. Номинальная мощность: 50 W. Номинальное сопротивление: 47 Ω. Предельное напряжение: 500 V. Вся дополнительная информация находится во вложении на товар, см. pdf - файл.

Подробнее
Заметили
ошибку ?
Сообщите нам

Общая информация

Наименование ППБ-50Е 50W(Ватт) 47 Ω(Ом)-А±10%, Е-ВС2(под шлиц) Резистор переменный (потенциометр)
Торговая марка ОАО Контакт, Йошкар-Ола
Страна изготовления СССР
Нормы и требования ОЖО 468.555 ТУ
Дата изготовленияi 1959-1991
Вид приемки i "1"- ОТК
Масса изделия, гр 250
Транслитерация PPB-50E 47 Ω±10% Resistor
Состояние упаковки заводская
Кратность упаковки 1

Основные параметры

Функциональная группа Резистор переменный (потенциометр)
Функциональный тип резисторы проволочные мощные
Серия резисторов ППБ
Функциональная характеристика А - линейная
Материал резистивного элемента проволока
Диаметр вала (оси) выступающей части 6 mm
Длина конца вала 9 mm
Длина вала (длина выступающей части) 32 mm
Вид вала i ВС2(под шлиц)
Вариант конца вала ППБ Е
Вид и размер резьбы корпуса М10 (метрическая)
Исполнение потенциометра вертикальный
Материал выводов латунь
Материал корпуса стеклоткань
Установочные размеры 10,2 mm
Вид выводов лепесток
Покрытие выводов (Ag) серебро
Количество выводов 3
Шаг выводов 15 mm
Количество оборотов однооборотный
Габаритные размеры L*W*H 60х49х101 mm
Диаметр корпуса 49 mm
Высота корпуса 87 mm
Метод монтажа механический на панель
Метод монтажа электрический пайка
Дополнительные характеристики подстроечный со стопорением вала
Фактическая маркировка ППБ-50Е 47 Ом±10%

Технические характеристики

Единицы измерения сопротивления Ω (Ом)
Номинальное сопротивление 47 Ω
Номинальная мощность 50 W
Макс. или предельное рабочее напряжение 500 V
ТКС - температурный коэффициент сопротивления ±500×10⁻⁶/1°C
Допустимое отклонение ±10%
Уровень шумов не более 5 %
Род тока постоянный и переменный

Условия эксплуатации

Минимальная наработка 15 000 час.
Ресурс 5000 циклов
Интервал рабочих температур от -60 до +155°С
Относительная влажность 98% при температуре +35°С
Атмосферное давление от 106700 до 27198 Pa
Диапазон частот 1-1000 Hz
Климатическое исполнениеi УХЛ
Минимальный срок сохраняемости, лет 12

Полные аналоги

Функциональные аналоги

Возможные аналоги

Загрузка...
Принимаем заказы на товары,
не вошедшие в каталог

Пришлите маркировку необходимого вам товара.
Мы предоставим Вам наилучшие условия по поставке!

Оформить заявку

Похожие товары

Артикул (ID): TN-7197
ППБ-50Е 50W(Ватт) 100Ω(Ом)-А±5%, Е-ВС2(под шлиц) Резистор переменный (потенциометр)
Артикул (ID): SN-4968
СП5-30-1(I)-25Е 25W(Ватт) 3,3kΩ(кОм)-А±5%, Е-ВС2(под шлиц) Резистор переменный (потенциометр).
  • 890 1 шт.
Артикул (ID): TN-6209
ППБ-50Г 50W(Ватт) 100Ω(Ом)-А±10%, Г-ВС3(с прямой лыской) Резистор переменный (потенциометр).
Артикул (ID): TB-7409
ППБ-15Г13 15W(Ватт) 1kΩ(кОм)-А±10%, Г-ВС3(с прямой лыской) Резистор переменный (потенциометр)
  • 650 1 шт.
Артикул (ID): TB-7419
ППБ-25Г 25W(Ватт) 2,2Ω(Ом)-А±10%, Г-ВС3(с прямой лыской) Резистор переменный (потенциометр).
  • 890 1 шт.
Артикул (ID): ZR-7379
ППБ-3Б 68Ом Резистор переменный (потенциометр).
  • 219.02 1 шт.
  • 182.52 от 10 шт.
Артикул (ID): ZR-7387
ППБ-3Б 330Ом Резистор переменный (потенциометр),
  • 219.02 1 шт.
  • 182.52 от 10 шт.
Артикул (ID): ZR-7393
ППБ-3Б 680Ом Резистор переменный (потенциометр).
  • 219.02 1 шт.
  • 182.52 от 10 шт.
Артикул (ID): TB-9077
ППБ-1А 1W(Ватт) 10kΩ(кОм)-А±10%, А-ВС1(сплошной гладкий) Резистор переменный (потенциометр), ОЖО 468.555 ТУ
  • 225 1 шт.
Артикул (ID): ZR-7380
ППБ-3Б 3W(Ватт) 22Ω(Ом)-А, Б-ВС2(под шлиц) Резистор переменный (потенциометр)
  • 219.02 1 шт.
  • 182.52 от 10 шт.
  • 219.02 .
Артикул (ID): ZR-7382
ППБ-3Б 100Ом Резистор переменный (потенциометр).
  • 219.02 1 шт.
  • 182.52 от 10 шт.
  • 219.02 .
Артикул (ID): TB-9965
Уценка ППБ-3В 3W(Ватт) 1kΩ(кОм)-А±10%, В-ВС2(под шлиц) Резистор переменный (потенциометр)
  • 95 1 шт.
  • 95 .

Недавно просмотренные товары

Принимаем к оплате
IP Electron в соцсетях